Skip to content

Фотогалерея

  • Главная
  • Контакты

Dpm001tia

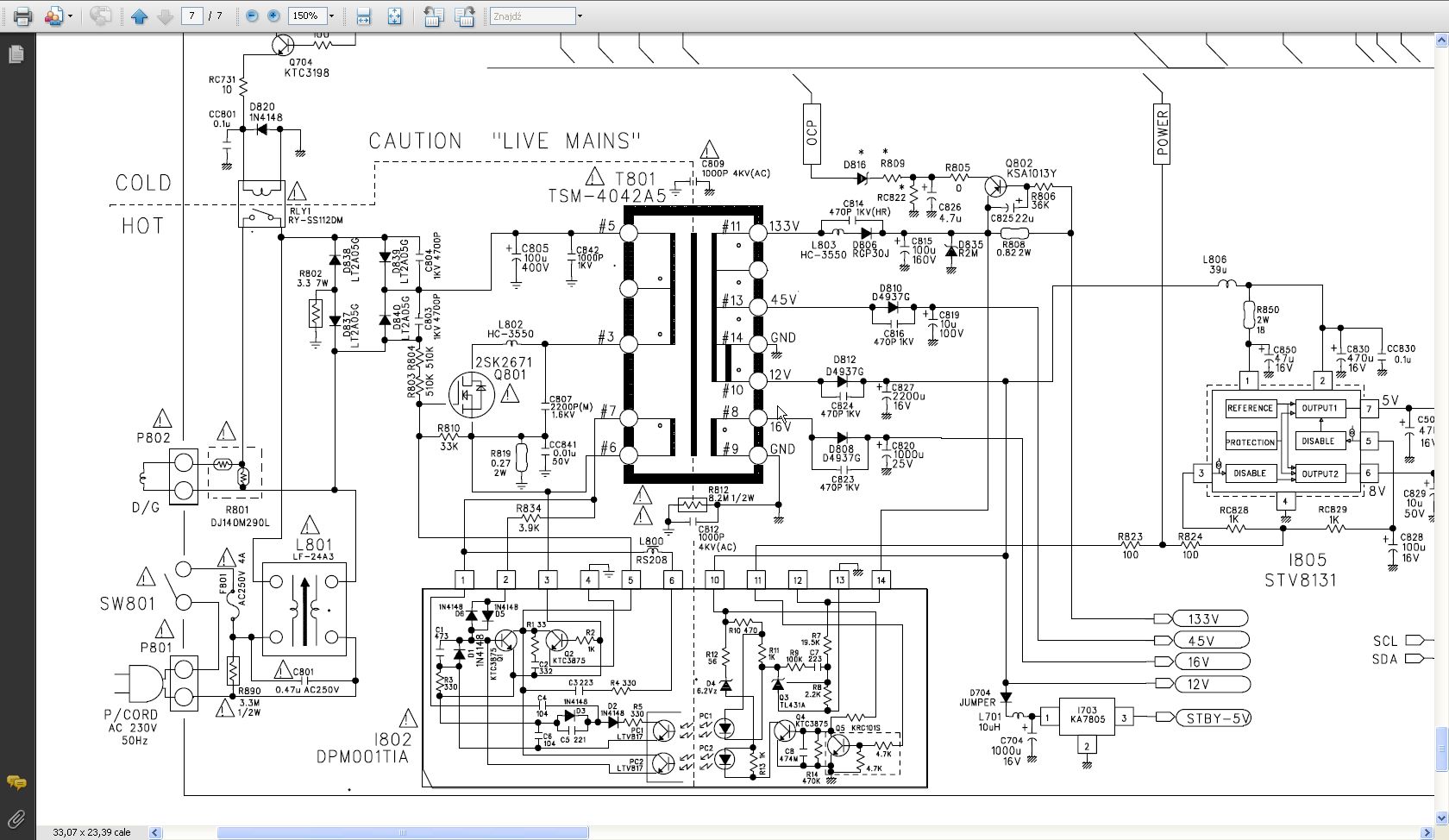
DPM001TIA DAEW Transistors - Veswin Electronics

DPM001TIA Original New Integrated Circuit | eBay

DPM001TIA IC HIBRID - Beli elektronik

Elettronica :: Componenti elettronici :: Semiconduttori :: Modulo ...

Existe algún procedimiento para reparar el híbrido DPM001TIA - YoReparo

INTER-CHIP OLSZTYN - CZĘŚCI, AKCESORIA I PODZESPOŁY ELEKTRONICZNE

DPM001 TIA ORIGINAL DPM001 TI - LIQUIDACION

INTER-CHIP OLSZTYN - CZĘŚCI, AKCESORIA I PODZESPOŁY ELEKTRONICZNE

Микросхема LA42152 оригинал: цена 176 грн - купить Электронные ...

Микросхема TDA8174 ( TDA8174A ) оригинал: цена 176 грн - купить ...

Микросхема TDA1555Q оригинал - 176 грн, купить на ИЗИ (48428065)

DPM001 TIA ORIGINAL DPM001 TI - LIQUIDACION

JVC AV-21JT5EU шасси CP-005

Daewoo KR21UT1 шасси CP-002

Шасси CP-002 схема, состав

Presto 190GC lipsa impulsuri PWM - Tehnica sudurii - ELFORUM - Forumul ...

Шасси CP-002 схема, состав

Шасси CP-005A схема, состав

Aiwa TV-C1400KH шасси CP-005A

INTER-CHIP OLSZTYN - CZĘŚCI, AKCESORIA I PODZESPOŁY ELEKTRONICZNE

d78040 diagrama

INTER-CHIP OLSZTYN - CZĘŚCI, AKCESORIA I PODZESPOŁY ELEKTRONICZNE

DAEWOO KR29FL8P блок питания | Форум по ремонту Monitor

INTER-CHIP OLSZTYN - CZĘŚCI, AKCESORIA I PODZESPOŁY ELEKTRONICZNE

Шасси CP-005A схема, состав

INTER-CHIP OLSZTYN - CZĘŚCI, AKCESORIA I PODZESPOŁY ELEKTRONICZNE

INTER-CHIP OLSZTYN - CZĘŚCI, AKCESORIA I PODZESPOŁY ELEKTRONICZNE

tv daewoo dtq13p3fc quema dp133 - YoReparo

Daewoo K14V3T S -zawyżone napięcia z przetwornicy - elektroda.pl

  • Вперед Как заклеить радиатор охлаждения
  • Назад Роберто баджо в милане

Новые страницы

Аэропорт мумбаи

Алексеевская метро

Ат к фосфолипидам

Блок схема функции x x 2

День рождения винипуха

Деннис куэйд фильмы

Dpm001tia

Эволюционная теория происхождения человека

Фильм ужасов шелуха

Fitness тюмень

Гдз по русскому языку 7 класс ладыженская упр 351

Иск о признании права собственности на недвижимое имущество образец

Изготовление патент

Какие бывают виды рекламы

Лист ознакомления к должностной инструкции образец

Мастер спорта по художественной гимнастике 2023

Нижний новгород собор александра невского

Образец реквизитов организации

Образец замерного листа для межкомнатных дверей

Пищевое отравление симптомы

Ранч соус

Схема характеристики сознания человека

Система пещер the long dark карта

Сказки тренинги

Сколько стоит поменять проводку

Сколько видов спорта в зимней олимпиаде

Сумка шоппер крючком из трикотажной пряжи схемы и описание

Таучелов тамерлан художник

Tom was wrong wrongly believed to be a thief

Тренировка ганнибала

cdn.zecar.ru