Skip to content

Фотогалерея

  • Главная
  • Контакты

Dp83848c

DP83848C

RMII模式以太网PHY芯片DP83848C的应用-CSDN博客

DP83848C: DP83848C - 接口论坛 - 接口 - E2E™ 设计支持

Silicon Circuit Board Chips DP83848C Ethernet Physical Layer Transceiver

DP83848 Ethernet Board An accessory board features the Single Port 10/ ...

嵌入式Modbus TCP通讯模块设计_PLC_Modbus_中国工控网

Ethernet network module DP83848 SNI RMII Botland - Robotic Shop

DP83848CVVX/NOPB 以太网收发器(PHY)详细中文资料 图片-公司新闻-深圳立创商成电子有限公司配单易-深圳立创商成电子有限公司

来吧展示!以太网配合FreeRTOS实现socket通信!实战STM32F4以太网DP83848配合LWIP_freertos socket ...

嵌入式Modbus TCP通讯模块设计_PLC_Modbus_中国工控网

Configuring triple speed ethernet MAC with National DP83848 PHY in MII ...

ethernet - DP83848 + STM32 & Failed EMC (massive spikes of 25MHz ...

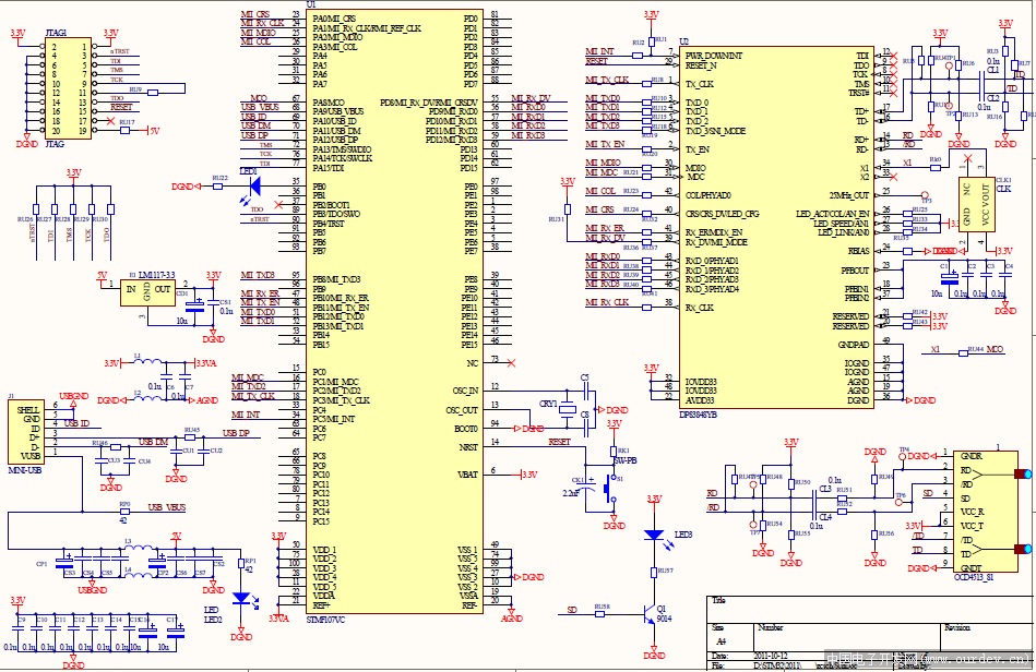
基于STM32F107VCT6单片机+DP83848CVV 网口车牌识别控制板硬件(原理图+pcb+封装库)工程文件_stm32f107 ...

DP83848IVVXSLASHNOPB datasheet(5/86 Pages) TI1 | Industrial Controls ...

DP83848 DP83848IVV Network Ethernet Development Board Transceiver ...

DP83848 DP83848IVV Network Ethernet Development Board Transceiver ...

【DP83848C】产品参数介绍、DP83848C数据手册、中英文PDF资料下载-TI资料-电子发烧友

DP83848C: 选择RMII模式,相关问题 - 接口论坛 - 接口 - E2E™ 设计支持

MPC5748G参考设计-慈溪裕泰电子有限公司

关于STM32接光纤模块构建以太网,推荐一款外接的PHY,官方参考电路板的PHY片子DP83848C (amobbs.com 阿莫电子技术论坛)

TEXAS INSTUMENTS SMD Ethernet DP83848IVV/NOPB IC, For Electronics at Rs ...

Advanced TNCs for NBP

STM32F103C8T6引脚图 |电子通-应用新知,新电子的助推者 电子通

Circuito Integrado Dp83848vv = Dp83848c Lqfp48 Original | Parcelamento ...

DP83848C:商业温度单端口10/100Mb/s以太网物理层收发器 - CSDN文库

DP83848 DP83848IVV Network Ethernet Development Board Transceiver ...

  • Вперед Нпп итэлма 2170 3763040
  • Назад Саркисян давид

Новые страницы

Антенна для 4g модема своими руками схема

Брюки спортивные теплые мужские купить

Bulgary ювелирные

Бургер кинг орск

Договор оказания услуг фотографа образец

Должностная инструкция секретаря учебной части по профстандарту образец

Домовенок своими руками поэтапно из подручных материалов для дома

Dp83848c

Двусложные слова из открытых слогов с картинками

Физика 8 класс параграф 61

Hyundai северодвинск

Криштиану роналду португалия

Литий является единственным веществом реагирующим с азотом при нормальных

Нексия или логан для такси

Отверстия трением

Пампасы аргентина

Патентное исследование образец

Правильной схемой классификации

Приказ о замене части отпуска денежной компенсацией образец

Приказ об увольнении по собственному желанию в связи с выходом на пенсию образец

Русский язык 1 класс стр 93 упр 3 ответы

Садовая гвоздика

Схема ваз 2106

Синее море в предложном падеже

Sportstream tv прямая трансляция теннис

Сварка аргонодуговая

Умеренно континентальный как пишется

Заделка отверстий в стенах

Залипание втягивающего реле

Заполните в тетради таблицу ключевые события первой мировой войны на восточном фронте

cdn.zecar.ru