Skip to content

Фотогалерея

  • Главная
  • Контакты

Динамики с подмагничиванием подключение схема

Проводные мини-динамики с питанием от USB для портативных ПК ...

Urakoff Field Coil Speaker. Динамики с подмагничиванием - YouTube

Штучный High End для энтузиастов. Тест прототипов высокочастотных ...

Как подключить динамики к магнитоле в машине: Как колонки подключить к ...

динамик с подмагничиванием для радиоприемника Рига Т-689

Схема 20. Подключение динамиков акустической системы (Рено Логан 1 ...

ДИНАМИКИ с подмагничиванием 8" | Hi-Fi.ru

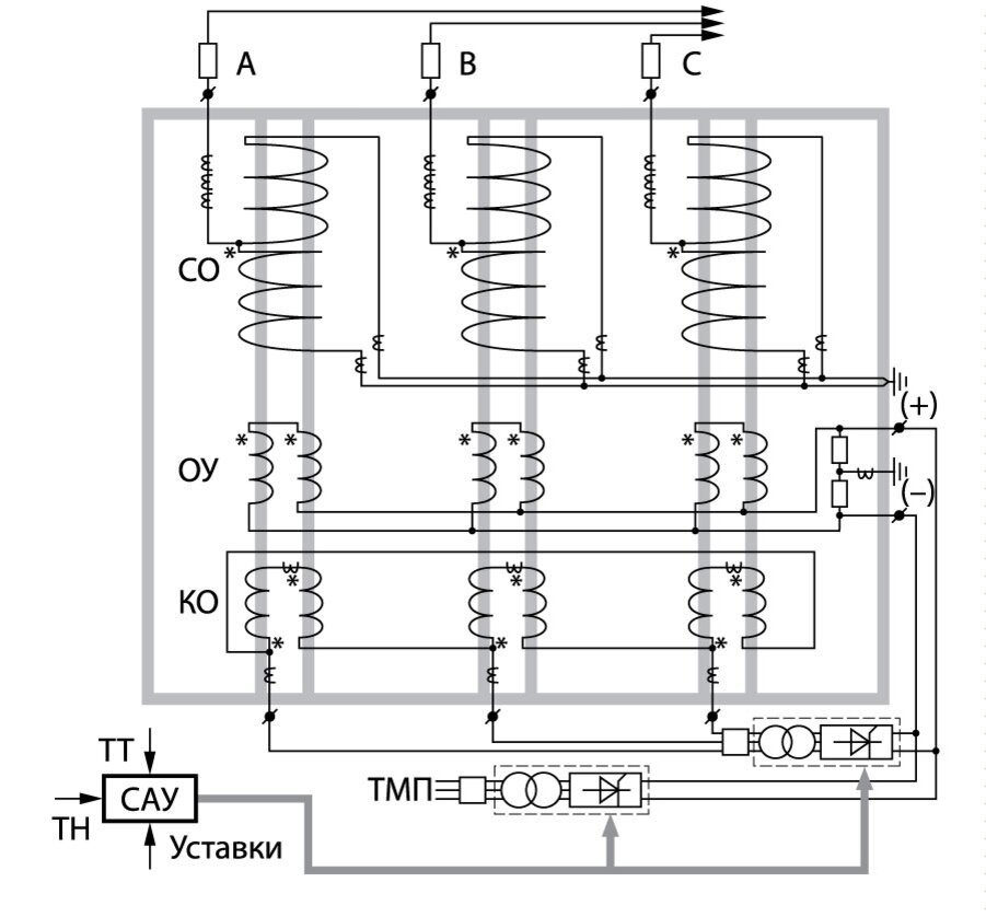
Что такое шунтирующие реакторы на подстанциях? Электрикам полезно знать ...

Сервопривод подключение схема - 84 фото

Ряды динамики - презентация онлайн

Treehaus Audiolab Phantom of Luxury – флагманская акустика на динамиках ...

8 главных High End премьер марта 2024 года. Карбоновый усилитель ...

Бумажные NOS Динамики Altec 604 Duplex | Festima.Ru - Мониторинг объявлений

Ода широкополосному динамику | Deluxe Acoustics | Дзен

Подключение акустики в авто с усилителями

ДИНАМИКИ с подмагничиванием 8" | Hi-Fi.ru

Отдам за 500 набор отвёрток из 32 штук. С подмагничиванием. Плюс ...

Схема подключения модуля ENC28J60 SPI Ethernet

ДИНАМИКИ с подмагничиванием 8" | Hi-Fi.ru

Техника: «Подключение к источнику.» - YouTube

Схемы подключения магнитного пускателя для трехфазного

Схема последовательного строения текста

Схема как подключить сабвуфер в 2 ома

Схема подключения магнитофона автомобиля

Подключение китайской магнитолы 2 din: схема, как самому, дин, динамики ...

Funrover магнитола подключение схема - 80 фото

Последовательное и параллельное подключение элементов: что это такое ...

AVTech LR16H-RT EZ Подключение к интернет онлайн [1/20] 144263

8 главных High End премьер марта 2024 года. Карбоновый усилитель ...

Установка и подключение библиотеки Numpy в Python - YouTube

Treehaus Audiolab Phantom of Luxury – флагманская акустика на динамиках ...

Схема подключения блоков компьютера

Подключение Усилителя В 2 Ома Колонки – Telegraph

9Н-4 Радиоприемник б/у купить в Краснообске | Хобби и отдых | Авито

9Н-4 Радиоприемник б/у купить в Краснообске | Хобби и отдых | Авито

  • Вперед Спотлайт контрольные работы
  • Назад Форт баярд

Новые страницы

359 Русский язык

Данил с днем рождения картинки с пожеланиями прикольные

Доверенность на представление интересов в гостехнадзоре образец

Флюс 34 а

Как собрать складной нож с кнопкой схема с предохранителем

Карта ульяновской области с районами и деревнями подробная со спутника подробная

Клапан предохранительный регулируемый 1 12 бар

Клей герметик прозрачный

Кофейня тревелс

Лариса анатольевна с днем рождения картинки

Люфт подшипника задней ступицы

Монтаж ковролина

Напряжение генератора ваз 2114

Насосы гринфус

Образец уведомления о задолженности по коммунальным платежам

Отчет по командировке пример написания образец

Петя и волк картинки раскраски

Портал закупок главная официальный сайт

Родство кто кому приходится схема

Самодельный регулятор тока для зарядного устройства

Сервисная книжка рено

Схема радиолы вега 323

Схема сети дома

Схема выплаты долгов

Служебная записка о награждении сотрудников образец

Тойота труено ае86

Взять груз

Зарядка аккумулятора на машине

Заявление в суд об исполнении решения суда образец заполнения

Золотая полка это та на которую ставятся любимые книги чем замечательны книги для золотой полки

cdn.zecar.ru