Skip to content

Фотогалерея

  • Главная
  • Контакты

Даташит tda7850

Усилитель TDA7850: Характеристики, datasheet, схема, аналоги

Микросхема tb2929hq распиновка

TDA7850 Datasheet: аналоги для замены и характеристики

Микросхема TDA7850 четырехканальный усилитель - RadioMart.kz ...

tda7850 - 随意云

tda7850 по части звука против tpa3255 - YouTube

tda7850 - 随意云

Купить tda7850 4-канальный 50w аудио усилитель усилитель системная 12v ...

tda7850 - 随意云

全新原装TDA7850 4*50W汽车功放芯片音响音频放大器电容硅脂_虎窝淘

1pcs TDA7850 ZIP | eBay

STMicroelectronics,30W, 25-Pin FLEXIWATT TDA7850 | RS

TDA7850 Datasheet: аналоги для замены и характеристики

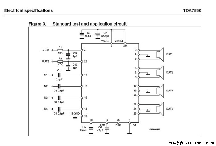
TDA7850 datasheet(15/18 Pages) STMICROELECTRONICS | 4 x 50 W MOSFET ...

Замена TDA7388 на TDA7850. Есть ли улучшения звука? — Haval F7 (1G), 2 ...

TDA7850 Datasheet by STMicroelectronics | Digi-Key Electronics

TDA7850 datasheet(9/18 Pages) STMICROELECTRONICS | 4 x 50 W MOSFET quad ...

【TDA7850 PDF数据手册】_中文资料_引脚图及功能_(意法半导体 ST Microelectronics) | icspec-芯片规格 ...

Popust (1pcs) tda7386 tda7851l tda7851f tda7850 tda7850a tda7850h zip ...

TDA7850 Amplificateurs audio 4 x 50 W MOSFET Quad Bridge Pwr Amplifier

Переход на W-12. — Mitsubishi Outlander (3G), 2 л, 2017 года | автозвук ...

5 шт. Микросхема TDA7850 ZIP Оригинальный модуль - купить с доставкой ...

TDA7850 wzmacniacz mocy 4x50W MOSFET zam. YD7388 - Sklep, Opinie, Cena ...

TDA7850 datasheet(17/18 Pages) STMICROELECTRONICS | 4 x 50 W MOSFET ...

【图】自己动手第四季:网购TDA7850,更换原车CD功放IC。_骐达TIIDA论坛_汽车之家论坛

TDA7850 datasheet(13/18 Pages) STMICROELECTRONICS | 4 x 50 W MOSFET ...

TDA7850 datasheet(16/18 Pages) STMICROELECTRONICS | 4 x 50 W MOSFET ...

TDA7850 Datasheet by STMicroelectronics | Digi-Key Electronics

Автомобильный усилитель звука TDA7850 с конденсатором 10 000 мкф ...

Audio Power Amplifier Circuit With TDA7388 Or TDA7850 - Xtronic

TDA7850A – FROLOV TECHNOLOGY

TDA7850 ZIP-25 Четырехмостовой усилитель мощности на МОП-транзисторах 4 ...

Микросхема TDA7850, Hi-Fi aудио усилитель мощности, ST Microelectronics ...

TDA7850 Amplifier Board 2.1 Channel 2x80W Car AB Type Amplifier Module ...

TDA7850 Datasheet by STMicroelectronics | Digi-Key Electronics

  • Вперед Распиновка эбу хендай акцент
  • Назад Буква строка текст искусство шрифта изо 7 класс презентация

Новые страницы

Что заливают в домкрат гидравлический

Даташит tda7850

Детство 2030 проект официальный сайт

Форма справки 095 у образец скачать

Гдз по русскому рудницкая четвертый класс

Годовая доверенность на получение товара образец

Gw fitness малая каштановая аллея

Хранение велосипедов в спб

Йога втроем картинки

Как написать ноль римскими цифрами на картинке

Как закрыть ооо по упрощенной схеме

Как заменить колодки ручника на шевроле лачетти

Картинки евгена бро в майнкрафте

Картинки юни в реальной жизни

Можно ли протеин перед тренировкой

Ном кредит банк

Образец заявления об увеличении мощности электроэнергии

Ошиповка тюмень

Песня на заказ в подарок

Плавают обороты ваз приора

Подключение кроссовера к динамикам схема

Проект 9 класс образец футбол

Резка паронита лазером

Схема со словами автора

Сруб отделка ру

Тачпад для компьютера

Толуол и избыток азотной кислоты

Труба чугунная канализационная

Ул нарвская москва

Virtual visa card

cdn.zecar.ru