Skip to content

Фотогалерея

  • Главная
  • Контакты

Даташит 7812 на русском

К561тм2 даташит на русском

Схема 34063api: 34063Api даташит на русском — Морской флот — soto-lux ...

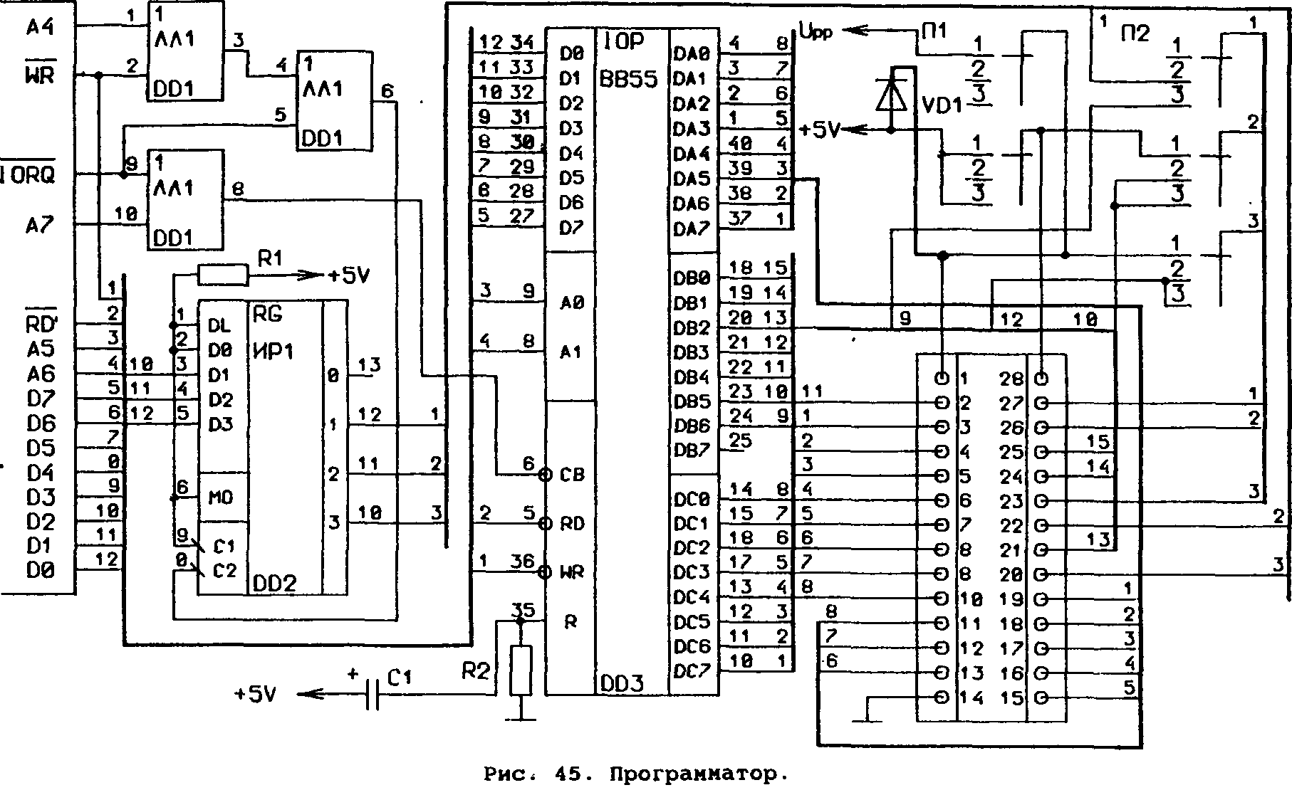
Программатор для пзу своими руками

Транзистор irf540n - Электротехника и электроника

Микросхема lm324 даташит на русском языке

FMMT2222A - биполярный транзистор - даташит | INVERTER48

Тип корпуса транзисторов - Электротехника и электроника

Помогите найти даташит на IC | Пикабу

Sim800L даташит на русском: Sim800l даташит на русском — Производство и ...

Нагельсман остался доволен игрой «Баварии» в матче с ПСЖ в Лиге ...

Диод Шоттки: принцип работы, устройство и маркировка

Нагельсман остался доволен игрой «Баварии» в матче с ПСЖ в Лиге ...

Cj7815 характеристики: CJ7815 даташит ETC техническое описание ...

Даташит на транзистор nce8290

7812 распиновка: L7812CV характеристики стабилизатора, схема ...

Микросхема at89c2051 24pu даташит на русском

Магнитола сони dsx a416bt инструкция на русском - 88 фото

7812 распиновка: L7812CV характеристики стабилизатора, схема ...

Tm1628 схема включения и datasheet на русском

Даташит На Микросхему Atmega 328 На Русском - librarycr

Микросхема mb6s даташит на русском языке

"How Product Launches Foster Community Collaboration: Strengthening ...

Juega Whimsical lands replay map - 9287-6464-7812 | Fortnite Zone

SA2111C даташит Silan Microelectronics техническое описание радиодетали ...

Дело об изнасиловании девочки отправят на доследование | Происшествия ...

Глобальное потепление: кактусы вторгаются в швейцарские Альпы | MigNews ...

7812 распиновка: L7812CV характеристики стабилизатора, схема ...

Lm358 даташит на русском: datasheet на русском, применение, аналоги ...

Комендантский час в Киевской области | MigNews - Новости Израиля и Мира ...

Украина. Видео работы ССО | MigNews - Новости Израиля и Мира на русском ...

Схема подключения л

После 30 години целосно е реконструирана улицата ,,Марко Орешковиќ” со ...

Кт805а характеристики транзистора - Электротехника и электроника

6pcs Cartoon Graphic Ballpoint Pen

Juega One Shot - One in the Chamber 🎯 - 7812-3384-0604 | Fortnite Zone

  • Вперед Мцд 1 схема метро
  • Назад Храм георгия победоносца челябинск

Новые страницы

Буквенно цифровая маркировка резисторов

Complete with earthquake avalanche

Фотопечать на столешница из стекла

Гдз по алгебре 9 класс макарычев 821

Гдз по английскому рабочая тетрадь биболетова седьмой класс

Глохнет при трогании ваз 2109 карбюратор

Гостиница три медведя свердловская область на карте

High in the mountains of peru can be found the ruins of the city

Игра спорт лыжи

Импульсные счетчики воды

Имудон аналоги дешевле список

Ipad air 4 цена

Клиническая картина бычьего цепня

Математика 4 класс 2 часть ответы стр 64

Мурло мерлен

Ниссан теана регламент то 90000

Прикуриватель автомобильный схема

Резюме офис менеджера образец

Рукав напорный резиновый с текстильным каркасом

Схема 380 через конденсаторы

Схема оригами для детей 4 5

Схемы прямой речи 5

Схемы задач на скорость

Сочинение авторитет огэ

Тренировочный вариант 9 математика

В спортивной секции занимались 12

Www passport ru

Ясногорск москва

Защита проекта 10 класс образец выступления

Зоны отдыха в россии

cdn.zecar.ru