Skip to content

Фотогалерея

  • Главная
  • Контакты

Частоты dtmf

DTMF — двухтональный многочастотный аналоговый сигнал

Купить Пульс передачи двухтональным несколько частоты dtmf конвертер ...

Купить Пульс передачи двухтональным несколько частоты dtmf конвертер ...

Портативные радиостанции РАДАНТ

DTMF 01 Dcota - Solusi Bangunan

DTMF, Dual Tone Multi Frequency, MT8870DE DTMF Decoder

What is dtmf decoder ic – PCB COPY

Купить Пульс передачи двухтональным несколько частоты dtmf конвертер ...

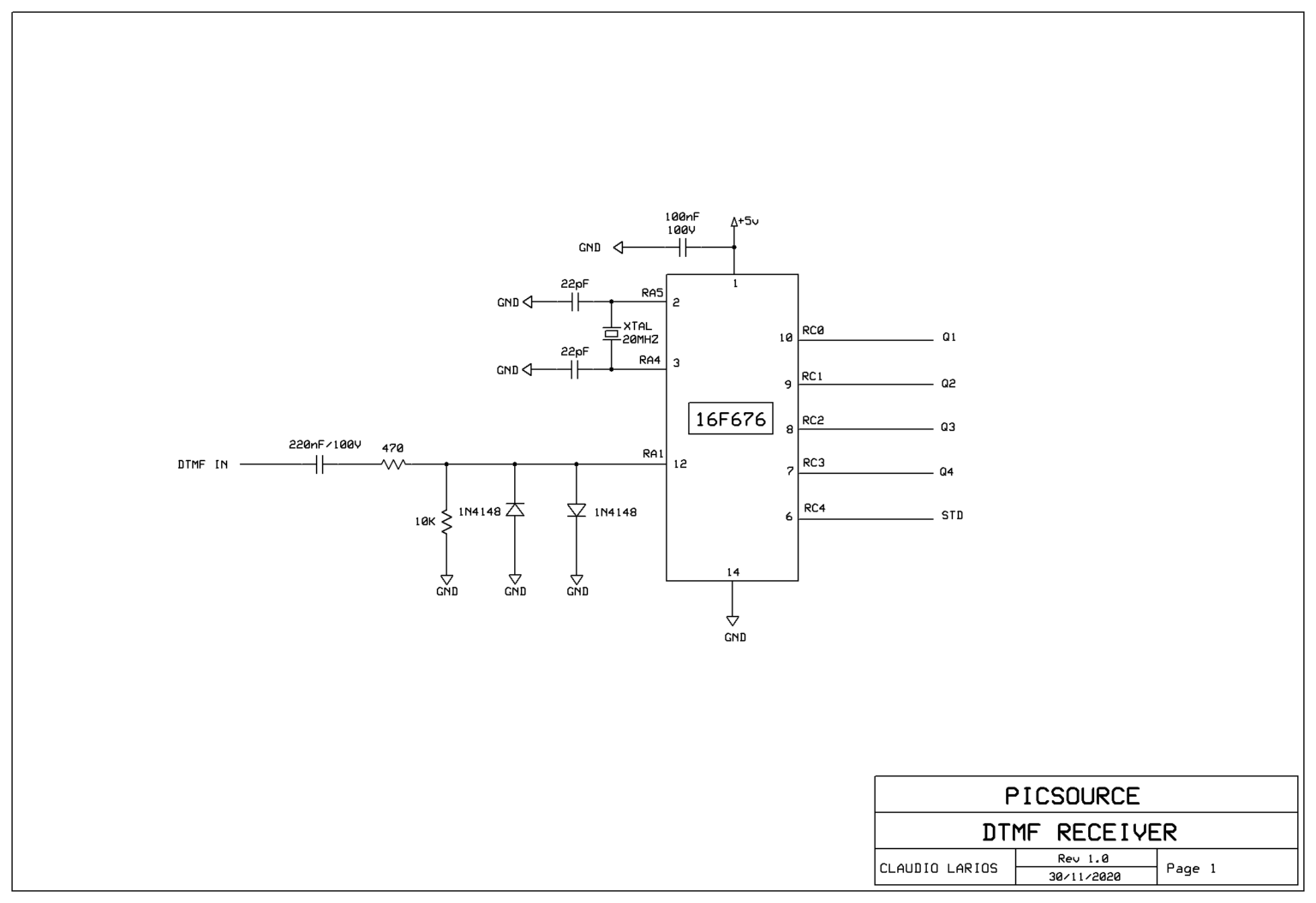
DTMF RECEIVER C/ PIC 16F676 (REF347) – PicSource

Dtmf Circuit Diagram Pdf - Circuit Diagram

Dtmf | Hackaday

DTMF Capture Solutions at Rs 550/month | web based data collection ...

DTMF Tone Generator & Decoder for PC / Mac / Windows 11,10,8,7 - Free ...

DT210 Audio decoding DTMF decoder Encoder DTMF Module Display ...

SC9270 DTMF Tone Decoder Module- Control at Rs 60 | DTMF Decoder in New ...

What is Dual ToneMultiple Frequency (DTMF)

DTMF Decoder at Best Price in India

Telephone DTMF decoder Display under Phone Circuits -7914- : Next.gr

DTMF (Dual-Tone Multi-Frequency signaling) - Glossary & Definition

dtmf tone decoder under Repository-circuits -34909- : Next.gr

DTMF-2 - Receptor DTMF de 4 Canais

DTMF Conversion Processing

dtmf decoder circuit diagram - Circuit Diagram

DTMF Capture Solutions at Rs 550/month in New Delhi | ID: 2851124292430

GSM Home Automation using DTMF | Opstep

DTMF Decoder Module With 4-Bit Binary Output & AUX & Wires |Embeddinator

What is DTMF?

8Pin HM-118TN Dtmf Microfoon Voor Icom IC-706 IC-7... – Grandado

DTMF Masking (DTMF Suppression): Full Guide 2024 - Key IVR

DTMF Controller circuit under Repository-circuits -44166- : Next.gr

DTMF Tone Decoder 2019 - Download, Review, Screenshots

DTMF decoder configuration | Download Scientific Diagram

GitHub - Henguin1001/DTMF-Decoder: DSP Final Project- Dial Tone Decoder ...

DTMF Capture Solutions at Rs 550/month in New Delhi | ID: 2851124292430

Multifrecuencia de doble tono (DTMF) - Definición y explicación

  • Вперед Комитет физической культуры и спорта казань
  • Назад Метро динамо срочное

Новые страницы

Аэропорт в пскове все

Ba3308 схема усилителя

Частоты dtmf

Что такое кривая толерантность

Датчики апс

Delivery club вакансии

Додо пицца киров доставка

Гдз по алгебре 98 класс

Гдз по геометрии 8 класс номер 289

Honor 5c замена

Как подтянуть ручник на ниве

Как замкнуть стартер напрямую ваз 2107

Картинки для анимации по кадрам

Кондиционер покрывается инеем

Кукушка пересказ

Неисправности шкода рапид

Описать схему передачи информации

Pb free package

Подпиши рисунок схему

Полина и владимир собрали и подготовили для гербария образцы растений для каждого растения

Предохранители ман тга схема

Приора ширина

Программа тренировок на рельеф для мужчин

Река в мичуринске

Спорткомплекс ледовый

Справка на академический отпуск по состоянию здоровья образец

Y 2x 1 3x 1

Замена сайлентблоков рессор уаз буханка нового образца

Заявление на паспорт 14 лет образец

Журнал регистрации прихода и ухода работников образец скачать

cdn.zecar.ru