Skip to content

Фотогалерея

  • Главная
  • Контакты

Cd4052be datasheet на русском

10PCS IC CD4052BE CD4052 4052 DIP16 NEW DATE CODE:12+ | eBay

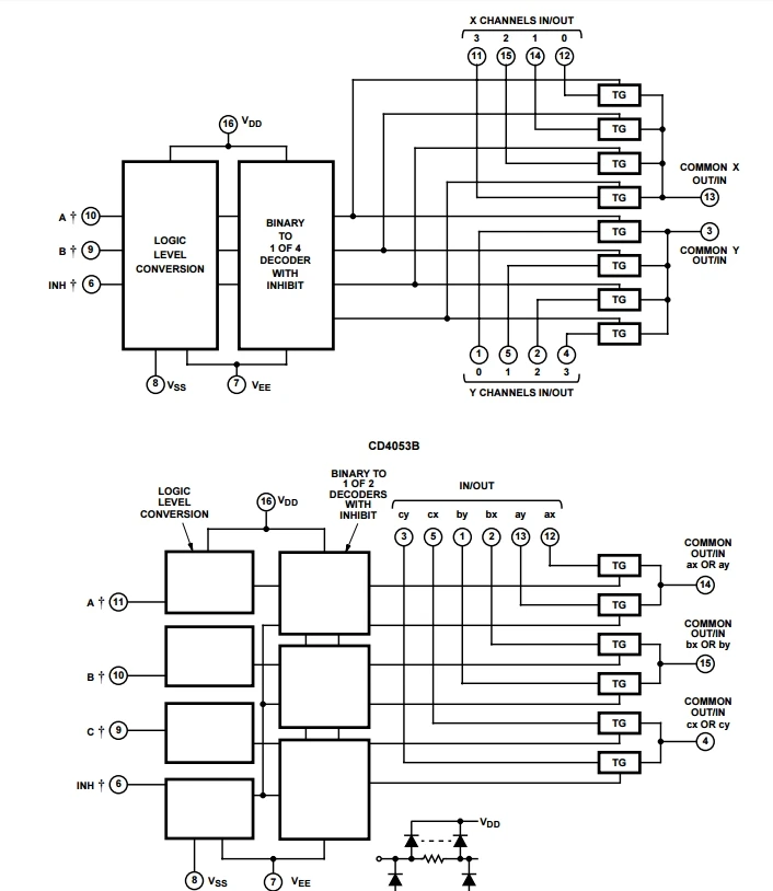
CD4052BE datasheet(3/20 Pages) TI | CMOS Analog Multiplexers ...

CD4052BE HGSEMI | C507162 - LCSC Electronics

CD4052BE Datasheet PDF - Datasheet4U.com

CD4052 4通道多路复用器/多路解复用器IC - 华强商城

CD4052BE DATASHEET PDF

CD4052BE datasheet(13/20 Pages) TI | CMOS Analog Multiplexers ...

CD4052 Multiplexer/Demultiplexer IC Pinout, Datasheet, Features ...

CD4052BE datasheet(11/20 Pages) TI | CMOS Analog Multiplexers ...

Interface ICs Electrical Equipment & Supplies Electronic Components ...

5 x CD4052 DIP16 Dual 4-channel analogue Multiplexer Demultiplexer ...

Amazon.com: 1 Piece CD4052BE CD4052 Differential 4-Channel Analog ...

¡cd4052be Ic 4-ch! Analógico Cmos Analógica Multiplexores ...

CD4052BE HTML VIEW PDF DOWNLOAD - Harris Semiconductor

CD4052BE multiplexer pin configuration ("CD4052BE Datasheet," 2017 ...

CD4052BE – จำหน่ายไอซี โมดูล แอลซีดี ทัชสกรีน อะไหล่อิเล็กทรอนิกส์ ...

CD4040BE - TdElectrónica

Lm258 datasheet на русском схема включения - 88 фото

Ir2113s datasheet на русском схема - 95 фото

1602a datasheet на русском

Tm1628 схема включения и datasheet на русском

Tm1628 схема включения и datasheet на русском

Datasheet pic16f84 на русском

Smd транзистор k72 datasheet на русском

Tm1628 схема включения и datasheet на русском

Cd4052 datasheet на русском

Ir2113s datasheet на русском схема - 95 фото

Cd4046Be datasheet на русском: портал и журнал для разработчиков ...

KP1040E_317765.PDF Datasheet Download --- IC-ON-LINE

CD4052BE datasheet(1/38 Pages) TI1 | CMOS Single 8-Channel Analog ...

LT8582IDKD#TRPBF datasheet Analog Devices, Inc. - IC-Component.com ...

RF4E070 datasheet

Bta12 600 datasheet на русском схема включения - 90 фото

Circuit integrat multiplexor CD4052BE - ARDUSHOP

CD4052 Mux/Demux Pinout, Working, Examples, Application, Datasheet

  • Вперед Спортмастер уф
  • Назад Провода в тайланде на столбах

Новые страницы

1092 Алгебра 7 класс

74Ac245

Белый дом в москве сейчас

Бинансе биржа официальный сайт

Cd4052be datasheet на русском

Демонтаж плит перекрытия

Досудебное урегулирование споров образец

Электрик в махачкале вызов на дом

Хомут велосипедный

Изолятор угловой иэк

Как нарисовать картину поэтапно карандашом

Как поменять стеклоподъемник на ваз

Кофточки крючком из мотивов на лето со схемами самые красивые

Контрольная работа по геометрии 7 класс атанасян номер 4

Котики доброе утро прикольные с надписями картинки

Левитан картина весна большая вода сочинение 4

Маравин

Он остановился задумавшись о чем то и резко обернувшись позвал часового

Планировщик экскаватор

Рассказ баня алексея толстого с картинками читать онлайн бесплатно полностью

Схема морского корабля

Синтаксический разбор предложения со схемой и характеристикой

Сказка о глупом мышонке читать текст с картинками маршак

Сколько может длиться похмелье

Солярис заниженный

Список участников общества с ограниченной ответственностью образец

Свое болото хвалит морфологический разбор

Великая китайская стена в китае

Вентиляция приточно вытяжная с естественным побуждением

Заявление на увольнение на работу образец 2023

cdn.zecar.ru