Skip to content

Фотогалерея

  • Главная
  • Контакты

C1384 datasheet

C1384 TRANSISTOR DATASHEET PDF

C2482 транзистор - Электротехника и электроника

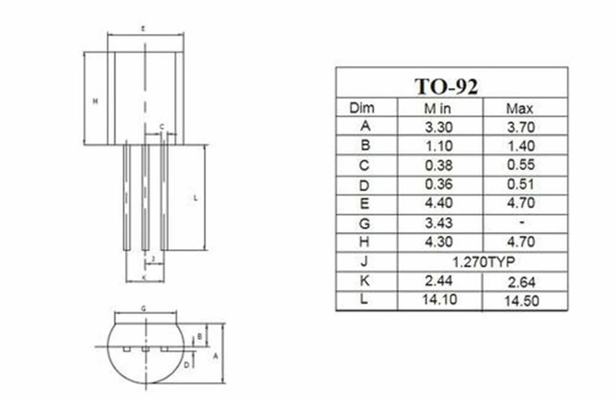
C1384 datasheet: C1384 Datasheet PDF — 50V, 1A, NPN Transistor ...

C1384 Datasheet - V cbo = 30V, NPN Transistor - Panasonic

C1384 Datasheet - Silicon NPN Transistor

C1384 Datasheet - Silicon NPN Transistor

C1384 Datasheet, C1384 PDF, Pinouts, Circuit - Weitron Technology

C1384 PDF资料|芯片管脚参数|DataSheet

2SC1384 NPN General Purpose Transistor - Datasheet

2SC1384 NPN General Purpose Transistor - Datasheet

2n3904 Transistor Datasheet Equivalent Pinout Video Transistors | Porn ...

C1384

TRANSISTOR C1384 NPN 60V - 1,5A - 0,75W TO-92L 2SC1384 Transistore...

100 pièces 2SC1384 Transistor NPN pour L'application Audio 1W 60V 60V ...

C1384 транзистор характеристики: 2SC1384 транзистор характеристики ...

C1384 - Central Rubber Extrusions of Illinois

C1815 Transistor Pinout, Datasheet, Features, Equivalent, 60% OFF

C1384_2

4 IC Transistor NPN 2SC1384 C1384 1384 TO-92 chính hãng

C1384電晶體的價格推薦 - 2022年7月| 比價比個夠BigGo

NEW PROCESS CONTROL C1384 LOAD CELL 3.178 MV/V 50 LBS – SB Industrial ...

5x 2SC1384R C1384 R Vintage Transistor - 2SC1384 R - Matsushita Japan ...

ASTM C1384-23 Red - Standard Specification for Admixtures for Masonry ...

CST plášť C1384 | Bezvakolo

50只三极管 2SC1384 C1384 TO-92L直插_虎窝淘

BC549 Transistor: Equivalent, Pinout, And Datasheet Easybom, 58% OFF

8050三极管参数_淘宝助理

TRANSISTOR C1384 | Lazada Indonesia

20pcs 2SC1384 C1384 C1384Y TO 92L transistor-in Transistors from ...

CD4038A Data Sheet | RCA

MB84VA2007 Datasheet - (MB84VA2006 / MB84VA2007) 8M (x 8/x 16) FLASH ...

50PCS 2SC1384 TO92 C1384 TO 92 triode transistor new original free ...

S1A120098 Datasheet - Reed Relay

142241_3914098.PDF Datasheet Download --- IC-ON-LINE

UPC1380C Datasheet PDF - NEC

  • Вперед Гдз по математике 6 класс учебник мерзляк номер
  • Назад Мороз морозный

Новые страницы

10 Гд 30

103K конденсатор

Алгебра 7 мерзляк номер 1048

Анкета призывника для военкомата образец

Драйвер форсунок своими руками

Эскиз тату жабы

Gbwf

Где похоронен сальвадор дали

Гдз по математике 6 класс номер 1033 мерзляк

Гдз по русскому языку 5 класс ладыженская 620

Инкарвиллея

Как поднять фары на ваз 2114

Как правильно заполнить анкету при приеме на работу образец заполнения

Коллективное письмо руководителю от сотрудников образец о повышении зарплаты

Кровь человека от крови лягушки можно отличить по

Ласт санс картинки 18

Методика берга для увеличения роста комплекс упражнений с картинками

Мицубиси спорт бу купить в москве

Молочнокислые бактерии это сапротрофы

Настройка aar

Образец приказа о создании резерва материальных ресурсов для ликвидации чс в организации

Образец заполнения приказа о дисциплинарном взыскании

Работа уборщицей у метро митино

Расписка о получении денег за съем квартиры образец

Разница киа рио и киа сид

Ремонт двигателя мотоблока лифан

Съемка рекламы

Схема кольца из бисера человек паук

В старом доме 9 окон если помыть 4 грязных

Всеволожский роддом

cdn.zecar.ru