Skip to content

Фотогалерея

  • Главная
  • Контакты

Bosch 21214 1411020 20 распиновка эбу

Контроллер ВАЗ-21214 BOSCH - 21214-1411020-20 - купить в АвтоАльянс ...

Контроллер ЭБУ BOSCH 21214-1411020 (MP 7.0): цена 10 190 руб. – купить ...

Купить Контроллер ЭБУ BOSCH 21214-1411020 (VS 1.5.4) Евро-3 под 2 ДК ...

Контроллер ВАЗ-21214 BOSCH - 21214-1411020-20 - купить в Авто-Альянс ...

Контроллер BOSCH 21214-1411020-10, ВАЗ 21213, Нива, LADA4x4 – купить ...

Контроллер ЭБУ BOSCH 21214-1411020-10

Контролер системи керування двигуном Bosch 21214-1411020-20 (9262237 ...

Контроллер ВАЗ-21214 BOSCH - 21214-1411020-30 - купить в Авто-Альянс ...

Електронний блок управління ЕБУ BOSCH 21214-1411020-70: продаж, ціна у ...

Купить контроллер ЭБУ BOSCH 21214-1411020-10 (VS 7.9.7). Лада 4х4 Нива ...

Авто Электротехника: Еще схемы подключения Bosch 7.9.7 / Январь7.2

Купить контроллер ЭБУ BOSCH 21214-1411020-30 (VS 7.9.7). Лада 4х4 Нива ...

Правильное подключение оборудования ксенона к колодке h4 / блог им ...

Распиновка эбу ваз 2110 инжектор 8 клапанов bosch

Распиновка эбу bosch 2111 1411020 70 - ProDemio.ru

Купить Bosch 21214-1411020-30 по лучшей цене в Москве на www ...

Генератор ВАЗ-21213, 21214, 2121 Нива Карбюратор (60А 14В) | К ...

Распиновка колодки подключения ЭБУ BOSCH ME17.9.7 (два разъема)|RamBase.ru

Купить Контроллер ЭБУ BOSCH 21214-1411020-30 (М7.9.7) в интернет ...

Блок управления двигателем ЭБУ Bosch 11194-1411020-20 M17.9.7 ВАЗ ...

Электронный блок управления ЭБУ BOSCH 2111-1411020-40: продажа, цена в ...

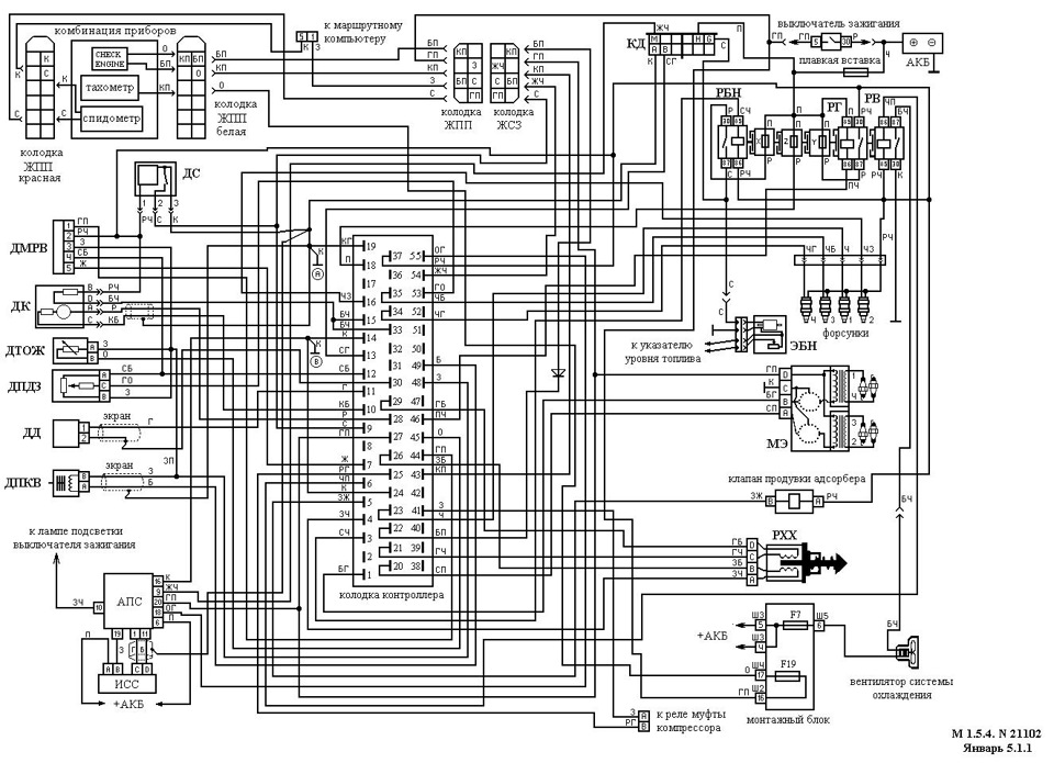
Распиновка ЭБУ январь 5.1, 5.1.1, 5.1.2, 7.1, 7.2, Bosh Mх, и др. ЭСУД ...

Контроллер (ЭБУ) BOSCH 21214-1411020-70 для а/м Niva и Niva Urban купить

Контроллер (ЭБУ) 21214-1411020-70 - купить в интернет-магазине shop ...

Контролер системи керування двигуном Bosch 11183-1411020-20 (9262266 ...

Распиновка эбу nissan pathfinder r51

эбу bosch 21214-1411020-30 - Ремонт электронных блоков управления (ЭБУ ...

Распиновка ЭБУ январь 5.1, 5.1.1, 5.1.2, 7.1, 7.2, Bosh Mх, и др. ЭСУД ...

Электрическая Схема Ваз 21214 1411020-20 - columbusairing

Распиновка ЭБУ январь 5.1, 5.1.1, 5.1.2, 7.1, 7.2, Bosh Mх, и др. ЭСУД ...

Распиновка ЭБУ январь 5.1, 5.1.1, 5.1.2, 7.1, 7.2, Bosh Mх, и др. ЭСУД ...

Система диагностики контроллера ЭСУД ВАЗ-21214 на Лада 4х4, коды

ЭБУ (Мозги) на ВАЗ 2112-1411020-40. Обзор и прошивка Bosch 1.5.4 1.5 16 ...

Распиновка ЭБУ январь 5.1, 5.1.1, 5.1.2, 7.1, 7.2, Bosh Mх, и др. ЭСУД ...

Купить Жгут ЭБУ контроллера Bosch 21214-20 на ВАЗ Нива по цене 19 999 ...

  • Вперед Уссурийская груша
  • Назад Pajero sport 2 2008

Новые страницы

Альтернативная история европы карта

Борна идентификация

Дневник по холтеру образец

Элитарная культура презентация 10 класс обществознание

Гдз по русскому 6 класс ладыженская 2 часть 512

Гостиницы даховской

Группы ан в москве

Как чисто на чертеже что значит

Как нарисовать лиф из метал фэмили

Как покрасить фары на приоре

Карта турковского района саратовской области подробная с деревнями

Математика 2 класс учебник стр 34

Мост для влюбленных в москве

Можно ли телефон сушить на батарее

Приказ о начислении премии сотрудникам образец

Самостоятельная работа функция у к х и ее график 8 класс

Схема исторического музея

Схема сборки баси

Сколько будет стоить сделать кафельная плитка печь

Ssh6n80

Туапсе отдых санаторий

Устройство шруса

Увольнение по собственному желанию ст 77 запись в трудовой образец

Великоморавская держава карта

Воздух при нажатии педали тормоза

Xt9502 схема включения

Заявление командиру воинской части образец

Жанры электронной музыки

Животные зоопарка новосибирска

Журнал учета выдачи инструкций по охране труда образец

cdn.zecar.ru