Skip to content

Фотогалерея

  • Главная
  • Контакты

Bn44 00260c

SAMSUNG BN44-00260A BN44-00260C SCH Service Manual download, schematics ...

SMPS (VSS, IP, PSU) - блок питания : IP-Board BN44-00260C LE32B450C4WXRU

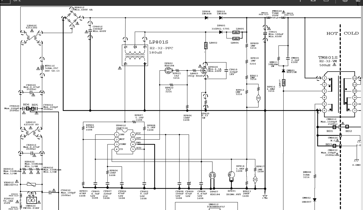
BN44-00260C схема

FUENTE DE ALIMENTACIÓN BN44-00260C - ArreglamosTODO

BN44-00260C FSP118-3PI01 SAMSUNG LE32B450 купить в наличии

BN44-00260C, SAMSUNG, INVERTER BESLEME - Duycom.com.tr

SAMSUNG - PSU - BN4400260C, BN44-00260C (BN44-00260A, BN44-00260B ...

BN44-00260C

Electro help: SAMSUNG BN44 00260 - LCD TV SMPS SCHEMATIC

BN44-00260C FSP118-3PI01 SAMSUNG LE32B450 купить в наличии

BN44-00260C POWER SUPPLY FOR SAMSUNG LE32B450C4W

Bn44-00260c от Samsung le32b450c4w | Festima.Ru - Мониторинг объявлений

PSU FOR SAMSUNG LE32B450C4W LE32B460B2W LE32B530P7W TV BN44-00260C ...

BN44-00260B, BN44-00260C, BN44-00261B, 3BS0202310GP, H32HD-9FS, FSP118 ...

BN44-00260C купить в Санкт-Петербурге | Электроника | Авито

3 - Esquema Fonte Samsung BN44-00664A | PDF

SAMSUNG LA32B450 POWER BOARD BN44-00260C H32HD_9FS 3BS0202312GP

Samsung BN44-00260C Power Supply/Backlight Inverter

Купить доска LCD tv часть блока питания инвертора bn44 - 00260c в ...

홈 제품 피드백

BN44-00622B tv Samsung — купить в Красноярске. Состояние: Б/у. Запчасти ...

SAMSUNG INVERTER BOARD BN44-00260C - NETASHOP.GR | NETASHOP.GR

ALIMENTATORE SAMSUNG H32HD-9FS BN44-00260C 3BS0202312GP REV 1.0 ...

PSU Alimentation_Inverter Samsung LE32B450 BN44-00260C

Ürünler - Erdal Elektronik Tv

CARTE D'ALIMENTATION BN44-00260C - Connect-prod

Fuente de alimentación BN44-00260C - Samsung LE32B450C4W - Voltier ...

[Sprzedam] Moduł zasilacza/invertera BN44-00260C - elektroda.pl

BN44-00260B , BN44-00260C , BN44-00261B , 3BS0202310GP , H32HD-9FS ...

Samsung BN44-00260C H32HD-9FS 3BS0202310GP BN4400260C Power Supply ...

Power Board Bn44-00260c в Части и Платки в гр. Шумен - ID28231604 ...

SAMSUNG BN44-00260C DEAD RECEIVER (1/1) - Eletronica - Esquemas ...

Samsung LE32B450 - Moduł zasilacz/inwenter BN44-00260C pełne zwarcie

BN44-00340A, SAMSUNG. BESLEME KARTI - Duycom.com.tr

LE32B450C4W Не принимает эфирные каналы BN44-00260C BN94-03130R BN40-00154A

  • Вперед Калина на горячую не заводится
  • Назад 681 Атанасян

Новые страницы

Английский язык номер 5 страница 87

Check engine subaru

Цветомузыка на светодиодах схемы

Гдз по русскому языку упр 223

Gorillaz картинки на аву

Характеристика в мвд образец

Хонда элемент фото

Как рисовать кристаллы карандашом

Как снять лючок бензобака рено флюенс

Каргилл компания

Карта развязка тарков выходы за чвк

Картинки прикольные скучаю по тебе любимый

Киа рио хэтчбек или киа сид хэтчбек

Литература 9 класс коровин гдз

Не отключается печка ваз 2110

Не запускается вася диагност

Не заводится фольксваген венто

Обмен квартир в туле

Образец об отмене судебного приказа

Описание картины воскресный день на острове гранд жатт

Простатит лечение симптомы

Рисунки схемы рисовать

Схема ключа зажигания

Силуэт орла рисунок

Сколько тратится электроэнергии в месяц

Спортивные мероприятия в спб

Спрятать повелительное наклонение

Свято ильинский храм

Записка матроне московской образец прошения

Журнал учета и осмотра такелажных средств механизмов и приспособлений образец заполнения

cdn.zecar.ru