Skip to content

Фотогалерея

  • Главная
  • Контакты

Блок питания леново схема

Блок питания леново схема. Схема блока питания ноутбука леново. Схема блока питания ноутбука Lenovo. Схема блока питания ноутбука HP 19.5V. Блок питания для ноутбука HP 19v схема.

Блок питания леново схема. Схема ноутбука Lenovo IDEAPAD 330. Принципиальная схема Lenovo IDEAPAD 330. Схема ноутбука леново v580c. Схема ноутбука Lenovo IDEAPAD s510p.

Блок питания леново схема. WX-dc2416 схема. LDK-300 PSU схема. Схема AC Adapter 12v 2a. Схема модуля питания HKL-190401.

Блок питания леново схема. Схема материнской платы леново g570. Схема блока питания ноутбука леново. Принципиальная схема материнской платы ноутбука леново g570. Схема платы ноутбука Lenovo b570e.

Блок питания леново схема. Схема блока питания ASUS 19v 4.74a. Схема блока питания ноутбука HP 19.5V. Схема блока питания для ноутбука hp620. Схема блока питания ноутбука леново.

Блок питания леново схема. Схема материнской платы a15hc. MACBOOK Air m1 схема. Схема блока питания MACBOOK Pro. Электрическая схема аккумуляторной батареи ноутбука ASUS.

Блок питания леново схема. Схема блока питания Lenovo. Lenovo s8-50 schematic. Схема блока питания Lenovo 20v. Леново b560 схема.

Блок питания леново схема

Блок питания леново схема

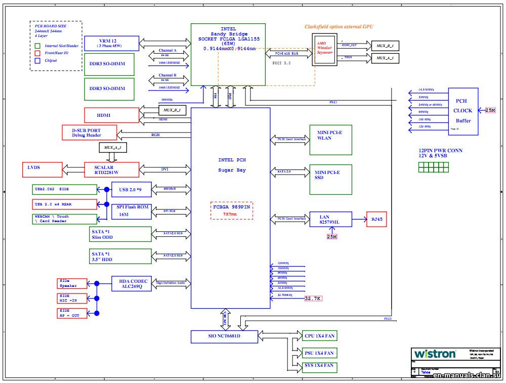
Блок питания леново схема. Схема Lenovo s206. Lenovo s1a40 схема. Pib65f/Tahoe MB схема. Схема Lenovo y5070.

Блок питания леново схема. Ncp1237 схема включения. S065rv2000325 адаптер схема электрическая. Схема адаптера RJ-as120120e102. Схема адаптера модель FLH d1210.

Блок питания леново схема

Блок питания леново схема. Разъём зарядки ноутбука Lenovo распиновка. Распиновка штекера ноутбука Lenovo. Распиновка разъема Lenovo. Разъём питания Lenovo схема.

Блок питания леново схема. Блок питания для ноутбука схема принципиальная электрическая. Схема блока питания ноутбука ASUS 19v 3.42a. Схема блока питания ноутбука ASUS 19 вольт. Блок питания для ноутбука ASUS схема принципиальная.

Блок питания леново схема. Tps65175 схема включения.

Блок питания леново схема. Блок питания LITEON pa-1900-24 схема. Блок питания LITEON pa-1650-02 схема. БП LITEON pa 1650-02 схема. Блок питания LITEON PS 5900 2h схема.

Блок питания леново схема. Блок питания ноутбука Sony 19.5v схема. Схема блока питания ноутбука HP 18.5V 3.5A 65w. Powercom BNT-400a схема. Схема блока питания ноутбука Асер 19 вольт.

Блок питания леново схема

Блок питания леново схема. Схема блока питания ноутбука HP 19.5V. Блок питания для ноутбука HP 19v 4.74a 90w схема. Схема блока питания ASUS 19v 4.74a. Блок питания Acer 19v 4.74a схема.

Блок питания леново схема. Блок питания для ноутбука HP 19v схема. Схема блока питания ноутбука ASUS 19 вольт. Схема блока питания ноутбука ASUS 19v 3.42a. Схема блока питания ноутбука ASUS.

Блок питания леново схема. Схема блока питания ноутбука HP 19.5V. Схема блока питания ASUS 19v 4.74a. Схема блока питания для ноутбука hp620. ADP-90wh схема.

Блок питания леново схема

Блок питания леново схема. Схема ноутбука леново b50-70. Схема ноутбука Lenovo y5070. Compal la-k701p Rev 1с. Zso50 la-a992p Rev 2.0 cхема.

Блок питания леново схема

Блок питания леново схема. Блок питания LITEON pa-1650-02 схема. Блок питания LITEON pa-1900-24 схема. Схема блока питания Delta e66047. Схема блок питания pa 1121-04.

Блок питания леново схема. ADP 120zb схема. Схема импульсного блока питания 19v. Схема импульсного блока питания ноутбука. Схема импульсного БП на ноутбук.

Блок питания леново схема

Блок питания леново схема. Схема материнской платы ноутбука Lenovo. Схема материнской платы Block diagram. Схема материнской платы THINKPAD Edge e145. Материнская плата ноутбука леново электрическая схема.

Блок питания леново схема. Схема адаптера асус ADP-90cd DB. Схемы блоков питания ноутбуков на базе ШИМ dap018a. ADP-90dd b схема. Схема ADP 65vh.

Блок питания леново схема. Lenovo IDEAPAD z560 схема. Electronics schematics la-6751p Rev 1 включается через раз. Electronics schematics la-6751p.

Блок питания леново схема

Блок питания леново схема. Блок питания для ноутбука HP 19v 4.74a 90w схема. Схема блока питания ноутбука HP 19.5V. Схема блока питания ноутбука dell 19.5v. Блок питания LITEON pa-1650-02 схема.

Блок питания леново схема

Блок питания леново схема

Блок питания леново схема

Блок питания леново схема. Материнская плата леново g 570 схема. Схема Lenovo IDEAPAD a475. Схема платы питания Lenovo z570. Схема ноутбука леново g570.

Блок питания леново схема. ADP-90sb BB схема. Блок питания ASUS exa1004eh схема. Exa1208eh ASUS схема. Схема блока питания ASUS exa0901xh.

Блок питания леново схема

Блок питания леново схема. Схема блока питания ноутбука HP 19.5V. Схема блока питания для ноутбука hp620. Блок питания для ноутбука HP n17908 схема. Схема блока питания ноутбука dell 19.5v.

Блок питания леново схема. LITEON блок питания для ноутбука схема. Блок питания LITEON pa-1650-02 схема. Схема блока питания ноутбука HP 19.5V. БП LITEON pa 1650-02 схема.

Блок питания леново схема. Блок питания LITEON pa-1900-24 схема. Схема блока питания ASUS 19v 4.74a. Ektron sr1 LS 260028704 схема.

Блок питания леново схема. Электрическая схема блока питания для ноутбука. Схема блока питания ноутбука ASUS 19v 3.42a. Блок питания для ноутбука схема принципиальная электрическая. Схема блока питания 19в.

Блок питания леново схема. Схема блока питания ноутбука dell 19.5v. Dell AC Adapter pa-1900-02d. Dell Adapter pa-1900-02d circuit. Dell pa-1900-02d схема.

Блок питания леново схема. Схема матрицы леново. A1901a-MB Lenovo схема. Схема Lenovo da0qucmb6e0. Lwdm009 Rev c2-5 Lenovo схема.

Блок питания леново схема. Схема блока питания ASUS 19v 4.74a. Блок питания ASUS pa-1900-24 схема. Схема блока питания ноутбука ADP 90cd DB. Схема блок питания для ноутбука ASUS 19v 4.74a.

Блок питания леново схема. Блок питания Delta ADP-16fp схема. Схема блока питания ноутбука HP 19.5V. DAC-12m001 Rev a2 схема. Блок питания Delta Electronics схема.

Блок питания леново схема. Схема БП 24в 200w. Блок питания для ноутбука схема принципиальная электрическая. Схема универсального блока питания для ноутбука 12-24в. Блок питания для ноутбука ASUS схема принципиальная.

Блок питания леново схема

Блок питания леново схема. Блок питания ASUS pa-1900-24 схема. Dap001 схема включения. Схема блока питания ноутбука асус. Блок питания асус 19v 4.74a схема.

Блок питания леново схема

Блок питания леново схема. Блок питания Lenovo 20v 120w. Блок питания Lenovo 20v 4.5a схема. Блок питания для ноутбука Lenovo (20v 4.5a 90w) Square. Блок питания для ноутбука Lenovo 20v 4.5a 90w 5.5*2.5.

Блок питания леново схема. ШИМ- контроллер lta601n. Схема блок питания для ноутбука ASUS 19v 4.74a. Схема блока питания ноутбука ASUS 19v 3.42a. Блок питания LITEON pa-1650-02 схема.

Блок питания леново схема. Схема блока питания ASUS 19v 4.74a. Схема блока питания ноутбука HP 19.5V. Схема блока питания ноутбука асус. ADP-90wh схема.

Блок питания леново схема. Схема блока питания ноутбука ASUS 19 вольт. ADP-90wh схема. Блок питания Delta ADP-16fp схема. Схема блока питания ноутбука Асер 19 вольт.

Блок питания леново схема. Схема Lenovo IDEAPAD a475. Схема питания леново b50. Схема ноутбука Lenovo b450. Схема Lenovo a10-70f.

Блок питания леново схема

Блок питания леново схема. Блок питания ASUS pa-1900-24 схема. Блок питания LITEON pa-1900-24 схема. Схема блока питания ноутбука dell 19.5v. Pa 1900 24 блок питания схема.

Блок питания леново схема. Схема материнской платы ноутбука Lenovo g580. Lenovo g700 материнская плата схема. Схема материнской платы Lenovo p585. Схема материнской платы ноутбука леново g560.

Блок питания леново схема. Схема материнской платы Lenovo. Схема материнская плата ноутбука леново g580. Lenovo материнская плата схема. Электрическая схема ноутбука Lenovo g580.

Блок питания леново схема. Схема блока питания ноутбука Acer. Схема блока питания ноутбука ASUS 19 вольт. Блок питания для ноутбука HP 19v схема. Адаптер питания для ноутбука ASUS схема.

Блок питания леново схема

Блок питания леново схема. Схема блока питания ноутбука dell. Схема БП ноутбука dell. Схема монитора dell e171fp. Схема блока питания монитора dell.

Блок питания леново схема. Laptop Universal Adaptor 150w схема. Dap8a блок питания. Схема БП ноутбука 12 вольт. Схемы блоков питания ноутбуков ASUS.

Блок питания леново схема. 1200p60 блок питания. ШИМ ncp1200. Схема импульсного блока питания ноутбука. Dap08 схема включения.

Блок питания леново схема. Блок питания ноутбука схема принципиальная. Блок питания для ноутбука HP 19v схема. Блок питания ASUS pa-1900-24 схема. Схема блока питания ноутбука леново.

Блок питания леново схема. Схема блока питания ASUS 19v 4.74a. Блок питания для ноутбука HP 19v 4.74a 90w схема. Схема блока питания ноутбука HP. Схема блока питания ноутбука HP 19.5V.

Блок питания леново схема. Lenovo g575 схема материнской платы. Схема материнской платы леново g710. Схема материнской платы леново g570. Lenovo b590 схема материнской платы.

Блок питания леново схема. Распиновка 24 пин блока питания. 14 Pin блок питания распиновка. Распиновка разъема ATX 24 Pin. 24 Pin ATX Power Connector распиновка.

Блок питания леново схема. Схема блока питания ноутбука асус. Схема блока питания ноутбука ASUS 19v 3.42a. Схема блока питания ноутбука ASUS 19 вольт. Схемы блоков питания ноутбуков ASUS.

Блок питания леново схема. Lenovo IDEACENTRE b540 cih77s. B540 Lenovo IDEACENTRE схема. Cih77s v1.0. Lenovo Rev:v1.0.

Блок питания леново схема

  • Вперед Комендантский проспект метро карта метро
  • Назад Harley davidson sportster 883

Новые страницы

Билеты в кино в корее

Бланк купли продажи автомобиля образец

Что было на месте тц европейский в москве

Деревянная отделка

Дисторшн схема

Электросхема 2115 инжектор 8 клапанов

График работы фитнес хаус

Инвестирую в ваш проект

Jvc распиновка разъема

Как сделать круглую картинку в канве

Какая разболтовка колес на лада приора

Картинки про зависимость

Картинки с днем рождения женщине и мужчине в один день оригинальные

Классный час великая отечественная война 2 класс с презентацией

Материальное положение семьи в анкете что писать для школы образец

Перо и ручка

Подвижные игры в занятиях спортивными играми

Потолочные карнизы установка

Презентация сценография особый вид художественного творчества безграничное пространство сцены

Рисунок я выбираю спорт

Русский язык 6 класс ладыженская 444

Санкт петербург в 1980 годах

Схемы дровяных печей

Шлифовка рубленного бревна

Сколько люди живут после инфаркта миокарда

Тату кане корсо эскиз

Выполни задание по картинке

Заявление в суд на возврат госпошлины образец

Зеркала ваз 2114 нового образца

Жакеты женские описание схемы

cdn.zecar.ru