Skip to content

Фотогалерея

  • Главная
  • Контакты

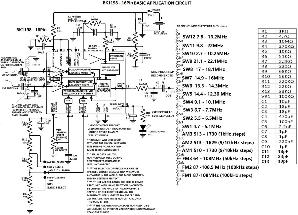
Bk1198 микросхема схема включения

Микросхема bk1198 схема подключения - TouristMaps.ru

Микросхема bk1198 схема подключения - TouristMaps.ru

Микросхема bk1198 схема подключения - TouristMaps.ru

Микросхема bk1198 схема подключения - TouristMaps.ru

Микросхема bk1198 схема подключения - TouristMaps.ru

Микросхема bk1198 схема подключения - TouristMaps.ru

Микросхема bk1198 схема подключения - TouristMaps.ru

Микросхема bk1198 схема подключения - TouristMaps.ru

Очень интересная, но малоизвестная для радиолюбителей микросхема ...

Микросхема bk1198 схема подключения - TouristMaps.ru

Очень интересная, но малоизвестная для радиолюбителей микросхема ...

Очень интересная, но малоизвестная для радиолюбителей микросхема ...

К1401СА1 :: Отечественные микросхемы

Qn8075 схема включения на русском фото - PwCalc.ru

Микросхема DT1641AS. Описание. Схема включения.

Bp2958 схема включения даташит

Микросхема DT1641AS. Описание. Схема включения.

Bk1198 микросхема схема включения. Микросхема BK1198: характеристики и ...

Обои чип, микросхема, схема, процессор на рабочий стол

Ижц5 4 8 схема подключения

Bk1198 микросхема схема включения. Микросхема BK1198: характеристики и ...

Микросхема bk1198 схема подключения - TouristMaps.ru

Бесплатная доставка, 5-10 шт./лот BK1198 sop-16, новая Оригинальная ...

Микросхема bk1198 схема подключения - TouristMaps.ru

Tl431 распиновка

Микросхема bk1198 схема подключения - TouristMaps.ru

Схема китайского приемника – Telegraph

Микросхема bk1198 схема подключения - TouristMaps.ru

ULN2003A Схема включения микросхемы

САМАЯ ПРОСТАЯ СХЕМА Включения / Выключения одной Нефиксируемой кнопк ...

Tp4056 модуль зарядного устройства: схемы подключения и характеристики

Микросхема bk1198 схема подключения - TouristMaps.ru

Микросхема lm2596 схема включения

9435a микросхема схема включения

Светодиодная лампа 12 вольт: подробная инструкция для создания ...

  • Вперед Картинки где люди что то делают
  • Назад Схема оврага

Новые страницы

Атанасян 647

Бородашвили краснодар ресторан

Электрощиты

Федеральное учреждение спорта

Игла картинка для детей

Изобразите параллелепипед abcda1b1c1d1 постройте на рисунке векторы равные b1a cc1 b1c1 ab

Карта партнера на английском языке образец

Клуб винкс

Масса приборной панели ваз 2114

Mediaskin скачать

На рисунке представлена животная клетка б в клетках всех эукариотических организмов имеются лизосомы

Новая каледония

Phoenix contact diode

По данным рисунка 132 найдите координаты векторов ас св ав mn np bm om op

При умножении запятая под запятой

Распиновка эбу дэу матиз 0.8

Решебник старлинг 3 класс

Саки доставка цветов

Сантехник мурино

Схема передачи информации по сотовой связи

Схема рации рпс 2 мф2

Схема самолета boeing 777 300er nordwind

Синусовая тахикардия у беременных лечение

Спортбокс результаты кхл

Спортлото 4 20 проверить билет по номеру

Страховой агент профессия

Ты все сможешь картинки

Установка уголков

Весна горы море

Заключение логопеда для мсэ образец

cdn.zecar.ru