Skip to content

Фотогалерея

  • Главная
  • Контакты

Батареи варта характеристики

Deepcycle батареи, электрический аккумулятор, варта

В Баварии установят аккумуляторные батареи

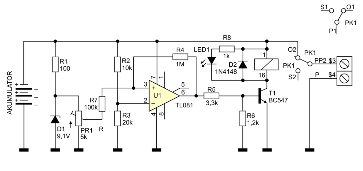
Защита гелевой батареи | HamRadio | Дзен

Квантовые батареи могут заряжаться лучше, нарушая правила причинности ...

Зарядные батареи 3800 - 4800 мАч AA 1.5В для ламп LED. Щелочные батареи ...

Нервы — Батареи: аккорды на гитаре, схема боя, текст песни, разбор для ...

Литиевые батареи INR18650 - 35E мощностью 3500 мАч Электроинструмент ...

Бронеавтомобіль Варта українського виробництва витримав підрив на міні ...

Прорыв в аккумуляторных технологиях: Эти литий-металлические батареи ...

Батареи М-777 как не бывало - YouTube

E-Machines D528 [636/1698] Заряд аккумуляторной батареи

для проверки автомобильного реле батареи купить на Avtoex из Польши в ...

Знак батареи силы иллюстрации батареи вектора иконы 100 взимается ...

Конденсатоотводчик АКО-Е ВАРТА купить в Москве с доставкой по РФ

Каталог складской техники для АКБ Signal Energy

Батарейки типа АА с функцией радиоприемника — купить по низкой цене на ...

Купить Аккумулятор Поставка Варта автомобильный аккумулятор Валь башни ...

Зарядное устройство и зарядные батареи с факелом 3,7v 4800 мАч 18650 ...

Запчасти Тойота: Фильтр батареи (G92DH47070)

Способ заряда аккумуляторной батареи - Автоэлектрика

Lowara LNESH 65-160/15/P45RCS4 Технические характеристики онлайн

Установка подогрева батареи Ниссан Лиф / Тесты в -20 - YouTube

Мощность и долговечность проточных батарей увеличил сахар

Тестер батареи автомобиля er 12V тест батареи er тест емкости батареи ...

KONNWEI BK100 6V 12V Автомобильный тестер батареи BT Тестер нагрузки ...

100% Зарядные литий - ионные батареи Samsung 3.7V 3000mah 18650 30Q 20A ...

Daikin FWD16AATN6V3 [114/167] Технические характеристики

Цифровой манометр Archives - Flowmeter, Liquid Analyzer, Temperature Sensor

Lowara LNES 65-250/22A/P45R CS4 [148/168] E lne e series рабочие ...

Диоды солнечной батареи - Галерея - ВПК.name

Батарейки - Свет и электрика в Уссурийске

НЕ ОЖИДАЛ! ЦЕНА УСТАНОВКИ ОТОПЛЕНИЯ В КВАРТИРЕ В АНТАЛИИ Турция ...

Инвестиции в солнечную энергетику в мире впервые превысят расходы на ...

Как рассчитать емкость аккумулятора для солнечной батареи? | Solar Garden

Определение электрохимической ячейки - teacher-history.ru

  • Вперед Показатели физической культуры и спорта
  • Назад Умывальник элегия

Новые страницы

Батареи варта характеристики

Блюда для фуршета заказать

Болид с2000м

Демонтаж кирпичной кладки

Dota киберспорт

Электронный билет волгоград москва

Где находится магазин спортивного

Где найти заказы на грузоперевозки

Гдз по русскому 6 класс ладыженская 592

Как поднимается кабина на камазе

Как пользоваться тренажером смита

Как поменять салонный фильтр в калине

Как заниматься спортом и не бросать

Какие изменения географического рисунка хозяйства европы могут произойти в перспективе

Карта трц макси тула

Картинки с днем рождения снохе красивые от свекрови

Монтажная планка для панелей пвх

План сказки лягушка путешественница с картинками

Поясная сумка крючком схемы

Пушкин без прикрас описывает народные беды

Рынок москва схема рядов

Ритуальные услуги городец

Схема отпугивателя птиц своими руками

Схема психологического портрета

Схема синтеза белка

Схема яблочки 1хбет

Сказка о мертвой царевне и о семи богатырях читать текст полностью с картинками

Сп открытые плоскостные физкультурно спортивные сооружения

Трусы пуш ап для увеличения ягодиц купить

Wi fi авторизация по смс

cdn.zecar.ru