Skip to content

Фотогалерея

  • Главная
  • Контакты

Avr910

avr910

AVR910

avr910

AVR910 Complete In-System Programming Solution Application Circuit for ...

CHINA SMD USB ASP AVR Programmer for ATMEL Processors, For Electronics ...

AVR-Projekte / A910 - USB Programmer

Atmel AVR Serial Programmer

Программатор Громова и AVR910 своими руками - YouTube

CodeVisionAVR Chip Programmer

Programmer AVR910 USB Prolific

AVR910 USB step by step instructions for assembly - GreenChip.com.ua

Arduino AVR In System Programmer

USB программатор AVR микроконтроллеров | Библиотека устройств на ...

AVR USB Programmer - www.billy.gr

USB AVR BOX II STK500v2+JTAG ICE+AVR910+GEN+RS232 - 5084955030 ...

USB AVR910 Downloader ~ Programing and Microcontroller

Atmel AVR-ISP(AVR910)

AVRライタの製作

AVR-Projekte / A910 - USB Programmer

USB программатор AVR-910 - Страница 21 - Технический форум

Мультиметр avr

Программатор для AVR usb. (AVR910 своими руками) - YouTube

AVr ProgrAMMer using AVr910 Protocol SUNIL KUMAR

Programmer AVR910 USB Prolific

Atmel AVR ISP Microcontroller Programmer Project | ermicroblog

(PDF) AVR Programmer Using AVR910 Protocol

CodeVisionAVR ANSI C Compiler for Microchip AVR microcontrollers

PROGRAMATOR AVR USB + PODSTAWKA+STK500+AVR910+GEN - 6712476255 ...

How To Make Universal AVR Programmer

USB AVR910 Downloader ~ Programing and Microcontroller

Programmer AVR910 USB Prolific

PROGRAMATOR AVR USB + PODSTAWKA+STK500+AVR910+GEN - 6712476255 ...

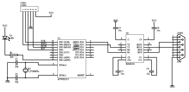
Схема Программатора Avr910 - servicmidnight

USB AVR BOX II STK500v2+JTAG ICE+AVR910+GEN+RS232 - 5084955030 ...

USB AVR BOX II STK500v2+JTAG ICE+AVR910+GEN+RS232 - 5084955030 ...

  • Вперед Лос анджелес сити
  • Назад Дом в славянском стиле из кирпича

Новые страницы

Avr910

Д з по математике 3 класс дорофеев

Дизайн квартир в домах п44т

Гдз 5 класс по

Как подключить магнитолу к мультирулю

Книга королевская битва

Кредитные карты тинькофф банка для физических лиц

Крупная спортивная девушка

Лаппеенранта финляндия

Математика 4 класс упр 206

Может ли спортсмен отказаться от допинг

Наказания раскольникова

Наставничество в спортивной школе

Образец договора лизинга автомобиля

Образец справки личного характера

Покраска кожи на руле

Прямоугольный треугольник по гипотенузе и острому углу

Расход ниссан икстрейл

Расписка при дтп об отсутствии претензий и передаче денежных средств образец

Ремонт телефонов в бердске

Рисунки к произведению остров сокровищ

Схема глюконеогенеза биохимия

Схемы кофточки 1 года

Скрежет тормозных колодок при торможении

Современные ремонты в квартирах

Спорт шик фото

Тачки 3 смотреть мультик

Требования к кандидату на работу образец

Вентиляторы вытяжные с обратным клапаном

Заменить трос ручника

cdn.zecar.ru