Skip to content

Фотогалерея

  • Главная
  • Контакты

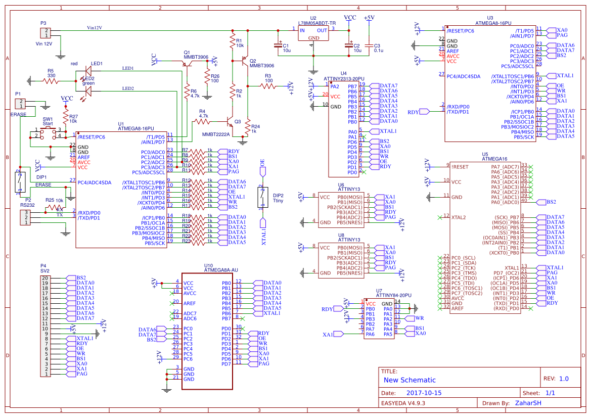
Atmega fusebit doctor

Davide Gironi blog: my Atmega fusebit doctor

Atmega fusebits doctor - EasyEDA open source hardware lab

Hacktuber: Atmega fusebit doctor

Логический анализатор , Atmega fusebit doctor, STK500

Atmega8 AVR fuse Doctor - Видео по шагам: Очумелые ручки на brodovoe.ru

Davide Gironi: my Atmega fusebit doctor

Atmega Fusebit AVR Doctor - Sklep, Opinie, Cena w Allegro.pl

SQ5EKU: Atmega fusebit doctor

Jual AVR ATmega Fusebit Doctor

Atmega Fusebit Doctor купить в Керчи цена 1800 Р на DIRECTLOT.RU ...

AVR Atmega Fusebit Doctor (HVPP)

Atmega fusebit doctor 200лей

Програматор Atmega FuseBit Doctor виправляє AVR фюзи | Від 199 грн/шт ...

Atmega fusebit doctor 200лей

Jual pcb atmega fusebit doctor | Shopee Indonesia

Atmega Fusebit Doctor - Продам-Отдам, Услуги - Форум по радиоэлектронике

Atmega fusebit doctor komunikáció PC-vel. Hogyan? Help! | Elektrotanya

Atmega fusebit doctor komunikáció PC-vel. Hogyan? Help! | Elektrotanya

Atmega fusebit doctor komunikáció PC-vel. Hogyan? Help! | Elektrotanya

Atmega Fusebit Doctor - Продам-Отдам, Услуги - Форум по радиоэлектронике

Atmega fusebit doctor | Доктор фьюзов

AtMega fusebit doctor - восстанавливаем фьюзы микроконтроллеров ...

Відновлення ф'юзів мікроконтролерів AVR - Atmega Fusebit Doctor

Atmega Fusebit Doctor купить в Керчи цена 1300 Р на DIRECTLOT.RU ...

Изображение

BIGBEN Mobile Blog: Исправляем AVR фьюзы при помощи «Atmega fusebit ...

Atmega fusebit doctor

Jual AVR Fusebit Doctor Atmega Attiny Arduino HVSP HVPP Repair Tools ...

Atmega Fusebit Doctor - Продам-Отдам, Услуги - Форум по радиоэлектронике

059-Исправляем AVR фьюзы при помощи «Atmega fusebit doctor». — GetChip.net

Atmega Fusebit Doctor (HVPP + HVSP) - fix fusebits - 12

Програматор Atmega fusebit doctor Фьюздоктор V2e, друкована плата для ...

Atmega Fusebit Doctor - YouTube

Atmega fusebit doctor komunikáció PC-vel. Hogyan? Help! | Elektrotanya

Доктор фьюзов «Atmega fusebit doctor». - Микроконтроллеры - Схемы на МК ...

  • Вперед Курорты на озере байкал цены
  • Назад Сиреневый качественное или относительное

Новые страницы

Арканоид

Atmega fusebit doctor

Автосервис тольятти автозаводский

Джилекс 255 11 фн

E13009l транзистор характеристики

Электронные открытки

Эмалированная мойка

Гдз история россии 6 класс параграф 18

Гдз по английскому языку 7 класс стр 82 упр 3

Гдз по русскому 2 класс 2 часть упр 170

Как снять аккумулятор на туареге

Какой обычай упоминает пушкин

Карта сведений об объекте учета имущества образец

Картинки для аватарки аниме для мальчиков

Корпус кт 46

Красивые поздравления с днем рождения женщине в картинках и со словами

Лампа 6н1п

Остеопороз симптомы лечение

Печень трески пять морей

План проекта образец для школьника 7 класс

Показать карту украины крупным планом по областям на русском языке с городами взятыми под контроль

Положение о доске почета предприятия образец скачать

Председатель комитета спорта

Радиоактивный йод лечение щитовидки последствия

Репортаж детская спортивная школа 7

Савеловский вокзал схема вокзала

Снятие стартера ваз 2105

Спортивный манеж арсенал

Тойота прадо в брянске

Заборы для частного дома из кирпича и ковки

cdn.zecar.ru