Skip to content

Фотогалерея

  • Главная
  • Контакты

At2005b схема

Service manual : SMPS ATX D datasheet.pdf, DATASHEET manual preview

Download Joomla Fabrik User Manual free - piratebaymyown

variable atx power supply | All About Circuits

Hardware - PC zdroje

AT and ATX PC computer supplies schematics

Looking for a software for designing electronic circuits : AskElectronics

AT2005B ATX DATASHEET Service Manual download, schematics, eeprom ...

3pcs/lot AT2005B 2005B AT2005 DIP-in Integrated Circuits from ...

Datasheet ETX-2 | Manualzz

At2005b схема

At2005b схема

Yamaha a1000 схема - 85 фото

Njm4556al схема включения - 84 фото

Cx2812 схема фонарика

Схема вай фай адаптера - 83 фото

电源控制芯片PLC810PG - 家电维修资料网

电源控制芯片HIP6302 - 家电维修资料网

Электрическая схема мотоцикла МИНСК ММВЗ-3.115

电源电路设计的10个注意事项

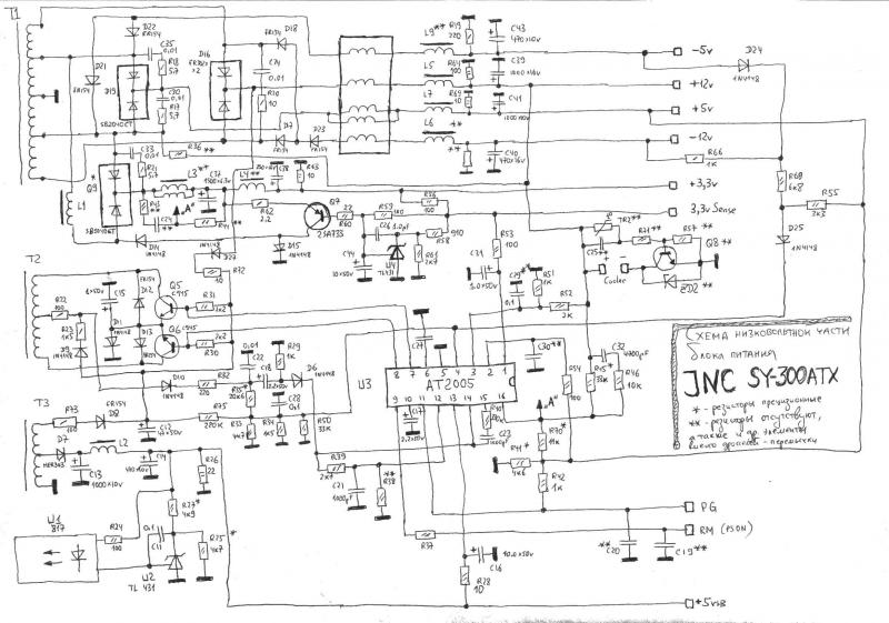
Схема at2005b

DC 电源 FB典型 电路 - 电源论坛

1元1W的全日系电容电源——海韵 CORE GX-650电源拆解见真章 - 知乎

Блок схема инфографики PNG , информационная таблица, блок схема, Опции ...

At2005b схема блока питания переделка в лабораторный

At2005b схема блока питания переделка в лабораторный

At2005b схема блока питания

At2005b схема блока питания переделка в лабораторный

Схема блока питания at2005b

Схема блока питания at2005b

Tool Electric: Схема сварочного аппарата Ресанта САИ 250

Казахстанский компьютерный портал - Статьи: Golden Field ATX-420WB&P4 ...

【应用】USB PD控制芯片CS32G020用于USB PD3.0移动电源控制电路,实现快充

一种车载开关电源的设计-国际金属加工网

Wt7520 схема блока питания - Вместе мастерим

At2005b схема блока питания • Вэб-шпаргалка для интернет предпринимателей!

  • Вперед Как облегчить колики у новорожденного
  • Назад Схема отопления настенного котла

Новые страницы

5554

Английский 2 класс учебник стр 27

Эра глонасс кнопка сос

Гдз по геометрии 8 класс номер 557

Гдз по математике 6 класс номер 1012

Ио 409 12

История 7 класс арсентьев 2 часть

Как самостоятельно разбортировать колесо

Какие налоги предусмотрены налоговым кодексом

Какой федеральный проект включен в структуру национального проекта образование

Карта архангельска со спутника в хорошем качестве в реальном времени

Карта дары кавказа фс 15 последняя версия

Карта осадков марий эл в реальном времени онлайн

Кембрик пвх

Компакт бачок

Конный спорт для детей

Курник технологическая карта

L тирозин

Обособление это интонационное и смысловое выделение

Определить спряжение глагола таять

Потеет крышка багажника изнутри

Пусть жизнь будет наполнена яркими красками интересными событиями картинки

Разрешено ли в украине двойное гражданство

Ремонт ноутбуков купчино

Схема калина 2

Словарный портрет

Свисток морфемный разбор

Универсальный многоуровневый сборник задач 7 9 статистика вероятность высоцкий ященко

Урду язык

Вой раздатки нива шевроле

cdn.zecar.ru