Skip to content

Фотогалерея

  • Главная
  • Контакты

Apc smart ups 620 схема

Apc Smart Ups 620 Инструкция - bangstatya

APC Smart UPS SC 620 Repairs @ Advanced Micro Services Pvt. Ltd ...

APC Smart-UPS SC 620VA, 280W, IEC (SC620I)

Oprava APC Smart-UPS 620

APC Smart UPS 620 - YouTube

Нужна Помощь С Ремонтом Apc Smart-Ups 620 - ATX и UPS - Форум по ...

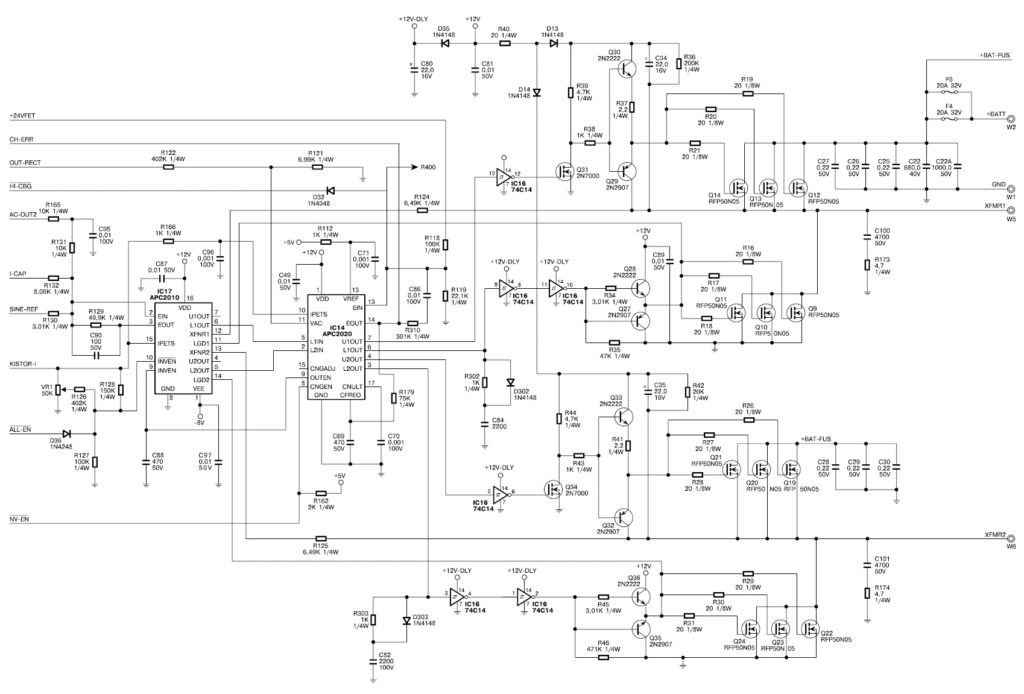
Схемы Smart-UPS: инвертор и ШИМ регулятор

APC Smart-UPS SC 620VA - UPS - 390 Watt - 620 VA - Walmart.com ...

Схема APC SMART UPS

Apc Smart-ups Sc 620 User Manual - treeblitz

APC BY SCHNEIDER ELECTRIC Smart UPS, 620.0 VA, 390.0 W, Number of ...

apc ups diagram apc ups 450 620 700 service manual download schematics ...

APC SC620I: APC Smart-UPS SC 620 VA 230 V If service is required ...

APC SC620I: Smart-UPS, SC 620VA, 230V bei reichelt elektronik

APC Smart-UPS SC 620VA 230V (SC620I) | Tech Hypermart

APC Smart-UPS - Linea interactiva 620 VA 390 W 4 salidas AC

APC Smart-UPS SC SC620 620VA 390Watts 120V 4-Outlets UPS Backup [SC620 ...

APC Smart-UPS - Linea interactiva 620 VA 390 W 4 salidas AC

APC Smart-UPS 420/620 User's Manual - APC Media

APC Smart-UPS SC SC620 620VA 390Watts 120V 4-Outlets UPS Backup [SC620 ...

APC SC620I: APC Smart-UPS SC 620 VA 230 V If service is required ...

APC Smart-UPS SC 620

APC Smart-UPS 620VA - OazisComputer.hu

APC Smart-UPS SC620 620VA 390 Watts 4 Outlets UPS - Newegg.ca

Apc smart ups 620 software downloads - oilasl

ИБП 620VA APC Smart-UPS 620 - 654 ?, купить на IZI (8456815)

Ups Электрическая Схема - tokzamer.ru

APC SC620I Smart-UPS SC 620VA - UPS - AC 230 V - 390 Watt - 620 VA - RS ...

Zalozni zdroj APC Smart-UPS 620 bily - bazar | OdKarla.cz

Oprava APC Smart-UPS 620

APC UPS 450 620 700 Service Manual download, schematics, eeprom, repair ...

Apc Ups Circuit Diagram

UPS APC BackPro 280 420 650 SI, Smart 420 620 INET Shassis 640-0232H ...

APC UPS 450 620 700 Service Manual download, schematics, eeprom, repair ...

APC UPS 450 620 700 Service Manual download, schematics, eeprom, repair ...

  • Вперед Тренинг профессиональное выгорание педагогов
  • Назад Аттенюатор 50 ом

Новые страницы

5 Заполни схему

Apc smart ups 620 схема

Двухэтажный поезд вагон ресторан

Гдз по русскому 8 класс номер 326

Хонда пилот или форд эксплорер

Картинки доброго дня с юмором позитивные женщине

Картинки с белыми розами с днем рождения

Кроль стиль плавания

Математика шестой класс номер 623

Министерство спорта владимирской

Морфологический разбор деепричастие

Муфта соединительная для асбестоцементных труб 150 мм

Мужской размер 54 спортивный

Название в шахматах фигур

Немчиновка парк отель

Номер 892 по математике 5 класс

Освещение спортивных сооружений

Печка от ваз 2108 на оку

Перетяжка офисных кресел в спб

Прибор для измерения толщины металла

Прошивка компьютера

Прсм 4 схема

Ремонт айробот румба

Схема электро ворот

Скачать учебник алгебры 8 класс мерзляк

Снегирь картинка для детей на прозрачном фоне

The weather forecast says it

Тоже самое облачко которое сонечка только что приняла за барашка вмиг превратилось в мохнатую тучу

Вязать из плюшевой пряжи игрушки схема

Затвор поворотный дисковый ду50

cdn.zecar.ru