Skip to content

Фотогалерея

  • Главная
  • Контакты

Ap8012 datasheet

电源管理芯片AP8012 - 家电维修资料网

AP8012 datasheet(2/11 Pages) AITSEMI | LOW STANDBY-POWER OFF-LINE PWM ...

AP8012 CHIPOWN Integrated Circuits (ICs) - Jotrin Electronics

AP8012 Datasheet - PWM Controller - AiT Semiconductor

AP8012 datasheet(6/11 Pages) AITSEMI | LOW STANDBY-POWER OFF-LINE PWM ...

AP8012_5385622.PDF Datasheet Download --- IC-ON-LINE

AP8012 datasheet(5/11 Pages) AITSEMI | LOW STANDBY-POWER OFF-LINE PWM ...

AP8012 Datasheet PDF - Unspecified

AP8012 datasheet(1/11 Pages) AITSEMI | LOW STANDBY-POWER OFF-LINE PWM ...

AP8012 datasheet(3/11 Pages) AITSEMI | LOW STANDBY-POWER OFF-LINE PWM ...

ap8012电路图,p1014ap10应用电路图,ob12ap应用电路图(第2页)_大山谷图库

AP8012 datasheet(7/11 Pages) AITSEMI | LOW STANDBY-POWER OFF-LINE PWM ...

Resultado de imagem para datasheet AP8012 | Diagram, Chart, Line chart

ap8012电路图,p1014ap10应用电路图,ob12ap应用电路图(第2页)_大山谷图库

Ap8012 datasheet pdf ( даташит ) - ait semiconductor

Купить в Старом Осколе AP8012 ШИМ контроллер 8012 DIP-8 АР8012 PWM

Схема 01

Ap8012 datasheet pdf ( даташит ) - ait semiconductor

VIPER12A SMPS Buck Regulator IC Pinout, Datasheet, Features, 56% OFF

VIPER12A SMPS Buck Regulator IC Pinout, Datasheet, Features, 56% OFF

AP8012 CHIPOWN Integrated Circuits (ICs) - Jotrin Electronics

AP8012 AP8012C 8012 IC Nguồn DIP-8

AP8012 SOP-8

AP8012_5385623.PDF Datasheet Download --- IC-ON-LINE

AP8012 AP8012C 8012 IC Nguồn DIP-8

AP8012 AP8012C 8012 IC Nguồn DIP-8

AP8012 OFF Line SMPS Primary Switcher Power Management IC Price in ...

AP8012C, AP8012 IC Nguồn SOP-8

AP8012C, AP8012 IC Nguồn SOP-8

全新 AP8012电源管理芯片IC直插DIP8可直拍_虎窝淘

Jual Ap8012h Ap8012 Power AP 8012 | Shopee Indonesia

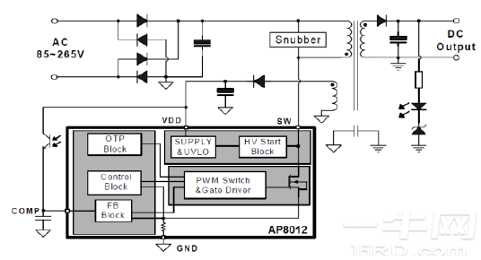
创瑞科技AP8012 AC-DC低待机功率离线PWM转换器85V~265V datasheet-一牛网论坛

Ap8012 datasheet pdf ( даташит ) - ait semiconductor

供应AP8012电源IC_电子元器件_维库仪器仪表网

AP8012 AP8012H AP8022H电磁炉电源芯片IC直插DIP-8全新原装_虎窝淘

  • Вперед Solve the political puzzle
  • Назад Карат 2н

Новые страницы

550 Русский язык

635 Геометрия

Аммоний молибденовокислый

Ap8012 datasheet

Человек занимающийся физической культурой спортом

Чем отмыть герметик с фары

Dior туалетная вода dior homme sport цены

Допуски api

Экономическое содержание собственности план егэ

Главклуб москва

Характеристика на награждение экономиста образец примеры

Инструкция 808

Клуб хамелеон в москве

Корни у березы глубина и длина схема

Красные пятна на коже головы под волосами

Манжет для унитаза

Музыка для занятий спортом

Неисправности датчика коленвала ваз 2114

Обозначение схем тип и вид

Он порча он чума

Отделочные работы гипсокартоном

Письмо о праздничных днях образец

Презентация сочинение рассуждение 6 класс ладыженская

Принципиальная электрическая схема автомагнитолы

Приспособительные признаки синица

Состав и материальное положение семьи анкета призывника образец заполнения

Спишите предложения подчеркивая местоимения к какому разряду относится каждое из них

Спортмастер одинцова

Трехуровневое реле заряда

Звуковая схема слова утка

cdn.zecar.ru