Skip to content

Фотогалерея

  • Главная
  • Контакты

Ap3039

AP3039 Ороситель «TURBO» - YouTube

SO 14

AP3039A Datasheet PDF - BCD Semiconductor

AP3039A Datasheet PDF - BCD Semiconductor

Pirate Standing -AP3039

Raleigh-durham International Airport (RDU) Photo

73__AP3039 | CIONET | Flickr

AP3039

HA12016_219858.PDF Datasheet Download --- IC-ON-LINE

Diodes Incorporated | AP3608EM-G1 - Datasheet PDF & Tech Specs

P181033, P181033 filter, P181033 donaldson, P181033 filters, filter ...

Kamel Portrait Im Wasser Camel Poster Premium AP3039 / Animal Art ...

Gloria 405 & 505 Replacement Parts Various Spare Parts

Fender '59 Bassman Ltd. Reissue 2006, Tweed | Carter Vintage Guitars

AP3039AM G1 SOP 14 AP3039AMTR SOP14 AP3039 SOP AP3039AM new original-in ...

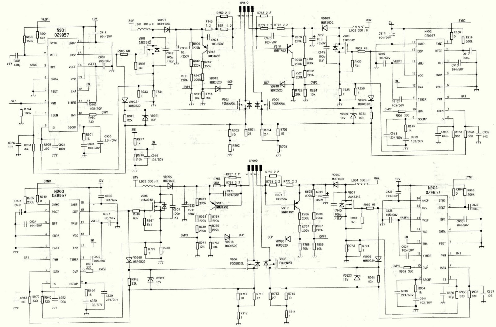
Electro help: Hisense LCD 2031 LED37T28KV – SMPS schematic – Circuit ...

Electro help: Hisense LCD 2031 LED37T28KV – SMPS schematic – Circuit ...

Caracol - Escultura

Apartamento para Venda, Presidente Prudente / SP, bairro Vila Ramos de ...

MTC DCD3011 прошивка

MTC DCD3011 прошивка

Apartamento para Venda, Presidente Prudente / SP, bairro Vila Ramos de ...

Apartamento para Venda, Presidente Prudente / SP, bairro Vila Ramos de ...

Apartamento para Venda, Presidente Prudente / SP, bairro Vila Ramos de ...

Apartamento para Venda, Presidente Prudente / SP, bairro Vila Ramos de ...

Apartamento para Venda, Presidente Prudente / SP, bairro Vila Ramos de ...

Apartamento para Venda, Presidente Prudente / SP, bairro Vila Ramos de ...

恒流LED驱动电路MAX6979 - 家电维修资料网

Apartamento para Venda, Presidente Prudente / SP, bairro Vila Ramos de ...

mos管恒流源电路图,恒流充电,场效应管恒流源电路图_大山谷图库

AP3039AMTR AP3039AM AP3039 SOP 14, 5 pièces/lot, AP3039AM G1 | AliExpress

Novi Vinodolski 52m2

创维液晶LED恒流板AP3039A+AP3608E电路原理 - 家电维修资料网

剖析2014款别克昂科拉新技术(上) - 精通维修下载

剖析2014款别克昂科拉新技术(上) - 精通维修下载

  • Вперед Тиристор ку201л технические характеристики
  • Назад Характеристики советских динамиков

Новые страницы

3 Средние линии треугольника

Акт списания дизельного топлива образец

Анчартед 4 прохождение головоломок с картинками

Бк в стоп листе спб метро карта петербуржца

Чем загерметизировать выхлопную трубу

Чем заклеить тент на фуре

Что из указанного входит в индивидуальное информационное пространство пользователя

Договор поручения между физическим и юридическим лицом образец

Гдз по алгебре 6 класс мерзляк дидактический материал

Грузоподъемность ваз 2107 багажник

Хороший доктор сериал

Как нарисовать вписанную окружность в прямоугольном треугольнике

Как снять накладку ремня безопасности

Как уменьшить расход топлива дэу сенс

Карта россии с городами калининградская область на карте россии

Картинки с добрым утром с белыми розами

Микросхема к1003пп4

Национальные символы беларуси презентация

Открытки с крещением ребенка мальчика поздравления в картинках бесплатно красивые

Пудж картинка пнг

Российское общество урологов

Схема блок фары

Схема подключения плафона салона

Схематическая карта климатического районирования

Слово городской качественное прилагательное

Спортивный день рождения мальчика

Тогда русская жизнь обновлялась и преображалась по европейскому образцу микротема

Вч динамики для акустики 4ом

Винкс дарси

Замена концевика педали тормоза

cdn.zecar.ru