Skip to content

Фотогалерея

  • Главная
  • Контакты

An7205

AN7205 - YouTube

ARNETTE AN7205 1216 Square Tie-Dye Grey Demo Lens 54 mm Men's ...

Amplifier Ic

Zayn x ARNETTE AN7205 Type Z Solid Blue Demo Lens 52 mm Men's ...

AN7205 Integrated Circuit - CASE: SIP9 MAKE: Panasonic | eBay

AN7205 Integrated Circuit - CASE: SIP9 MAKE: Panasonic | eBay

AN7205 Integrated Circuit - CASE: SIP9 MAKE: Panasonic | eBay

ARNETTE AN7205 1216 Square Tie-Dye Grey Demo Lens 52 mm Men's ...

20m - PA7MU

Arnette AN7205 - Type Z Eyeglasses | FramesDirect.com

20m - PA7MU

AN7298 Datasheet PDF - Panasonic Semiconductor

AN7218 Circuit Datasheet, Distribuidor, stock y mejor precio

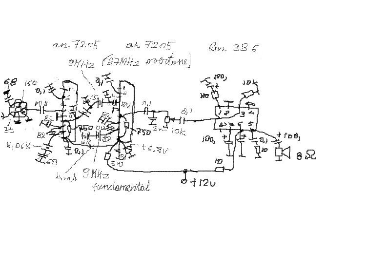
LY3LP laboratory: AN7205 14Mhz TRX

ARNETTE AN7205 Type Z - Square Tie Dye Gray Frame Eyeglasses ...

LY3LP laboratory: LM386+AN7205 simple 14Mhz receiver

AN725 Silicon Laboratories TECHNIQUES, Hoja de datos, Ficha técnica ...

ARNETTE AN7205 Type Z - Square Matte Black Frame Eyeglasses | Eyebuydirect

Arnette Type Z AN7205-54 Glasses | Clearly

Schematic Diagrams: PANASONIC RX CS720 AND TEAC A 6100 – CIRCUIT ...

AN7220 Radio Chip & Circuit

AN7205 datasheet(2/3 Pages) PANASONIC | FM FRONT-END CIRCUIT FOR RADIOS ...

Zayn Arnette | ppgbbe.intranet.biologia.ufrj.br

Free shipping 20pcs/lot AN7205 7205 IC best quality.-in Integrated ...

AN7205 datasheet(3/3 Pages) PANASONIC | FM FRONT-END CIRCUIT FOR RADIOS ...

AN720 datasheet(17/28 Pages) SILABS | PRECISION32??OPTIMIZATION ...

Eyeglasses Arnette Type z AN 7205 (1219) AN7205 Man | Free Shipping ...

Микросхема an7205 схема включения

AN7205S_219031.PDF Datasheet Download --- IC-ON-LINE

Jual IC AN7205 Matsusitha | Shopee Indonesia

KBPC2508_4778279.PDF Datasheet Download --- IC-ON-LINE

Transistor Tip3055 & Tip2955 NPN Silicon Power Transistor | ..:: MUFARI ...

Микросхема AN7205

Схема включения an7205

Схема включения an7205

  • Вперед Завод альфа
  • Назад Гвэ русский язык 9 класс 2024 тренировочные

Новые страницы

Английский в фокусе 8 класс тренировочные

Бизнес на море

Декларация усн доходы минус расходы образец

Где можно настроить навигатор

Гдз по английскому афанасьева 7 класс учебник 2 часть

Инженер по охране труда

Как снять распредвал матиз

Карта псковской области с городами и поселками подробная с дорогами и деревнями

Лукашик физика 8 класс учебник

Махи махи рыба

Мини тренировки

Образец безвозмездного договора на оказание услуг

Образец характеристики с места работы для суда по детям

Олимпийские чемпионы по спортивной гимнастике

Отель токио

Pal ntsc в чем разница для камеры

Перевод noble

План сказки стойкий оловянный солдатик план

Подписать упд по доверенности образец

Протокол допроса обвиняемого образец заполненный кража

Р 163 50у

Русский язык третий класс упражнение 213

С днем рождения галина васильевна картинки красивые

Схема датчиков акпп

Схема сонной артерии

Составить предложения по схемам 3 класс русский язык

Составьте диалог в котором были бы уместно использованы неполные предложения с пропуском подлежащего

Спорт результаты хоккея

Трудовой договор тракториста образец

Ваза генератор схема

cdn.zecar.ru