Skip to content

Фотогалерея

  • Главная
  • Контакты

Adg774

Looking for AD chip, the same as FST3125MX - Q&A - Switches ...

Смеситель Ключевой На Adg774 - armarsenal

ADG774 Datasheet PDF - CMOS 3 V/5 V/ Wide Bandwidth Quad 2:1 Mux

ADG774 datasheet(1/8 Pages) AD | CMOS 3 V/5 V, Wide Bandwidth Quad 2:1 Mux

Смеситель Ключевой На Adg774 - linkurteam

ADG774 Datasheet and Product Info | Analog Devices

ADG419BRZ SOP 8 ADG419 멀티플렉스 칩 IC 집적 회로 신개념, 브랜드 뉴 오리지널| | - AliExpress

a CMOS 3 V/5 V, Wide Bandwidth Quad 2:1 Mux ADG774

2 PCS ADG774BRQ SSOP-16 ADG774 BRQ CMOS 3 V/5 V, Wide Bandwidth Quad 2: ...

Module ADG774 ADG774ABRQ ADG774ABRQZ SSOP16 Original authentic and new ...

2Pcs ADG774BRZ ADG774 quality assurance-in Integrated Circuits from ...

10pcs/lot ADG774ABRQZ ADG774ABRQ ADG774 SSOP16|Connectors| - AliExpress

Circuito Integrado Adg774br Adg774 Smd A.devices com o Melhor Preço é ...

揭秘高性能多路复用数据采集系统-电子工程专辑

Декоративная подсветка на основе «гибкого неона» - AD5228, AD654 ...

5pcs Adg774abrqz Adg774abrq Adg774 100%new And Original - Replacement ...

ADG774BRZ-ADG774BR-ADG774-SOP-16.jpg

ADG774BRZ ADG774BR ADG774 SOP16 Original authentic and new Free ...

С. Беленецкий, US5MSQ, В. Кононенко, RA0CCN. Модификация радиоприемника ...

数据转换/信号处理中的高性能多路复用数据采集系统大揭秘 - 将睿

ADG774ABRQZ IC MUXDEMUX QUAD 2X1 16QSOP ADG774ABR Inc 774 ADG774A 774A ...

АМ Приемник на LA1135/TEA6200 - Страница 41 - Форум

มีสินค้า วงจรรวม SOP-16 ADG438FBRZ ADG438FBR ADG438 AD5242 AD5242BR10 ...

Декоративная подсветка на основе «гибкого неона» - AD5228, AD654 ...

Смеситель Ключевой На Adg774 - linkurteam

2N3904 VS 2N2222 NPN Transistor Differences, Specifications, 56% OFF

Page Not Found - Aliexpress.com

揭开高性能多路复用数据采集系统的神秘面纱 | Analog Devices

Смеситель Ключевой На Adg774 - onlineholywrit

Ключевой смеситель на микросхеме ADG774

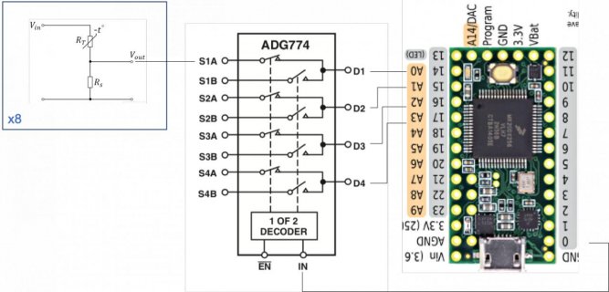
External analog mux | Teensy Forum

2N3904 VS 2N2222 NPN Transistor Differences, Specifications, 56% OFF

Connecting adt7516 Eval board with BeagleBone Green | by Shreeya Patel ...

Смеситель Ключевой На Adg774 - armarsenal

Looking for model ADG774BRZ for Multisim 14 - Q&A - Switches ...

  • Вперед Блок схема алгоритма квадратного уравнения
  • Назад Портативное зу схема

Новые страницы

Английский язык 2 класс учебник 2 часть просвещение

Авито телефоны дмитров

Белая река адыгея

Гдз по физике 8 класс кирик задачник

Гдз по математике страница 74 номер 295

Given verbs

График работы водителей образец

Индия много людей

Кайнозойская эра животные рисунки

Как измерить разболтовку колеса

Как запатентовать изобретение

Карта атласа мира

Конденсатор cbb22 маркировка

Красноярский театр юного зрителя

Обучение спортивной технике

Площадь васнецова орск

Подарок маме на день рождения идеи

Промывка форсунок на стенде челябинск

Протокол о личном досмотре образец

С днем рождения эмма картинки красивые с пожеланиями

Самсунг гелакси с20

Схема т москва

Smpbank ru личный кабинет

Спишите предложения с последовательным подчинением расставляя пропущенные знаки препинания

Стук когда отпускаешь сцепление

Техника фриформ крючком для начинающих схемы с подробным описанием

Укладка праздничная

Водомет джилекс отзывы

Заказать индивидуальный проект

Замена краника печки нива

cdn.zecar.ru