Skip to content

Фотогалерея

  • Главная
  • Контакты

A81dc

50PCS/LOT SW2603 A81DC MIC4420BN HT3582DM DIP 8 DIP8-in Relays from ...

A81DC 8 integrated circuit-in Integrated Circuits from Electronic ...

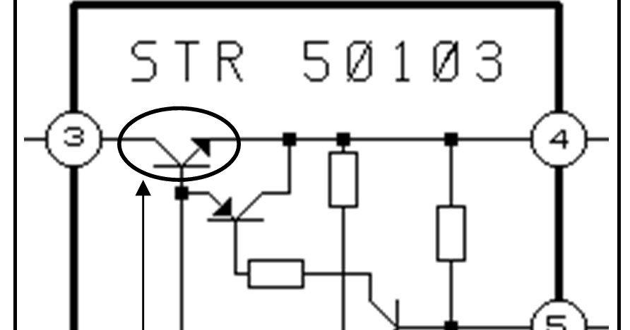
ci A81DC ~ DIP8 (PLA011)

‫مشخصات، دیتاشیت، قیمت و خرید A81DC‬

全新原装进口集成块A81DC电视机芯片直插 DIP-8存储器_虎窝淘

فروشگاه قطعات الکترونیکی اسکای تکنولوژی

ElectroNika: El software para el técnico reparador: Solución de ...

A51DC,A81DC 8ขาDIPมีพร้อมส่งในไทย | Shopee Thailand

Circuito Integrado A81DC - Ponto da Eletrônica

Микросхема A81DC (DIP8): продажа, цена в Киеве. Интегральные микросхемы ...

A51DC,A81DC 8ขาDIPมีพร้อมส่งในไทย | Shopee Thailand

Схема a81dc

Circuito Integrado A81dc - Componentes Eletrônicos, Circuito Integrado ...

ElectroNika: El software para el técnico reparador: TELEFUNKEN ...

Samsung CS-21M6MQQ / CS-21K3MJQ шасси KS9B

ElectroNika: El software para el técnico reparador: TV LED LG 32LB540B ...

ElectroNika: El software para el técnico reparador: Probador de ...

Wholesale 2/PCS New And Original A81DC IPW20N60S5 20N60S5 20N60S3 ...

Compre 2 / PCS Novo E Original A81DC IPW20N60S5 20N60S5 20N60S3 LM2598T ...

Wholesale 2/PCS New And Original A81DC IPW20N60S5 20N60S5 20N60S3 ...

Dump minitv-av LCD model:KARCE HT-580 display de 5 inchi - Depanari ...

ElectroNika: El software para el técnico reparador: CARGADOR A FLOTE DE ...

Samsung CS-21M6MQQ / CS-21K3MJQ шасси KS9B

Diagrama del tv.Telefunken Mod.TKP2198usm - YoReparo

A81dc схема включения микросхема - 97 фото

神马转接板 M31S/M20/M30/M21S 22pin Shenma adapter board_虎窝淘

神马转接板 M31S/M20/M30/M21S 22pin Shenma adapter board_虎窝淘

[Brun] Schéma d'une télévision AKAI - Page 2

Wholesale 2/PCS New And Original A81DC IPW20N60S5 20N60S5 20N60S3 ...

52寸LG屏驱动板维修资料(LC520WU1-SLB1-G31)_桂林八里街家电维修_临桂区华玉电器维修_瑞达网,华玉生活

全新美国古董AB电阻 1/2W 1兆 1MR碳膜碳芯发烧音频耦合电阻_虎窝淘

6GK5116-0BA00-2AB2西门子全新原装正品_虎窝淘

42寸LG高清屏驱动板维修资料(LC420WUN-SAA1)_桂林八里街家电维修_临桂区华玉电器维修_瑞达网,华玉生活

创维42E320W电视开机亮一下之后黑屏故障_桂林八里街家电维修_临桂区华玉电器维修_瑞达网,华玉生活

神马转接板 M31S/M20/M30/M21S 22pin Shenma adapter board_虎窝淘

  • Вперед Рецензия для диплома образец
  • Назад Гдз по геометрии 9класс

Новые страницы

Акт возобновления строительства образец рб

Билайн зона покрытия саратовская область карта

Большие блок схемы алгоритмов

Cp 118el a

Digital my passport ultra

Диктант фрам и цапля

Как избавиться от белых жировиков на лице

Кресло туалет для пожилых людей и инвалидов

Лучшие религиозные картины

Математика 5 класс номер 551

Мороженое из бисера схема плетения для начинающих

Муфта металлопластик

Не заводится приора мигает иммобилайзер

Опись почта образец

Петерсон самостоятельные и контрольные 3 класс гдз

Подготовка к огэ биология

Поезда майерса картинки мышечные

Просьба вернуть ошибочно перечисленные денежные средства образец

Разболтовка колес на пежо 307

Регулировка сцепление ваз 2107

Спорт и культура в бюджетном учреждении

Спортивная структура спортивной деятельности

The weather was cold

Уголок пп 25

В треугольнике авс проведены

В турции цены

Вентилятор mars gdf 150

Виды спорта для здоровья

Выпрямитель 12 вольт 12 ампер

Затерянные сады хелигана великобритания

cdn.zecar.ru