Skip to content

Фотогалерея

  • Главная
  • Контакты

A1050 c datasheet

A1040/C NXP Integrated Circuits (ICs) - Jotrin Electronics

NXP A1050/C - 电子发烧友网

Canbus transceiver A1050/c – Get Electronic NZ

Business & Industrial 10X TJA1050T/CM A1050/C 1050/C TJA1050 High speed ...

74LVC1G08GV datasheet(11/19 Pages) NXP | Single 2-input AND gate

NPN Transistor C1815 GR331 50V 150mA 80MHz 400mW TO-92 - OTRONIC

A1050/C 芯片 封装SOP8 TJA1050 贴片高速CAN总线收发器 IC集成块_慢享旅行

A1050/C Circuits intégrés Can Transceiver Smd SOP-8

A1050/C 芯片 封装SOP8 TJA1050 贴片高速CAN总线收发器 IC集成块_慢享旅行

A1050/C 芯片 封装SOP8 TJA1050 贴片高速CAN总线收发器 IC集成块_慢享旅行

A1050/C (TJA1050T) приемопередатчик >> недорого купить

Business & Industrial 10X TJA1050T/CM A1050/C 1050/C TJA1050 High speed ...

【アルミ合金】A1050とは?純アルミ系の合金A1050の特徴や性質を解説 | モノキソ│機械加工&ものづくりの基礎知識

Nxp Ic - A1050-c Ic Can Transceiver, Smd Soic-8 [Nxp] - £6.96 ...

如何根据can芯片手册计算最低波特率,一NXP A1050/C为例

A1050/C 芯片 封装SOP8 TJA1050 贴片高速CAN总线收发器 IC集成块_慢享旅行

ASTM - USA || Resources || Gravity Group of Companies

TJA1050T/CM SOIC-8 贴片A1050/C CAN接口收发器 IC芯片

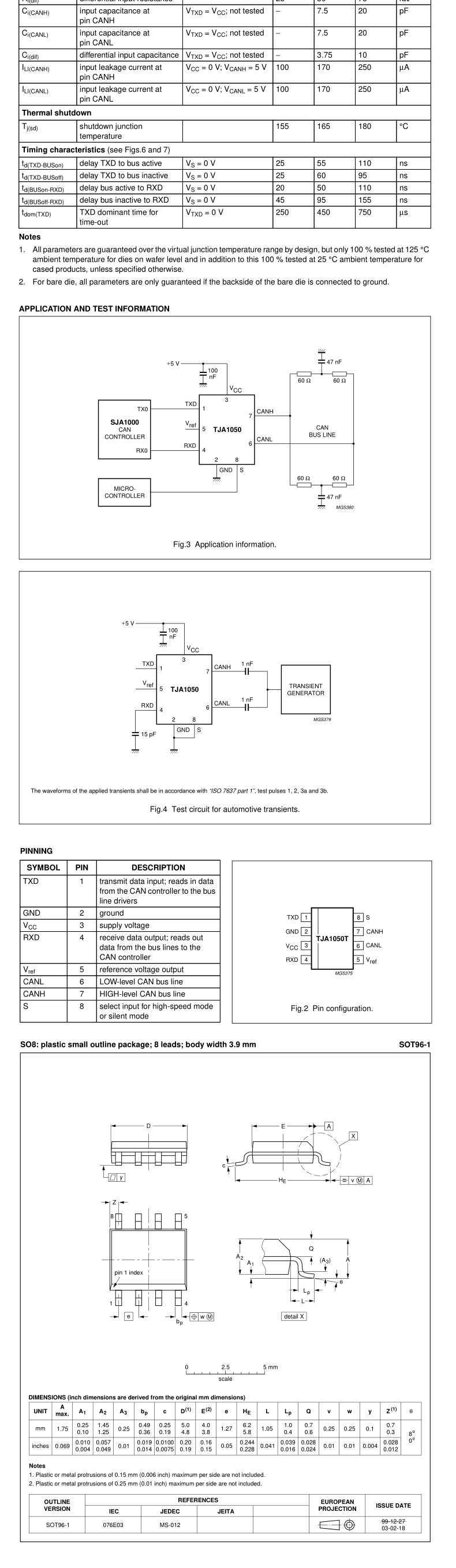
High-Speed CAN Transceiver | NXP Semiconductors

全新原装贴片TJA1050T/CM SOP-8丝印A1050/C CAN总线收发器芯片IC-阿里巴巴

国产/进口都有 TJA1050 TJA1050T A1050 C SOP-8 CAN总线收发芯片_虎窝淘

国产/进口都有 TJA1050 TJA1050T A1050 C SOP-8 CAN总线收发芯片_虎窝淘

TJA1050T/CM 丝印A1050/C SOP-8封装 CAN总线收NXP TJA1050T

X628-C Datasheet | PDF | Usb | Computing

TJA1050T/CM 丝印A1050/C SOP-8封装 CAN总线收NXP TJA1050T

tja1050 引脚,tja1050引脚图 - 伤感说说吧

Canbus transceiver A1050/c – Get Electronic NZ

A1040/C NXP Integrated Circuits (ICs) - Jotrin Electronics

全新原装贴片TJA1050T/CM SOP-8丝印A1050/C CAN总线收发器芯片IC-阿里巴巴

全新原装贴片TJA1050T/CM SOP-8丝印A1050/C CAN总线收发器芯片IC-阿里巴巴

AKD2304_365186.PDF Datasheet Download --- IC-ON-LINE

全新原装 TJA1050T/CM,118 封装SOIC-8 CAN芯片 丝印A1050/C-阿里巴巴

Datasheet 2N3905/2N3906 Magnatec - Preview and Download

A1040/C NXP Integrated Circuits (ICs) - Jotrin Electronics

Constant Current Led Driver Replacement

  • Вперед Хомут грушевидный для труб
  • Назад Пнг рисунки кофе

Новые страницы

A1050 c datasheet

Баня с мойкой и парилкой и комнатой отдыха

Блок схема кинотеатра

Что значит уровень intermediate

Электросхема 2109 карбюратор

Гдз по алгебре 7 класс мерзляк номер 271

Гдз по дидактическому материалу 5 класс математика мерзляк

Гдз по математике 3 класс 2 часть страница 77 номер

Как сбросить сервисный интервал на бмв

Какие колеса на ниве 21214

Какой факт свидетельствует о том что металлические зеркала плохо отражали изображение

Картина в стиле шарж

Картинки австралия на глобусе

Кустарник в израиле

Маркировка поршней ваз 2103

Мини тату эскиз для мужчин

На графике изменение ситуации спортивной одежды

Образец жалобы финансовому уполномоченному на банк

Оплата за третье лицо образец письма

Основы сердечно легочной реанимации асфиксия утопление электротравма план конспект

П2к

Петлюра слушать все песни

Пляжный вид спорта олимпийский вид спорта

Протокол об административном правонарушении распитие спиртных напитков в общественных местах образец

Схема условия труда

Снятие заднего бампера хендай солярис

Спортивная программа олимпийские игры

Трудовой договор образец с ип

Волжский какая агломерация

Задвижка стальная с обрезиненным клином

cdn.zecar.ru