Skip to content

Фотогалерея

  • Главная
  • Контакты

7808 Стабилизатор

Стабилизатор на напрежение 08VDC 1A 7808 ВИКИВАТ

Stak - 7800 Series Linear Voltage Regulators 7805 7808 7809 7812 - 1.5A ...

Стабилизатор на напрежение 08VDC 1A 7808 ВИКИВАТ

Стабилизатор на напрежение 08VDC 1A 7808 ВИКИВАТ

⭐ Стабилизатор MC7808BDTG. Низкие цены. На складе в наличии.

KA7808ETU стабилизатор >> недорого купить

VT-7808: LED HighBay, 100 W, 10200 lm, 4000 K, IP65, Round, indoor ...

L7808CV стабилизатор >> недорого купить

KIA7808API-U/PF стабилизатор >> недорого купить

L7808ABD2T стабилизатор >> недорого купить

Magnet-Shark - Custom Decor

DA Form 7808. U.S. Army Intelligence and Security Records Repository ...

CL7808DT-CDI стабилизатор >> недорого купить

MONO 7808 - Ri - LUX

L7808CV, Стабилизатор напряжения +8В, 1.5А, 4%, (0°C...+125°C), [TO-220 ...

Voltage Regulator IC 7805 7806 7808 7809 7810 7812 7815 7824 7905 7906 ...

MC7808BDTG стабилизатор >> недорого купить

PurePower Fuel Injector Line 7808-PP

HP-7808 ยี่ห้อ Hi-View เครื่องบันทึก NVR 8CH | Safeandsound

CI 7808

L7812Cv характеристики: Линейный стабилизатор L7812CV 12V TO220 Купить ...

ALTERNATOR[ (7608-7808) ] TOYOTA CORONA [RT10#,11#] (NORTH AMERICA)

кромкострогальный станок 7808 купить Б/У в Челябинске по цене 3 800 000 ...

Most Beautiful Eyes, Beautiful Women, 80s Aesthetic, Aesthetic Vintage ...

Feminine Aesthetic, Dark Aesthetic, Mad At Boyfriend, Pretty People ...

L 7808 Cv An 7808 Lm 7808 Regüle Entegre 5 Adet Fiyatları ve Özellikleri

MC7808BDTG стабилизатор >> недорого купить

L7808CV-DG стабилизатор >> недорого купить

VACUUM PIPING[ (7308-7808) ] TOYOTA CORONA [RT10#,11#] (NORTH AMERICA)

BRAKE BOOSTER & VACUUM TUBE[ (7408-7808) ] TOYOTA CORONA [RT10#,11 ...

Характеристики схема подключения – Telegraph

ALTERNATOR[ (7708-7808) ] TOYOTA CORONA [RT10#,11#] (NORTH AMERICA)

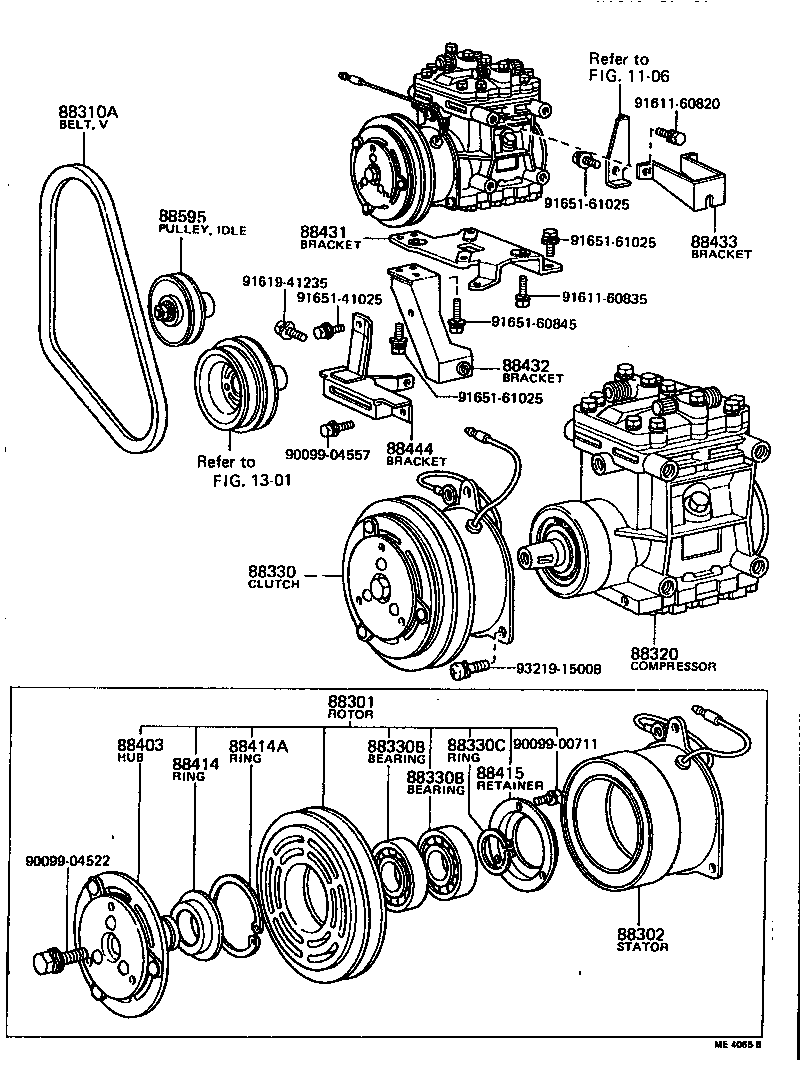
HEATING & AIR CONDITIONING - COMPRESSOR[ (7308-7808) ] TOYOTA CORONA ...

50pcs IC 7805 7806 7808 7809 7812 7815Voltage Regulator L7805 Linear ...

L7808CV-DG стабилизатор >> недорого купить

  • Вперед Фланец ду 100 ру 16
  • Назад Удостоверение экскаваторщика образец

Новые страницы

Аод111а

Ауди р 6

Бог как иллюзия ричард докинз отзывы

Царь петр 1 хорошо знал навигацию

Человек это сосуд чем наполнен то и выплескивается картинки

Чернильница с пером старинная

Дарственная на гараж образец

Экспортеры плоды масличной пальмы

Форум россия на вднх схема павильонов

Гай ричи револьвер

Гдз по математике 1 класс учебник занкова

Ходатайство о занесении на доску почета образец заполнения

Информированное согласие пациента на медицинское вмешательство образец

Как достать обломок ключа из замка зажигания

Киа рио стук в двигателе на холодную

Мп41а

Нерастворимые кристаллы

Ночь берег реки

Площадь гагарина тверь схема движения

По какой расценке взять демонтаж стяжки пола

Prada italy

Разработка блок схемы алгоритма

Рено каптур или ниссан джук

Рисунки путешествия алисы

Сетка от грызунов для каркасного дома

Схема движения антифриза

Умная птичка изложение 3 класс пнш презентация

Установка мультирум

Верстак слесарный своими руками из профильной трубы фото чертежи

Виды передач схемы

cdn.zecar.ru