Skip to content

Фотогалерея

  • Главная
  • Контакты

75Hc595

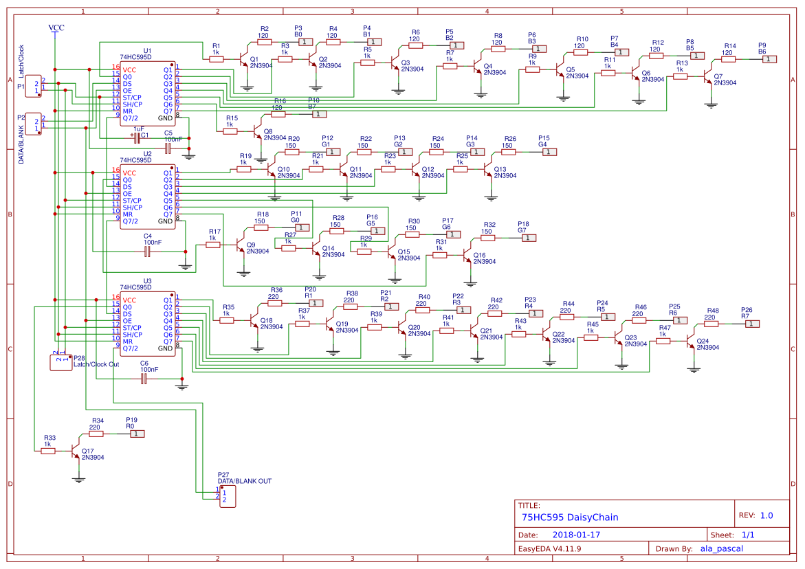
75HC595 DAISY CHAIN - OSHWLab

74HC595 Schieberegister » Aufbau & Funktionsweise erklärt

Arduino - Display module 8x7 segmenten (75HC595)

74hc595

74hc595 Shift Register Pinout Working Arduino Interfacing | Porn Sex ...

Arduino delphi serial communication protocols - verticalpna

Arduino - Display module 8x7 segmenten (75HC595)

Como funciona 74hc595 - Diferencias Entre

74HC148 Datasheet PDF - STMicroelectronics

Interfacing 74HC595 Shift Register with ATmega328p - AVR Projects app ...

dispersion là bas contact allumer une broche précise du 74hc595 groupe ...

Chainable module for 75HC595 + TIP120 - OSHWLab

Why pay for Serial LCDs when you can make your own? | Embedded Lab

74HC595 Interfacing with Pic Microcontroller - MikroC and MPLAB XC8

Looking for maximum number of connections on micro 32u4 - Project ...

/dev/random: Finally, a three some (74HC595)!

15.[STM32]一篇文章教会你使用75HC595芯片驱动四位数码管_74hc595驱动数码管-CSDN博客

15.[STM32]一篇文章教会你使用75HC595芯片驱动四位数码管_74hc595驱动数码管-CSDN博客

74hc595 module , Why no resistors? - Page 1

15.[STM32]一篇文章教会你使用75HC595芯片驱动四位数码管_74hc595驱动数码管-CSDN博客

15.[STM32]一篇文章教会你使用75HC595芯片驱动四位数码管_74hc595驱动数码管-CSDN博客

Arduinoblocks ile 75hc595 shift register kullanımı - YouTube

Controlling 7 Segment Display Using Arduino And 74hc595 Arduino Images ...

ATMega328/Arduino Uno/Nano/Pro Micro driving a 4 digit, 7 segment led ...

74hc595 Shift Register Tutorial Arduino With 7 Segment Youtube Images ...

74HC595를 이용한 포트 확장- Proteus, PIC16F877예제 포함 : 네이버 블로그

How To Connect 74hc595 Shift Register With Arduino Arduino Images ...

Arduino DC Digital Voltmeter | StudyElectrical | Online Electrical ...

pwm - Arduino TLC5940 and 74HC595 - Electrical Engineering Stack Exchange

IC Shift register SN74HC595N 74HC595 - ARDUSHOP

Seven Segment Display Description

LED Driver interfacing to PIC Microcontroller - YouTube

RPi 4 and 8x4 button+led matrix - Raspberry Pi Forums

shift register - 74HC595N breaks when not connected to 5V - Arduino ...

74hc148,71,74151_大山谷图库

  • Вперед Тренировочные задания человек
  • Назад Гдз по английскому 8 класс spotlight тесты

Новые страницы

74Hc132n

Алкоголь в доминикане

Цели и задачи картинки для презентаций

Диод b36b

Гдз по математике 2 класс гейдман учебник

Как обозначают в электрической схеме

Картинки с девочкой мультяшной

Картинки зимний спорт для детей дошкольного возраста

Конкурс рисунков доброта

Мандарин ессентуки кафе

Нагревающий кабель

Ол инклюзив в турции

Ореанда ялта отель

Отделения видов спорта

Почему изображение предмета в воде всегда менее ярко чем сам предмет на границе сред воздух

Подводка для газа 1 дюйм

Помощь в получении кредита в самаре

Приказ о переносе рабочих дней на выходные образец

Регулировка карбюратора на ниве 2121

Регулировка зажигания 402 двигатель карбюратор

Сантек бореаль микролифт

Сапоги для конного спорта

Схема электрооборудования уаз 31519

Схема предложения учи ру 1 класс

Схема применения водорода

Схема слов в предложении

Спортивные брюки женские палаццо

Топ видов спорта

Тормозная система принципиальная схема

Under sports

cdn.zecar.ru