Skip to content

Фотогалерея

  • Главная
  • Контакты

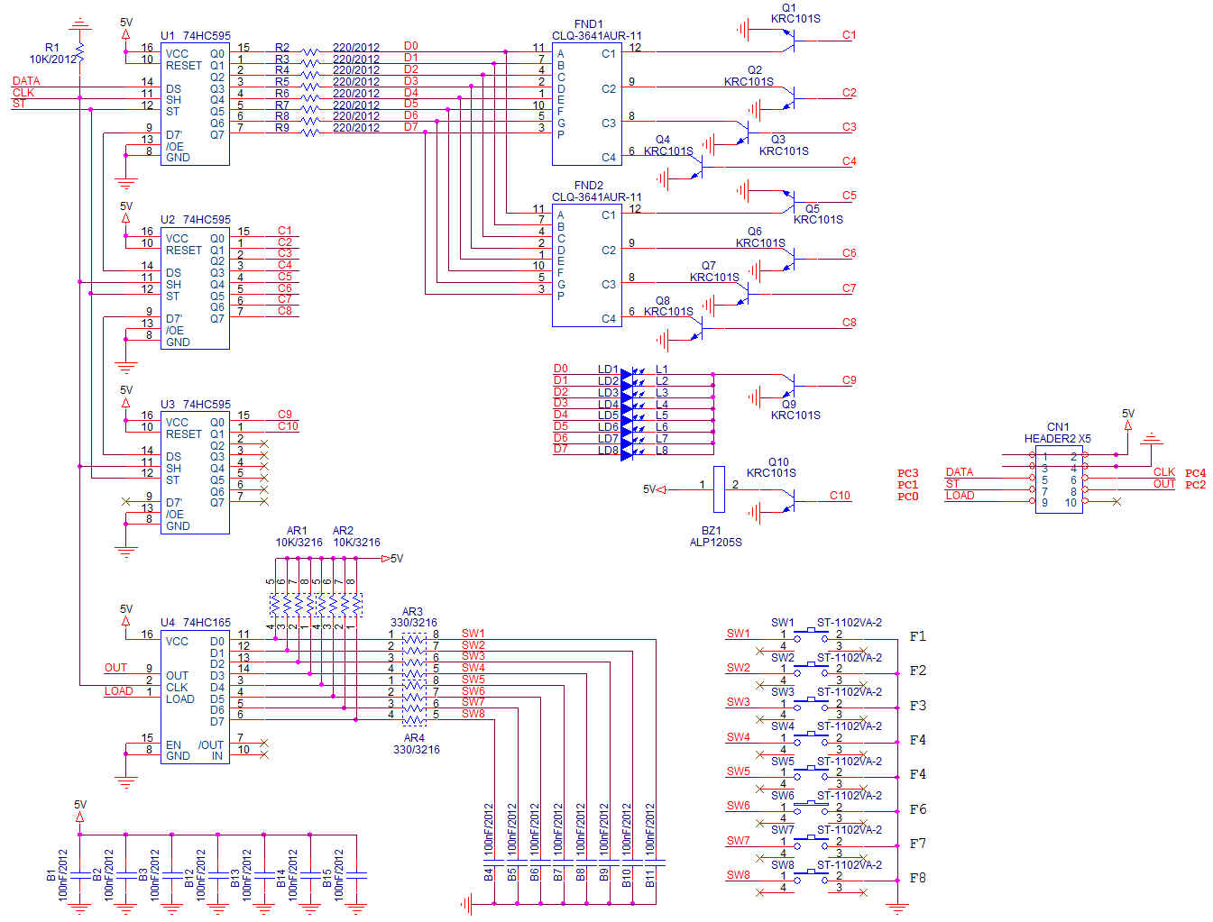
74Hc165

How to Build a Register Circuit with a 74HC165 Chip

Arduino 74hc165 interfacing increase input pins the engineering ...

Open Electronics Project: 74HC165 Shift Register and your Arduino UNO

Adding Digital I/O To Your CircuitPython Compatible Board: Part 2 - The ...

Hard problem with 74HC165! | Forum for Electronics

74hc165-shift-reg-input.ino 8 rows - Wokwi ESP32, STM32, Arduino Simulator

Learn Electronics and Embedded System Programming: ATMega32 SPI ...

Learn Electronics and Embedded System Programming: Interfacing 74HC165 ...

RETURN

Interfacing Arduino with 74HC595 & 74HC165

Interfacing 74HC165 Shift Register with Arduino - Electronics 360

74HC165 : 네이버 블로그

Adding Digital I/O To Your Arduino: Part 2 - The 74HC165 - Woolsey Workshop

Use Shift Register 74HC165 With Arduino

74HC165 : 네이버 블로그

74HC595, 74HC165 회로도, 성미시리얼 : 네이버 블로그

74hc165-shift-reg-input.ino Copy (3) - Wokwi ESP32, STM32, Arduino ...

74hc165-input-usw.ino - Wokwi ESP32, STM32, Arduino Simulator

74hc165 Shift Register Key Expansion Board Development Board ...

How to read more than 8 cascaded shift registers with SPI? - Project ...

10PCS 74HC165PW,112 IC 8BIT SHIFT REGISTER 16-TSSOP 74HC165 HC165 ...

Interfacing of Arduino with 74HC595 & 74HC165 - The Engineering Projects

AVR > 74HC165-to-74HC595 다이렉트 전송 | Basic4MCU.com

74HC165 74HC165D SOP 16-in Connectors from Lights & Lighting on ...

100pcs 74HC165 74HC165D SN74HC165DR SMD/SMT 16-Pin SOP16 new | eBay

HH - Wokwi ESP32, STM32, Arduino Simulator

普仕克|SN74HC165N 74HC165直插DIP16移位寄存器芯片原装正品_虎窝淘

SN74LS245 circuito integrado, transceptor, 4,75-5,25V, DIP-20

74HC165用法_文档之家

74HC165-16bit - Wokwi ESP32, STM32, Arduino Simulator

74HC165 SOP16/74HC165D/SN74HC165D [32255] - US$0.04 : Chipskey.cc

digital logic - Unable to read data from 74HC165 - Electrical ...

74HC165(Code) – FLProg

74HC165 Breakout - 8-Bit SOPI Serial-Out/Parallel-In - ElectroDragon ...

74HC165 datasheet(11/22 Pages) NXP | 8-bit parallel-in/serial out shift ...

  • Вперед Самоделки зарядное устройство
  • Назад Обновления навигатора

Новые страницы

Астахов алексей

Цифровые интегральные микросхемы

Деление 4 класс примеры для тренировки

Если ты не голубой нарисуй вагон другой в чем прикол

Фитнес калуга плеханова

Где делают ключи от квартиры

Гдз по алгебре 7 класс 821

Гдз по английскому языку 5 класс стр 54 номер 2

Гдз по ру 7

Гдз по русскому языку номер 463

Иголки какое склонение

Как диагностировать пневмонию

Кран стальной

Лада гранта как промыть печку

Легкие вкусные салаты на праздничный стол рецепт с картинкой

Lnk623 626pg схема включения

Мелаксен инструкция по применению цена

Название спортивных конкурсов

Оби унитазы с косым выпуском

Образец договора уступки права требования долга между юридическими лицами

Образец письма ветерану

Остров фортов в кронштадте парк

Отмена нотариальной надписи о взыскании кредита образец заявления в суд

Периодически не крутит стартер

С днем рождения светлана михайловна картинки красивые с пожеланиями

Спортики подвесили за трусы

Станция метро канавинская

Строительство домов на винтовых сваях

Тренировочная одежда для танцев для девочки

Замена лампочек в приборной панели ваз 2109

cdn.zecar.ru