Skip to content

Фотогалерея

  • Главная
  • Контакты

6N136 datasheet на русском

6N136 Datasheet en 20140922 PDF | PDF | Reliability Engineering ...

6N136 Datasheet PDF - Everlight

6N135 High Speed Optocoupler Pinout , datasheet, examples, Applications

6N135W_1096793.PDF Datasheet Download --- IC-ON-LINE

6N136 datasheet(2/8 Pages) TOSHIBA | GaA?밃s Ired & Photo IC Digital ...

6N136 Datasheet PDF (578 KB) Fairchild | Pobierz z Elenota.pl

6N136 Datasheet PDF (578 KB) Fairchild | Pobierz z Elenota.pl

6N136 Datasheet PDF ( Pinout ) - IRED & PHOTO IC

6N138 Optocouplers: Features, Pinout, And Datasheet, 55% OFF

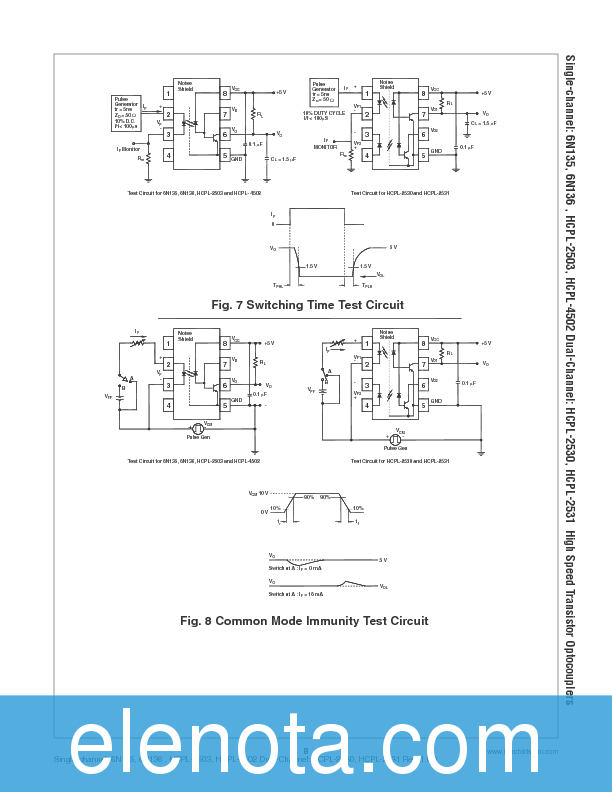
6N136 datasheet(10/12 Pages) FAIRCHILD | HIGH SPEED TRANSISTOR OPTOCOUPLERS

6N136 datasheet(4/8 Pages) TOSHIBA | GaA?밃s Ired & Photo IC Digital ...

6N136 datasheet(1/9 Pages) QT | HIGH SPEED TRANSISTOR OPTOCOUPLERS

6N136 Datasheet pdf - LITE-ON

6N136-L Datasheet PDF - Lite-On

6N136_4275469.PDF Datasheet Download --- IC-ON-LINE

6N136 datasheet(7/9 Pages) QT | HIGH SPEED TRANSISTOR OPTOCOUPLERS

6N136 datasheet(9/9 Pages) QT | HIGH SPEED TRANSISTOR OPTOCOUPLERS

6N136 datasheet(1/12 Pages) FAIRCHILD | High Speed Transistor Optocouplers

6N136 Datasheet PDF (578 KB) Fairchild | Pobierz z Elenota.pl

6N135 Datasheet PDF ( Pinout ) - HIGH-SPEED 2.5 kV TRIOS OPTOCOUPLER

6N136 Datasheet PDF - ISOCOM

6N135 High Speed Optocoupler Pinout , datasheet, examples, Applications

6N135 High Speed Optocoupler Pinout Datasheet, Examples,, 58% OFF

6N136 datasheet(15/16 Pages) AVAGO | Single Channel, High Speed ...

6N136 datasheet(8/9 Pages) QT | HIGH SPEED TRANSISTOR OPTOCOUPLERS

6N136 datasheet(3/16 Pages) AVAGO | Single Channel, High Speed Optocouplers

6N136 Datasheet PDF (578 KB) Fairchild | Pobierz z Elenota.pl

6N136 Datasheet PDF (578 KB) Fairchild | Pobierz z Elenota.pl

6N136 Datasheet - High Speed Optocoupler

6N136 Transistor: Circuit, Pinout, and Datasheet

6N136_262904.PDF Datasheet Download --- IC-ON-LINE

6N136 datasheet(6/9 Pages) QT | HIGH SPEED TRANSISTOR OPTOCOUPLERS

6N136 datasheet(3/9 Pages) QT | HIGH SPEED TRANSISTOR OPTOCOUPLERS

6N136M(TA)-V datasheet(7/14 Pages) EVERLIGHT | 8 PIN DIP HIGH SPEED ...

6N136 Datasheet PDF (578 KB) Fairchild | Pobierz z Elenota.pl

  • Вперед Математика 2 класс страница 75 упражнение 6
  • Назад Убийство тупака шакура

Новые страницы

20 Лет со дня знакомства с любимым мужем картинки

6N136 datasheet на русском

8L05a

Аргонная сварка в улан удэ

Белый медведь черно белый эскиз

До конца суток осталось 3 5 времени прошедшего от начала суток который сейчас час

Экзема на ногах причины и лечение фото

Гдз мегарешеба 5 класс математика

Гдз по русскому языку страница 106 упражнение 223

К юон конец зимы полдень сочинение

Картинки с ежиком прикольные с надписями

Киа спортейдж москва

Лифт отис производитель

Математика 2 класс учебник страница 75 номер 4

Отель снежный барс приэльбрусье

Пины vag

Пинтерест эстетичные рисунки для срисовки легкие

Пор дел

Прокат пылесоса промышленного

Рамки для презентации на прозрачном фоне детский сад

Распиновка колодок монтажного блока 2114

Ремонт плоек для волос

Рив гош казань

Санта фе какой привод

Схема расположения объекта капитального строительства

T схема блок схема

Табель на аванс образец заполнения

Театр наций сцена схема

Точка лежит на биссектрисе угла то она равноудалена от сторон этого угла

В приведенных схемах расставьте коэффициенты

cdn.zecar.ru