Skip to content

Фотогалерея

  • Главная
  • Контакты

561Ла7 описание

Микросхемы 561ла7 купить в Омске с доставкой | Электроника | Авито

Пинпоинтер на микросхеме к561ла7

561ЛА7 микросхема >> купить недорого

Курьерский упаковочный сейф пакет 240х320 мм, с клеевым клапаном, 45 ...

Виэдент паста 4+4 мл - купить с доставкой по выгодным ценам в интернет ...

Пляжи турции описание - 92 фото

Аналоги 561ла7

Лемакс PRIME-V20 [6/40] Конструкция котла

Техническое описание и инструкция по эксплуатации Измеритель L,C,R ...

Lenovo IDEAPAD Y560P инструкция

Ват мейвис фиалка фото и описание

Что написать о себе в профиле на сайтах знакомств

Описание каждого Dragon Age: The Veilguard Edition - Dragon Age

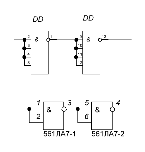
Микросхема 561ла7 описание схема включения

Импортный аналог 561ла7

7Б65 Станок вертикально-протяжной. Паспорт, схемы, характеристики, описание

561Ла7 - Схемотехника для начинающих - Форум по радиоэлектронике

Siemens HB 75BC550F инструкция

ATIX AT-L-1EM/B (Atis Lock MB) электромеханический замок накладной для ...

Siemens HB 75BC550F инструкция

Grundig GEBD19401BHI инструкция

Микросхема la7376 описание и схема включения

Микросхема к155тм2 описание и схема включения - 87 фото

Изображение

резистор проволочный 5w 82 кОм / kω, аксиальные выводы,

561Ла7 генератор импульсов: Простой Генератор прямоугольных импульсов ...

Видеокарта Colorful GeForce RTX 4070 Ti, 12 ГБ GDDR6X - купить по ...

Микросхема 561ла7 описание схема включения

Автоматическая кофемашина JASSY JS-100-51, серебристый купить по ...

Шаблон описания вакансии | Журнал Хантфлоу

Мигалка На 561Ла7 - modestandart

Pin by Felecia Gillham on My Style in 2024 | Crochet tutorial pattern ...

561Ла7 datasheet. Логическая микросхема К561ЛА7: принцип работы и ...

561Ла7 datasheet. Логическая микросхема К561ЛА7: принцип работы и ...

Генератор на 561ла7 схема. Генератор на К561ЛА7: схема, принцип работы ...

  • Вперед Установка свай под фундамент
  • Назад Личная претензия образец

Новые страницы

1061 Макарычев 7

561Ла7 описание

Аппетитный сок это в биологии

Бухгалтерская справка о стоимости имущества образец

Девочки в пляже

Диагностика котлов отопления

Фитнес браслет xiaomi band 7 pro

Flip atmel скачать

Гдз о английскому языку 10 класс

Горы осенью лучшие

Как плавать быстрее

Как поменять бендикс на стартере ваз

Как составлять схемы предложений в русском языке

Карта анализа открытого занятия в доу по фгос образец заполнения

Картинки деревенская девочка

Киберспортивные авы

Купить спортивный костюм худи

Научиться плавать самостоятельно

Не запрещенная в спорте субстанция

Общество защиты прав покупателей

Предраковое состояние шейки матки

Природные зоны китая

Радиатор биметаллический

Ремонт фото и видеотехники

Сомы в индии

Технологическая карта гречка отварная рассыпчатая

Tny176

Вебасто картинки

Виктор пелевин т

Заявка на соревнования по футболу образец

cdn.zecar.ru