Skip to content

Фотогалерея

  • Главная
  • Контакты

4N60c

20pcs FQPF4N60C 4N60C FQPF4N60 MOSFET 600V N Channel-in Replacement ...

10pcs/lot FQPF4N60C TO 220 4N60C 4N60 TO220 MOS FET transistor In Stock ...

Introduction to 4N60 - The Engineering Projects

10PCS FQPF4N60C TO 220 4N60C 4N60 TO220 new 4A 600V FET-in Transistors ...

10 PCS FQPF4N60C TO-220F FQPF4N60 4N60C 4N60 4A 600V N-Channel MOSFET ...

10PCS FQU4N60C 4N60C 4N60 TO 251 Mosfet Transistor-in Transistors from ...

10pcs/lot FQD4N60C 4N60C 4N60 TO 252 In Stock|Integrated Circuits ...

Mosfet 4N60C 2.6A 600V Chân Cắm DIP TO-220

Jual TR FQPF4N60 FQPF4N60C FQPF 4N60 4N60C C Transistor Mosfet di Lapak ...

FAIRCHILD 4N60C FQP4N60, NPN, Channel Type: N- Channel at Rs 12/piece ...

Ml FQPF 4N60C NPN Power Transistor, 150 Degree C at Rs 7.5/piece in New ...

Sif4n60c 4n60c To251 | Lazada

10pcs FQPF4N60C 4N60C FQPF4N60 MOSFET 600V 4A N Channel|n-channel|n ...

Linh kiện 4N60 4N60C FQPF4N60 Mosfet 600V 4A kênh N TO-220F

JCS4N60F-O-F-N-B Datasheet PDF - Jilin Sino-Microelectronics

5pcs 4N60 FQPF4N60 4N60 N-Channel MOSFET 600V TO-220F NEW | eBay

4N60C MOSFET Tranzystor N -Channel TO-252 600V 4A Myszków • OLX.pl

Mosfet 4N60C 2.6A 600V Chân Cắm DIP TO-220

FQPF/FQP 5N60C 4N60C 10N60C 12N60C 8N60C TO-220 F场效应管_虎窝淘

4N60C (Kênh N)

Mosfet 4N60C 2.6A 600V Chân Cắm DIP TO-220

FQU4N60C 4N60C TO-251封装 直插 MOS 场效应管 现货 民芯电子—东莞市民芯电子科技有限公司

TO 252 TO252 {FQD4N60C 4N60C}{FQD2N60C 2N60C}{BT136S 600D BT136S ...

10pcs TSF8N60M TO-220F 8N60 8A 600V TSF8N60 TO-220 N-channel field ...

4N60C datasheet: 4N60C датащи(PDF) — VBsemi Electronics Co.,Ltd ...

10PCS FQD4N60C 4N60C 4N60 SOT 252 4A 600V FET New Original Free ...

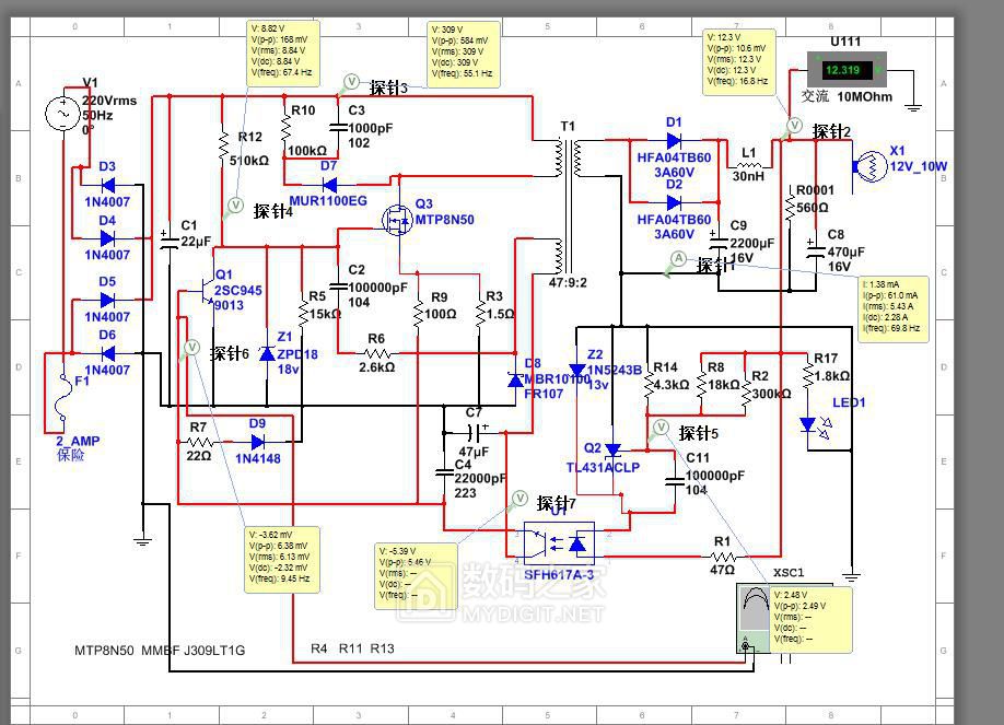
Multisim14仿真 9013+4n60c 开关电源,测试元件型号 - 维修达人 数码之家

Jual FQD 4N60C FQD4N60C 4N60 SMD Mosfet N-Ch To-252 4A 600V Transistor ...

10pcs free shipping FQPF4N60C 4N60C FQPF4N60 MOSFET 600V N Channel new ...

Jual transistor 4a 600v 4n60g to251 smd n-channel mosfet 4n60c 4n60 di ...

FQD20N06 1N60C 2N60C 4N60C 5N60C 6N60C 7N60C 8N60C 贴片TO252-淘宝网

regulator circuit diagram - Wiring Diagram and Schematics

10PCS/LOT FQPF4N60 4N60 FQPF4N60C 4N60C 4A 600V TO 220 TO220 MOSFET P ...

10PCS-FQPF4N60C-4N60C-TO220F-4A-600V-N-channel-MOS-field-effect-tube.jpg

10pcs-FQD1N60C-1N60C-FQD2N60C-2N60-FQD4N60C-4N60C-FQD5N60C-5N60C ...

  • Вперед Труба гост 3262
  • Назад Гдз по математике впр 5 класс ответы

Новые страницы

Базовая программа тренировок для мужчин

История россии 8 класс торкунова 2 часть учебник гдз

Как отремонтировать генератор ваз 2109

Как правильно прокачать сцепление на уаз буханка

Как выглядит дерматит на лице

Картинки с ху тао геншин

Картинки спокойной ночи настенька

Лидогенерация заказать

Мадагаскарский шипящий таракан

Настройка спутникового тв мтс

Панда конвектор картинок

Пежо 308 на холодную плавают обороты

Пилющий дрова

Премьер канады

Принципиальная схема резистора

Разборка ваз в батайске

Ремонт посудомоечных машин в клину

Ресторан бакинский домик в москве в сокольниках официальный сайт цены

Схема наушников apple

Ситроен эвазион электрическая схема

Спорт рсо алания

Спорт спортивный портал

Спутниковая карта киева с улицами и номерами домов и станциями метро

Стороны спортивной подготовки

Тренировочный вариант 116 огэ 2024

Виды спорта рисунок

Вкусвилл франшиза

Водяные краны

Защита персональных данных обучение

Зпрр это

cdn.zecar.ru