Skip to content

Фотогалерея

  • Главная
  • Контакты

4455 Datasheet

A-4455-AZ02A datasheet(1/15 Pages) MOLEX | KK 100 PCB ASSY 4455 SERIES DWG

A-4455-CZ21A datasheet(5/17 Pages) MOLEX2 | 2.54mm (.100) Pitch KK짰 PC ...

SDA-4455 Datasheet(PDF) - Molex Electronics Ltd.

Air 4455 Datasheet | PDF | Antenna (Radio) | Ericsson

NEW - Ericsson MOBILE RADIO AIR 4455 KRD 901 111/1 Remote Head Unit ...

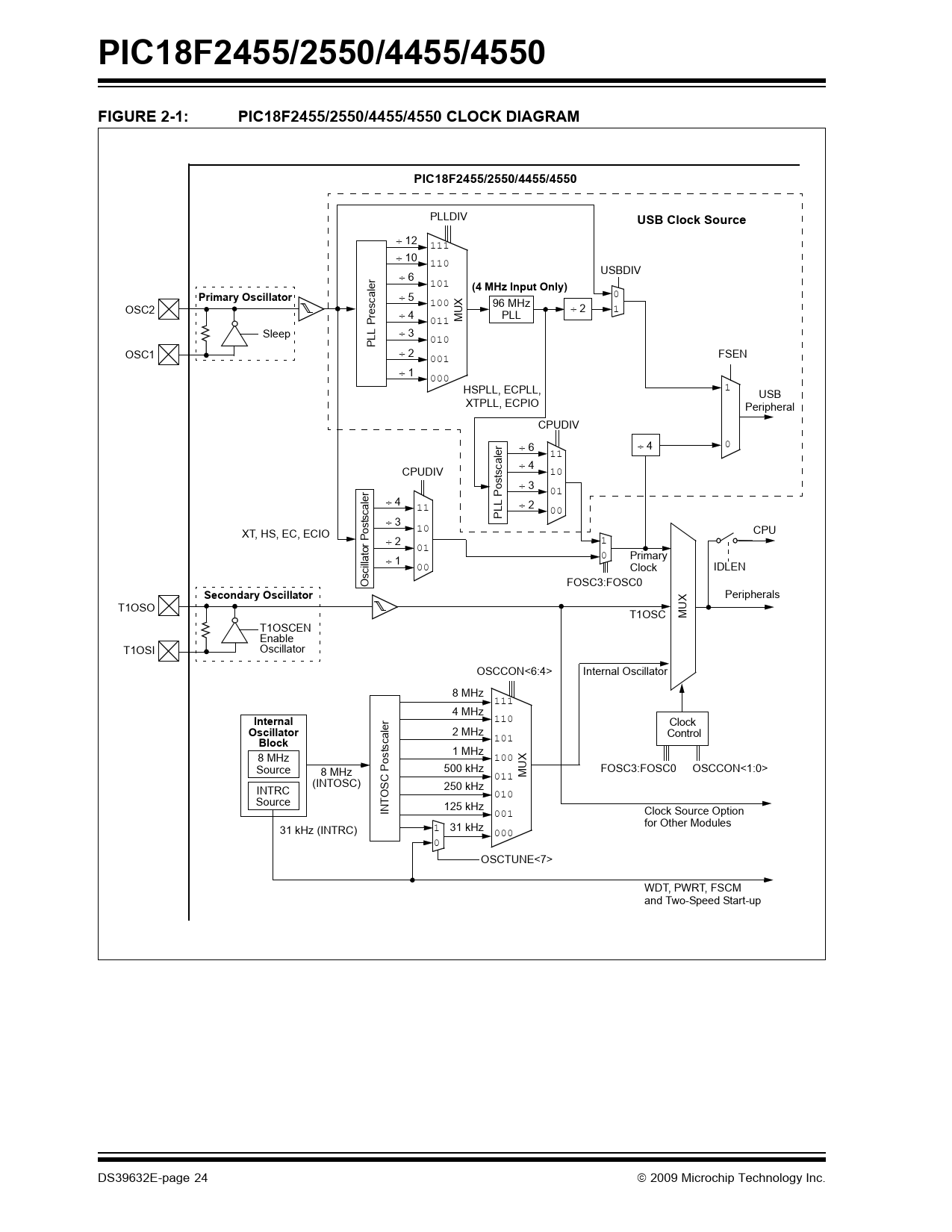
PIC18F2455/2550/4455/4550. FIGURE 2-1:. PIC18F2455/2550/4455/4550 CLOCK ...

SOM-4455 Datasheet by Advantech Corp | Digi-Key Electronics

4455-LED-868-PER_4521084.PDF Datasheet Download --- IC-ON-LINE

PIC18F2455/2550/4455/4550. 2.0. OSCILLATOR. 2.2. Oscillator Types ...

Typical Application for ACT4455 36V/5A Step Down Converter - Datasheets.com

PIC18F2455/2550/4455/4550. TABLE 1-3:. PIC18F4455/4550 PINOUT I/O ...

John Deere 4455

CBP Form 4455 Download Fillable PDF or Fill Online Certificate of ...

MVI 4455 - YouTube

Air Eliminator Datasheet - PDFCOFFEE.COM

DAF Form 4455 - Emergency Family Member Travel (EFMT) Form | Forms ...

4455-EC34-F784-4710-9456-12-C9155-AC105 hosted at ImgBB — ImgBB

Massey Ferguson Tractor 4435 4445 4455 Operator Manual 39836211 | Auto ...

22-14-2084_4874969.PDF Datasheet Download --- IC-ON-LINE

Tractor Zoom - 1989 John Deere 4455

NGK 4455 (CR7EKB) Spark Plug – FORTLUFT Auto Parts

N-Methyldioctylamine(4455-26-9) 1H NMR spectrum

AF 4455 BARBELL RACK - (SO) - Aerofit

Rubik's Micro Cube Key Holder | Generic Site - Priced

AAE_4455 | Al Doerksen | Flickr

John Deere 4455 Tractor Plate, Separator

John Deere 4055 4255 4455 Trators Operator Manual OMAR11056

V-TAC VT-4455 LED Flood Light Instruction Manual

Free Printable Christmas Party Coloring Page for Adults and Kids ...

IMG-4455-cropped hosted at ImgBB — ImgBB

4455 hi-res stock photography and images - Alamy

Logicom-IV

John Deere 4055 4255 4455 Tractor Operator Manual OMAR110571

John Deere 4055 4255 4455 Tractor Repair Technical Manual TM1458

John Deere 4055 4255 4455 Tractors Operation & Test Manual TM1459 PDF

  • Вперед Карта каменска шахтинского с улицами и домами
  • Назад Гнойные пробки на миндалинах лечение

Новые страницы

4455 Datasheet

Аэропорт арабские эмираты

Академический рисунок портрет человека

Arcol

Ауди рс кью 8

Часы для занятий спортом

Черно белые рисунки том и джерри

Дисциплина спортивной борьбы

Должности спортивных организаций

Этажи спортзал

Габариты перевозки грузов автомобильным транспортом

Глубина промерзания грунта в самарской области для фундамента

Hp laserjet p1102 установка картридж

Инструмент все

Исковое письмо в суд образец

Крейзи пэчворк схемы

Не загорается чек ваз 2115

Оксана литвинова вк выборг

Оливковое масло 5 литров италия

Орион pw700 схема электрическая принципиальная

Приведите по три примера животных относящихся к указанным классам членистоногих ракообразные

Признаки неисправности рулевой тяги

С чего началось путешествие герды что вы можете рассказать о цветнике женщины умевшей колдовать

Титульный лист проекта образец для школы

Тренировочные варианты огэ по математике 2023 фипи

Тренировочный вариант 230911 математика

Участие советских спортсменов в олимпийских играх

Всемирные спортсмены

Вторичный сифилис лечение

Загадка усатый полосатый кто это

cdn.zecar.ru