Skip to content

Фотогалерея

  • Главная
  • Контакты

3407 Smd транзистор

Transistor Mosfet SMD de 3407 canales, AO3407 A79T SOT-23, 50 unidades

Купить Транзистор AO3407 SMD code A7**, цена 21.29 грн — Prom.ua (ID ...

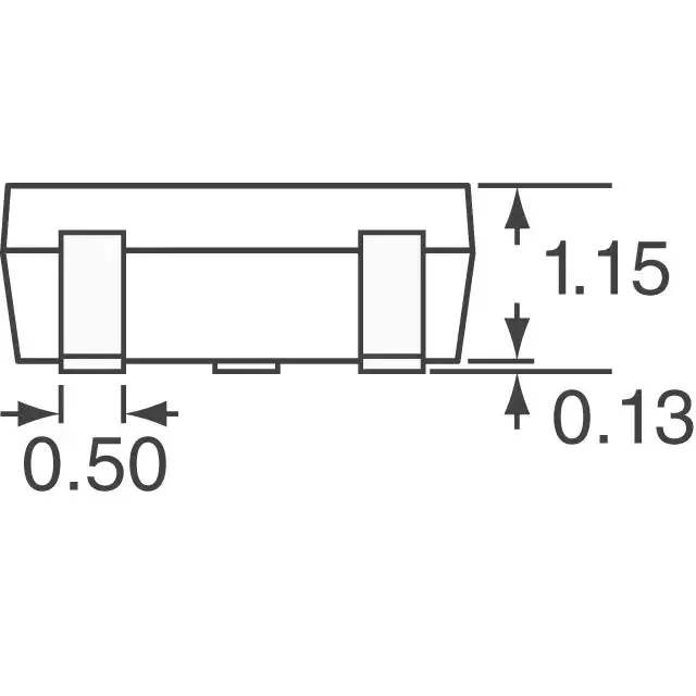
Transistor AO3407 - SMD - Eletro Parts

10PCS CJ3407 SOT 23 3 SMD 30V 4.1A P Channel MOSFET Free Shipping ...

AO3407 AO3404 A79T SOT-23 A79T P-Channel -30V -4.1A T1.4W SMD mosfet ...

Wholesale-P Channel MOSFET AO3407 A79T 4.3A/30V SOT23 MOS SMD Triode ...

Mosfet Cj3407 Sot23 3407 Smd Kit C/10 Pecas Originais Novas | Mercado Livre

Transistor Fet Mosfet Ao3407 (2 Pecas) Ao3407 O3407 3407 | MercadoLivre

SMD транзисторы: описание их особенностей, способов применения и ...

SMD транзисторы: описание их особенностей, способов применения и ...

SMD КОДИРОВКА ТРАНЗИСТОРОВ | Электронная схема, Принципиальная схема ...

(original New) Mosfet Smd Transistor 3407 Ao3407 - Buy Mosfet ...

SMD транзисторы: описание их особенностей, способов применения и ...

Equipement electrique et d'essai Composants electroniques SMD ...

Маркировка smd транзисторов - расшифровка кодовых обозначений

Rkm smd транзистор

Все о маркировке SMD транзисторов: как расшифровать их кодовые обозначения

SMD транзисторы: описание их особенностей, способов применения и ...

S8550-2TY - купить в Москве SMD транзисторы в корпусе SOT-23, 10 шт с ...

Сколько ЗОЛОТА в импортных SMD транзисторах? - YouTube

2T smd транзистор: Маркировка радиодеталей, Коды SMD 2T, 2T1, 2T ...

Помогите опознать SMD транзистор | Пикабу

Полевой транзистор распиновка smd

Как проверить смд транзистор: SMD транзисторы, кто звонил тестером ...

BC547 Transistor Pinout, Datasheet, Equivalent, Circuit & Specs

Как проверить смд транзистор: SMD транзисторы, кто звонил тестером ...

Как проверить смд транзистор: SMD транзисторы, кто звонил тестером ...

1am smd транзистор даташит - computermaker.info

Smd транзистор 12w: Маркировка радиодеталей, Коды SMD 12, 12-, 120 ...

Помогите опознать SMD транзистор WCM • VLab

SMD ТРАНЗИСТОРЫ

smd транзистор 2f на АлиЭкспресс — купить онлайн по выгодной цене ...

SMD ТРАНЗИСТОРЫ

1000pcs/lot AO3407 SOT23 A79T 4.3A / 30V SMD . In Stock-in Integrated ...

smd транзисторы справочник логопеда

  • Вперед Тсс саи 200 схема
  • Назад Посадили 12 тюльпанов в 2 ряда

Новые страницы

Артур пирожков камеди клаб

Чугунные батареи

Danfoss mbt 3560

Десятидюймовый герой фильм 2007

Дети температура спорт

Гипертиреоз как определить

Иристонский район владикавказ карта

К циклическим видам спорта относятся

К50 3а

Карта демянского района новгородской области с деревнями и дорогами подробная

Карта европейской части россии с дорогами и городами

Картинки для автоматизации звука л в слогах

Куда ставить гидравлический домкрат

Марс атакует

Одна вторая перевести в десятичную дробь

План многообразие форм познания егэ обществознание

Радиомонтажник на дому

Распиновка штатной магнитолы фокус 2

Рулетка 5м гост 7502 98

Самодиагностика мазда премаси

Санаторий солнечный берег гомельская область

Счетчик сэт

Схема шляпы

Т д спорт

Техцентр столица люберцы

Тренировочная работа номер 4 по обществознанию

Виды спортивных автомобилей

Вино новой зеландии белое сухое

Заполнить схему кластер

Зебра из мадагаскара картинки

cdn.zecar.ru