Skip to content

Фотогалерея

  • Главная
  • Контакты

34063Api datasheet

34063 Datasheet - 34063 Pinout - MC34063A - On Semi

34063API Datasheet - 34063AP1 Pinout - On Semiconductor

33063AP_134809.PDF Datasheet Download --- IC-ON-LINE

EVAL-AD7470CB Datasheet PDF ( Pinout ) - 1.75 MSPS/ 4 mW 10-Bit/12-Bit ...

MC34063 Datasheet

Viper22a Datasheet На Русском - charityinstruction

Mc34063 datasheet

34063 datasheet на русском mc микросхема

34063 api: 34063API Datasheet — 34063AP1 Pinout — RC74 — интернет ...

1337 beef: May 2013

FABModules PINOUT

34063API PDF

Seasonic® Pinout Diagrams - MAINFrame Customs

3.7V to 5V Boost Converter Circuit using MC34063 | Converter, Circuit ...

MOC34063A- 1.5A- Switching- Regulator- IC

555 Timer - COM-09273 - SparkFun Electronics

S50B32 ECU PINOUT diagram

voltage - Connecting two motors - Electrical Engineering Stack Exchange

CS5530A CIRRUS LOGIC Integrated Circuits (ICs) - Jotrin Electronics

5pcs-lot-SY7636-SOP8-lithium-battery-output-four-LED-power-supply-IC ...

(MC)34063API-1508 – Scion Electronics

leicht verletzt zu werden Takt Wie bc547 transistor pinout Ruiniert ...

MC34063: A tough lesson – Matt's Tech Pages

MC34063 Step-Up | Down | Inverting Switching Regulator Circuits

DC-DC converter wrong output voltage - Electrical Engineering Stack ...

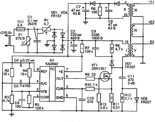
ELECTRONIC CIRCUIT: UC3842 CURRENTMODE PWM CONTROLLER

LM555 Timer IC buy online in India - Robomart

Generic 1A USB Car Charger Teardown - iFixit

Boost Converter Circuit Using MC34063 IC

Boost Converter Circuit Using MC34063 IC

batteries - Building a USB charger for camping - Electrical Engineering ...

PIC16F886 Microcontroller Pinout, Features, Programming, Datasheet

Electronics Circuit Application : variable voltage adjustable power ...

5V 5A switching regulator for digital by LM2678 - EasyEDA

Does anyone know what this IC is and its function? The pcb came from a ...

  • Вперед Именно первый дал всеобъемлющее и сознательное изображение всеобщих форм движения
  • Назад Схема обратной

Новые страницы

Александр васильев сплин картины

День рождения неймара

Fl ru фриланс

Fr106

Гдз математика 6 класс мерзляк 2018 год

Гдз по математике 5 класс б

Главные экспортеры природного газа

Интернет магазин л этуаль

Как переделать змз 406 карбюратор на инжектор

Крокус цветок схема

Курсы стилиста имиджмейкера в москве

Лазерная резка металла в нижнем новгороде

Локомотив арена новосибирск сектора схема

Мальчишник часть 3

Образец автобиографии для военкомата

Отделка дома фасадными панелями

Печать афиш

Пересказ о копейкине

Площадь калинина новосибирск карта

Применения тренинга

Распиновка магнитолы hyundai ix35

Распиновка пинов эбу

Расписание спортивной школы

Регулировка дифференциала дэу нексия

Схема ремня 406

Театр оперы и балета в ижевске

Требуются окна пвх

Ваз 2114 предохранитель приборной панели

Заменить проводку

Звание мвд по погонам в картинках

cdn.zecar.ru