Skip to content

Фотогалерея

  • Главная
  • Контакты

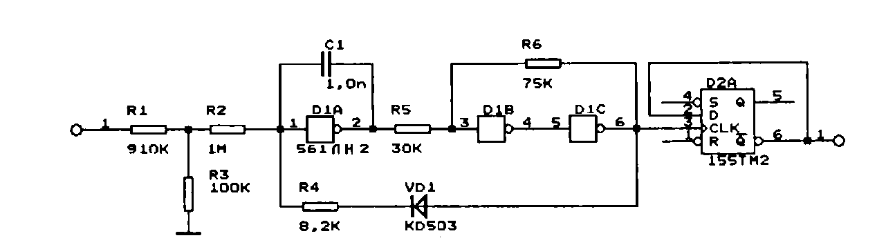
155Тм2

- YouTube

155ТМ2 микросхема >> купить недорого

К155ТМ2 - Схемотехника для начинающих - Форум по радиоэлектронике

Зарегистрирован: Вс апр 11, 2010 10:13:37

Таймер 555 схема реле времени

Вопрос по логике ТТЛ 155 серии - Песочница (Q&A) - Форум по ...

Китайская плата управления отопителем на Планар. — Land Rover Discovery ...

Классификация триггеров

Схема задержки включения реле на 12 вольт. Простое реле времени с ...

Регулятор оборотов двигателя на 12 вольт

Включение-выключение питания одной кнопкой, в том числе и нескольких ...

Включение/выключение нагрузки одной кнопкой на таймере NE555 и реле ...

Изображение

Задачи по схемотехнике. Ответы на вопросы. Информатика, ВТ ...

Управление реле одной кнопкой - YouTube

Кнопочный переключатель на микросхеме

Включение и выключение мощной нагрузки одной маленькой кнопкой - YouTube

155Тм2: Микросхемы. – i-FlashDrive флешка для всех моделей iPhone, iPad ...

Микросхема tda2050 характеристики

Dp2537 схема включения

155Тм2: Микросхемы. – i-FlashDrive флешка для всех моделей iPhone, iPad ...

МНОГОПРЕДЕЛЬНОЕ РЕЛЕ ВРЕМЕНИ | МОДЕЛИСТ-КОНСТРУКТОР

Тестер транзисторов на микросхеме 155ЛА3 Tester of transistors - YouTube

155Тм2: Микросхемы. – i-FlashDrive флешка для всех моделей iPhone, iPad ...

Рис. 3. Электрическая схема каждого переключателя гирлянд - изображение ...

155Тм2: Микросхемы. – i-FlashDrive флешка для всех моделей iPhone, iPad ...

Суточное реле времени своими руками схема

Что может ZX Spectrum - Глава 1 - компьютерные устройства измерения.

"Схема подключения реле света"

Цифровая Шкала - Дайте схему! - Форум по радиоэлектронике

Схема управления реле одной кнопкой без фиксации — DRIVE2

Классификация триггеров

Простая схема на транзисторе BC547. Бегущие огни. - YouTube

Классификация триггеров - презентация онлайн

Схема подключения маневрового светофора

  • Вперед По вину найти запчасти на автомобиль
  • Назад Вышивки крестом дименшенс бесплатные схемы

Новые страницы

Банковский чек картинка

Двери межкомнатные москва

Электромагнитные пускатели

Гдз по русскому языку 5 класс учебник баранова

Гдз русский язык 3 класс 2 часть упражнение 202

Характеристика с места учебы образец университет

Изо 2 класс подводный мир поэтапное рисование презентация

Как показать что отверстие сквозное на чертеже

Как поменять решетку радиатора на гранте

Карта вызова смп острый аппендицит взрослый шпаргалка

Кранекс стоматология

Машина напрокат в самаре без водителя

Маяк векторный рисунок

Мише 3 года с днем рождения картинки

Найти cos если sin

Новаторство блока

Окисление глюкозы уравнение

Опель виваро сброс сервисного интервала

Парк отель чайка в барнауле

Поменять пыльник шруса наружный приора

Программирование брелка сигнализации аллигатор

Реле свечей накала дастер распиновка

Ремонт бензопил в калуге

Схема лечения орви

Схематический рисунок по математике

Сколько стоит помощь юриста

Власоглав человеческий симптомы лечение

Задвижка hawle 4000a

Замена ремня на

Замена сцепления киа церато 2

cdn.zecar.ru