Skip to content

Фотогалерея

  • Главная
  • Контакты

1000 Схем

1000 схем. Sg3525 ir2110 блок питания схема. Импульсный блок питания 1000 ватт схема. Импульсные источники питания на uc3825.

1000 схем. Схема усилителя Yamaha a1000. Soundking aa1000j усилитель схема. Схема комбоусилителя Sound Tech. Yamaha a-1000 схема.

1000 схем. Пролоджи АТ 800. Prology at-1000 схема. Prology at-1200 схема. Сабвуфер Prology at-1000 схема платы.

1000 схем

1000 схем. Схема мощного инвертора 12 220в с чистым синусом. Схема инвертора 12 220 чистый синус. Схема китайского инвертора 12 220 2000вт. Схема инверторного преобразователя напряжения 12 220.

1000 схем. Audio Note m2 Phono схема. Audio Innovations 500 схема. Фонокорректор Audio Note схема. Audio Note Meishu Phono RIAA amp схема.

1000 схем. Np8qm30.PCB инвертор схема. Схема мощного инвертора 12 220в с чистым синусом. Инвертор автомобильный 300вт схема. Автомобильный инвертор с 12 на 220 схема.

1000 схем

1000 схем. Pt1000 esp32. Pt1000 stm32. Pt1000 подключение. Pt1000 connect.

1000 схем. Схема делителя частоты на микросхеме к500ие137. Делитель на мб506 1000 для частотомера. Делитель частоты на микросхеме к 500. Делитель частоты на 10 для частотомера.

1000 схем. RSP-1000-48 схема. Ll1850fc схема. RSP-750 схема. BM rsp16 01 a схема.

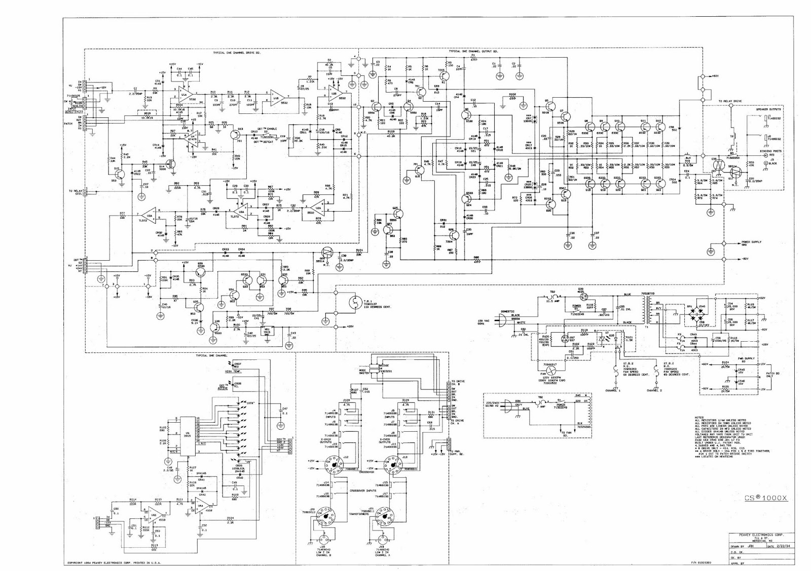
1000 схем. Peavey CS-1000. Усилитель Пивей CS 1200 схема. Peavey 602 amp - schematic. PSU-A Starex cs1000 схема.

1000 схем. ЗОРД АКН-1-6000 схема. Стабилизатор напряжения АКН-1-6000 схема.

1000 схем

1000 схем. Усилитель Apex ba1200. Схема усилителя мощности 1000 ватт. Усилитель 500 ватт схема Amplifier. Принципиальная схема усилителя 500 ватт.

1000 схем

1000 схем. Схема сварочного инвертора 3845. Блок питания АТХ на uc3845. Схема блока питания KCAS. Блок питания 1000w схема.

1000 схем

1000 схем

1000 схем. Стабилизатор напряжения AVR-1000 схема. Схема стабилизатора Voltage Regulator 600va. Схема стабилизатора напряжения 220в на микроконтроллере. AVR 1000 стабилизатор схема.

1000 схем. SDR 1000 трансивер схемы. SDR 1000 схема. SDR-1000 va кварц схема.

1000 схем. 1000 Watt DC to AC Power Inverter dc12v to AC 220v схема. Схема DC-AC 500w car Power Inverter. Np8qm30.PCB инвертор схема. Схема Power Inverter 1200вт.

1000 схем

1000 схем. Схема стабилизатора Voltage Regulator 600va. Стабилизатор напряжения AVR-1000 схема. Схема стабилизатора напряжения AVR real 600. Схема стабилизатор напряжения AVR 2000.

1000 схем. Трансформаторная подстанция 2бктп-630 чертеж. Габариты БКТП 2х1000. БКТП-2 1600 КВА габариты. КТП 1600 КВА габариты.

1000 схем

1000 схем. Схема усилителя на 5000 ватт. УНЧ 1000 ватт схема. Усилитель на 1500 ватт схема. Схема усилителя на 1 ватт.

1000 схем

1000 схем. Ресанта АСН-1000/1-эм схема электрическая принципиальная. Цифровой регулятор напряжения схема. Схема электрическая стабилизатора RUCELF 12000. Ресанта стабилизатор 220 схема принципиальная.

1000 схем. Realistic DX 302 схема. PS-3221-9ae схема. Схема Monarch sa-500. Усилитель sa-6151 Servais manual.

1000 схем

1000 схем. Блок питания на ucc3895. PLP-60-24 принципиальная схема. Eltek SMPS 1000 si 24v схема. Сварочный инвертор на uc3875 схема.

1000 схем. КСУМ 2п. КСУМ 2п схема. Комплект КСУМ-2п.

1000 схем. Импульсная электроудочка схема. Схемы китайских электроудочек. Электрическая схема электроудочки. Схема Эл удочки с регулируемым током.

1000 схем

1000 схем

1000 схем

1000 схем

1000 схем

1000 схем. Al-811h принципиальная схема. Westray sb31 схема. Схема от sb0220. Schematic_ вебкам.

1000 схем

1000 схем

1000 схем. LJM l15 схема. Circuit diagram магнитола. LJM l12-2 схема. ADL 600 schematic.

1000 схем

1000 схем. Микросхема к561 делители частоты на 6ч. Тм8 делитель частоты. Цифровой одновибратор. Функциональная схема цифрового одновибратора.

1000 схем. Mb506 частотомер. Делитель частоты на sab6456 схема. Mb506 делитель частоты. Входной делитель на upb1507.

1000 схем

1000 схем

1000 схем

1000 схем

1000 схем

1000 схем. EWM 1000 Plus схема электрическая. EWM 1000 схема принципиальная. Модуль управления Электролюкс EWM 1000 Plus. Схема платы управления стиральной машинки Занусси.

1000 схем. Схема автоматики КСУМ 1. КСУМ 2п схема принципиальная. БПТ 1000 схема. Программирование БЛОКАМИ.

1000 схем. Resonant Pressure Converter circuit. Варианты схем установки hzs35dc. 6598 High Voltage Resonant Controller. High Voltage Power forward Converter pdf.

1000 схем

1000 схем

1000 схем

1000 схем

1000 схем. Схема усилителя Magnat 1000. Magnat Classic 4000 XL схема. Схема усилителя Магнат 1400 ватт. Magnat bull Power two 400w схема.

1000 схем

1000 схем. Схема сварочного производства. Планировка сборочно-сварочного цеха для резервуара. План цеха для сборки сварки цистерн. Планировка цеха сборки и сварки.

1000 схем. БПТ 1000 схема. Электрическая схема контроллера турбомолекулярного насоса. Блок питания турбомолекулярного насоса БПТ 1000 электрическая схема. Схема блока питания БПТ – 1000 от насоса.

1000 схем. Усилитель Ланзар 3.3 схема. Схема усилителя Ланзар мини. Схема усилителя Ланзар на 1000 ватт. Ланзар 400 Pro.

1000 схем. Усилитель Никитина на 2sk1530 схема. Гибридный усилитель Никитина +схема. Схема усилителя Никитина Creek 4330. Усилитель JLH Никитина.

1000 схем. Pca82c250t схема включения. 82c250y NXP схема. Pca82c250 схема. Sja1000t схема включения.

1000 схем. Рокот-фильтр для проигрывателей винила схема. Рокот фильтр виниловых проигрывателей схема. Рокот фильтр на транзисторе схема. Рокот фильтр для фонокорректора схема.

1000 схем. Np8qm30.PCB инвертор схема. Схема китайского инвертора 12 220 2000вт. Автомобильный инвертор с 12 на 220 схема. Схема автомобильного инвертора 12 220 3000вт.

1000 схем

1000 схем

1000 схем. Схема инвертора автомобильного усилителя. Схема импульсного блока питания автомобильного усилителя. Схема автомобильного усилителя 400 ватт. Схема импульсного блока питания 400 ватт.

1000 схем. УКВ приемник на мс3362. Приемник на 144 МГЦ на ИМС мс3362. Приемник на микросхеме мс3362. УКВ приёмник на микросхема мс3362.

1000 схем. Пассивный фильтр- сумматор для сабвуфера схема. Фильтр НЧ для сабвуфера схема на лампах. Регулятор частоты среза сабвуфера схема. Сумматор для сабвуфера.

1000 схем. Усилитель HYPEX ucd180 схема принципиальная. UCD усилитель схема. Ucd180lp схема. Схема цифрового усилителя d класса 8v.

1000 схем. Схема переключения обмоток лабораторного блока питания. Китайский лабораторный блок питания на tl081 схема. Схемы переключения обмоток трансформатора блока питания. Плата лабораторный блок питания tl081.

1000 схем. Схема усилителя Yamaha a-s201. Схема усилителя Yamaha a-2000. Yamaha a-s1100 service manual. Yamaha a-1000 схема.

1000 схем. Импульсный блок питания SMPS схема. Импульсный блок питания 1000 ватт на sg3525. SMPS 2410 схема. Импульсный блок питания для усилителя sg3525.

1000 схем

  • Вперед Marjan island 5 оаэ
  • Назад Автомобиль ваз 2121

Новые страницы

1000 Схем

Альтернатива карта геншин

Армирование стяжки кровли сеткой

Бланманже рецепт классический

Че молчим картинки

Что такое милосердие юшка

Емкостной сенсорный датчик

Гдз по русскому языку 7 класс ладыженская упр 2

График оплат по договору образец

Как отрегулировать инжектор на ваз 2110

Как снять бачок омывателя на акценте

Картинки на аватарку смайлы

Композиционные материалы материаловедение презентация

Люлька монтажная

Маленькие рисунки милые на день рождения

Недостатки ниссан альмера

Ненаследственной изменчивости

Пежо 408 или рено флюенс

Проект геометрические кружева

Put the words in the correct order to make sentences 5

Рассмотрение обращений граждан рф

Разобрать по составу слово дымоход

Ремонт телефонов спб выборгский район

Русский язык 3 класс учебник страница 75 упражнение 130

Сочинение для поступления в фсб образец

Техника caterpillar

Турнирную таблицу чемпионата можно представить в виде схемы например на схеме ниже представлена

Услуги домино госпожи в алматы

В фитнес клуб хожу

Ветер от сабвуфера

cdn.zecar.ru