Skip to content

Фотогалерея

  • Главная
  • Контакты

1000 1 Схема

1000 1 схема. Mean well se-600 схема. Схема mean well TS-200. Схема mean well Dr-100-24. Схемы БП mean well.

1000 1 схема. Схема усилителя Kicx ar 4.90. Усилитель Кикс QS 1.900 схема. Kicx QS 1.900 схема. Усилитель Кикс QS 1.1000 схема.

1000 1 схема. Механика кручение задачи. Построить эпюру крутящих моментов и определить диаметр вала. Решение задачи кручение валов круглого сечения. Расчет вала на кручение практическая работа.

1000 1 схема. BBK ma 1000. BBK ma 1000s схема. Сабвуфер ББК dk929s схема. BBK ma 900s схема платы.

1000 1 схема. Fs1000a передатчик. Fs1000a передатчик схема. Радиомодуль fs1000a 433mhz. Fs1000a схема включения.

1000 1 схема. EWM 1000 Plus схема. EWM 1000 Plus схема модуля. Ewm1100 схема модуля. Электролюкс EWM 1000 Plus.

1000 1 схема. Усилитель класса d на tl494 ir2110. Схема инвертора 12-220в с чистым синусом. Irs20957 схема усилителя. Схема инвертор для eg8010.

1000 1 схема. Стабилизатор напряжения Defender AVR Premium 1000 схема. Радиостанция р 173 схема подключения. Стабилизатор напряжения Premium AVR 1000 схема. AVR initial 600 схема.

1000 1 схема. Avatar усилитель схема. Схема платы усилителя аватар 1500.1. Схема сват 1.500. Усилитель SWAT 1.1000 принципиальная схема.

1000 1 схема. Гидросхема МКСМ 1000. Схема электрооборудования МКСМ 800 С двигателем хатц. Мини-погрузчик Ant 1000 электрическая схема. Ant 1000 схема гидравлики.

1000 1 схема. ИБП APC Smart ups 1500 схема электрическая. Схема ИБП ups Smart 1500. ИБП APC Smart ups 1000 схема электрическая. Схема ИБП ups 1000.

1000 1 схема. EWM 1000 схема принципиальная. Электрическая схема платы EWM 1000. EWM 1000 Plus схема принципиальная. Ewm1000 схема.

1000 1 схема. Схема первого контура ВВЭР-1000. Схема компенсатора давления с реактором ВВЭР 1000. Компенсатор давления ВВЭР 1000 чертёж. Реактор ВВЭР 440 чертежи.

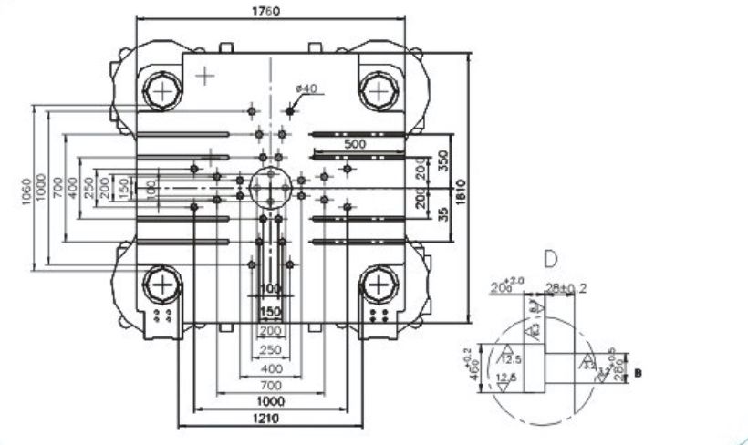
1000 1 схема. ТПА plastron uj 160 схема плиты. Плита для термопластавтомата на схеме. 2148138u01 схема. МКА Свит 55.54.000.01 схема.

1000 1 схема. Avatar усилитель схема. Усилитель аватар 2000.1. Atu-1000.4 схема. Схема подключения усилителя аватар 200 ватт.

1000 1 схема. Тепловая схема АЭС РБМК 1000. Принципиальная тепловая схема АЭС С РБМК 1000. Упрощенная схема реактора РБМК-1000. Тепловая схема АЭС РБМК.

1000 1 схема. Импульсный блок питания для усилителя tl494. Tl494+ir2110 схема. Импульсный блок питания на tl494 и ir2110. Схема блок питания импульсный 600 Вт.

1000 1 схема. Calcell BST 90.4 схема. Схема усилителя Challenger. Усилитель калцел 1000.1 схема. Challenger Ch-760.4 схема.

1000 1 схема. Усилитель HYPEX ucd180 схема принципиальная. UCD усилитель схема. Усилитель класса d на tl494. Усилитель мощности HYPEX ucd250.

1000 1 схема. Схема автоусилителя Супра. Автомобильный усилитель Supra схема. Схема усилителя Supra a2130. Схема 4 канального автомобильного усилителя.

1000 1 схема. Power Inverter 1500w схема. Power Inverter 12v 220v 1000 w схема. Np8qm30.PCB инвертор схема. Схема Power Inverter 500w.

1000 1 схема. Частотомер к155ие2. Частотомер на микросхемах к561. Цифровой индикатор частоты частотомер 1гц-10кгц. Частотомер к176ие4.

1000 1 схема. Схема реактора ВВЭР 1000. Первый контур реактора ВВЭР 1000. Принципиальная схема первого контура ВВЭР 1000. Реактор ВВЭР 440 чертежи.

1000 1 схема. Схема платы усилителя аватар 1500.1. Усилитель аватар 2000.1. Avatar усилитель схема. Моноблок аватар 2000.1 схема.

1000 1 схема. Стабилизатор напряжения Ресанта АСН-10000/1-Ц. Реле на стабилизатор Ресанта АСН-10000 1-Ц. Плата управления Ресанта АСН-10000/1. Плата стабилизатора Ресанта АСН-10000н/1-ц.

1000 1 схема. Схема стабилизатора Ресанта АСН 8000. Ресанта АСН 10000 1 эм схема принципиальная. Схема стабилизатора напряжения Ресанта СПН-13500. Схема электрическая стабилизатора Ресанта АСН 8000.

1000 1 схема. Схема усилителя Blaupunkt GTA 2100. Схема усилителя DB aap-800.1. Усилитель lanzar Vibe 1800d схема. Усилитель калцел 1000.1 схема.

1000 1 схема. Схема включения tlp350 IGBT. Tlp350 схема подключения. Tlp350 Datasheet. Tlp350 схема включения.

1000 1 схема. W3001 терморегулятор схема принципиальная электрическая. Терморегулятор XH-w3001 схема электрическая. Термостат w3001 схема принципиальная. Терморегулятор w3001 схема электрическая.

1000 1 схема. Схема усилителя vx1200. Mac Audio ZX 4000 Black Edition схема. Invotone a3000 схема. Усилитель Park Audio vx900 схема.

1000 1 схема. Power Inverter 1000w схема. Зщцук штмукещк 3000ц схема. Схема инвертора DC/AC 12v/220v. Инвертор 600 ватт схема.

1000 1 схема. Venta уау-03 схема. Venta уау-02 схема. Усилитель Вента уау 03 схема. Электроника уау 03 venta схема.

1000 1 схема. Схема гидравлики ант 1000. Топливная система ант 1000.1. Ант 1000.01 мини погрузчик гидравлическая схема. Ант 1000.01 схема гидроборта.

1000 1 схема. Fubag te 1100 триммер запчасти схема с названием. Плата инверторного генератора Fubag bs1000i. Fubag ti 1000 схема. Fubag ti 1000 запчасти.

1000 1 схема. Схема ИБП ups Smart 1500. Схема ИБП Ippon Smart winner 1000. Схема ИБП APC Smart ups 1000. ИБП Ippon 3000 схема.

1000 1 схема. Ардо TL 105 L схема электрическая. Ardo tl105s схема электрическая принципиальная. Модуль MINISEL 800 схема. Электрическая схема стиральной машины Ардо tl105s.

1000 1 схема. Схема энергоблока ВВЭР-1000. Тепловая схема реактора ВВЭР 1000. Принципиальная схема АЭС ВВЭР. Принципиальная тепловая схема ВВЭР 1000.

1000 1 схема. Np8qm30.PCB инвертор схема. Автомобильный инвертор с 12 на 220 схема. Автомобильный преобразователь напряжения 12-220в схема. Схема китайского инвертора 12-220в 200ват.

1000 1 схема. Ewm1100 схема. EWM 1000 Plus схема электрическая. Ewm1100 схема электрическая. EWM 1000 Plus принципиальная электрическая схема.

1000 1 схема. Схемы китайских электроудочек. Samus-725mp схема электрическая.

1000 1 схема. Импульсный блок питания на tl494 и ir2110. Блок питания на tl494 и ir2110. Tl494+ir2110 мост. Лабораторный блок питания tl494 ir2110.

1000 1 схема. Рюмик с.м 1000 и одна микроконтроллерная схема. Книга "1000 и одна микроконтроллерная схема". 1000 И одна микроконтроллерная схема выпуск 4. 1000 И одна микроконтроллерная схема выпуск 1.

1000 1 схема. Схема электрооборудования погрузчика лв 300 ф. Схема электрооборудования МКСМ 800. Электрическая схема МКСМ 800 С двигателем Зетор. МКСМ 1000 схема электрическая.

1000 1 схема. ИБП APC Smart ups 1000 схема электрическая. Схема ИБП Ippon Smart winner 3000 схема электрическая. APC Smart ups 3000 схема электрическая. Схема электрическая ИБП Ippon back Verso 400.

1000 1 схема. Принципиальная тепловая схема ВВЭР 1200. Тепловая схема реактора ВВЭР 1000. Схема АЭС С ВВЭР-1000. Тепловая схема ВВЭР 440.

1000 1 схема. Smart-ups sua1500i схема. AMT v1 схема. AMT r1 схема. Le1200i схема.

1000 1 схема. Стабилизатор напряжения AVR-1000 схема. Premium AVR 1000 схема. Ippon AVR-1000 схема. AVR initial 600 схема.

1000 1 схема. Схема электрооборудования ант 3000у. Схема. Электрооборудование. Ант. 1000.01. Схема электрооборудования Ant 1000-1. Ант 1000 мини погрузчик электрическая схема подключения клапанов.

1000 1 схема. Принципиальная схема реактора ВВЭР 1000. Принципиальная тепловая схема ВВЭР 1200. Схема первого контура ВВЭР-1000. Тепловая схема реактора ВВЭР 1000.

1000 1 схема. Усилитель ir2092s 1000вт. Усилитель SWAT схема. Усилитель класса d на irs20957s. Усилитель класса d на tl494 ir2110.

1000 1 схема. Схема ATX блока питания на tl494. Схема atx2008e. Схема компьютерного блока питания АТХ 300 ватт. Схема блока питания компьютера 400w ATX.

1000 1 схема. Стабилизатор напряжения Ресанта 500вт схема. Стабилизатор Ресанта 500 Вт схема. Схема стабилизатора Ресанта АСН-500/1-Ц. Схема стабилизатора напряжения Ресанта АСН-1000/1-Ц.

1000 1 схема. Gg950 Генератор бензиновый схема. Бензогенератор Калибр бэг-6500а схема. Схема бензинового электрогенератора. Электрическая схема бензогенератор Fubag 2000.

1000 1 схема. Система компенсации давления ВВЭР-1000. Схема компенсатора давления с реактором ВВЭР 1000. Системы безопасности ВВЭР 1000 схема. Компенсатор давления ВВЭР 1000.

1000 1 схема. Схема первого контура ВВЭР-1000. Первый контур реактора ВВЭР 1000. Схема 1 контура ВВЭР 1000. ВВЭР-1200 схема контуров.

1000 1 схема. Стабилизатор напряжения Ресанта 1000вт схема. Стабилизатор напряжения Ресанта АСН-10000/1 схема. Стабилизатор Ресанта 500 Вт схема. Ресанта АСН-500/1-Ц схема электрическая принципиальная.

1000 1 схема. Схема релейного стабилизатора напряжения 220 Ресанта. Стабилизатор Ресанта 500 Вт схема. Стабилизатор напряжения 220в Ресанта 500 ватт схема. Стабилизатор напряжения Ресанта АСН-5000/1-Ц схема.

1000 1 схема. ACV SP 2.100L. Моноблок сват 1.500 схема подключения. АЦВ Д 1.500 моноблок схема подключения мостом. ACV SP-1.1500L моноблок схема.

1000 1 схема. Фазовый регулятор pr2000i. H+ I схема. Звукопроцесормикрон1схема. Mission m35i схемалар.

1000 1 схема. Принципиальная схема усилителя 1000 ватт. Усилитель Кикс QS 1.900 схема. Усилитель звука схема Kicx 1.1000. Усилитель 1000 ватт схема.

1000 1 схема. Corsair ax1200i схема. Распиновка Corsair Type 4. Corsair rm850x распиновка. PSU 24 Pin распиновка.

1000 1 схема. Схема первого контура ВВЭР-1000. Схема 1 контура ВВЭР 1000. Принципиальная схема первого контура ВВЭР 1000. Схема первого контура ВВЭР 1200.

1000 1 схема. Схема электроутюга с терморегулятором УТП 1000-1.8.220. Устройство электроутюга с терморегулятором схема подключения. Утюг УТП 1000-1.8 220 схема подключения. Схема утюга УТ 1000-1.2.220.

1000 1 схема. Eaton 9130 схема принципиальная. ИБП Итон 9130 схема электрическая. Powerware 9120 схема электрическая. ИБП Eaton 9130 схема.

1000 1 схема. Patriot gp1000i деталировка. Деталировка генератора Huter. Генератор Патриот 1000i деталировка. Генератор Патриот 1000i.

1000 1 схема. Сабвуфер Prology at-800. Схема сабвуфера Prology at-1200. Активный сабвуфер Prology ATB-1200. Сабвуфер Пролоджи ATB 1200.

1000 1 схема

1000 1 схема. Схема Power Inverter 500w. Схема китайского инвертора 12 220 2000вт. Power Inverter 12v 220v 500 w схема. Инвертор энергия пн-500 схема электрическая.

1000 1 схема. Усилитель SWAT схема. Усилитель SWAT 1.1000 схема. Alto oex400 схема усилителя мощности. Усилитель 4.100 схема.

1000 1 схема. Схема инвертора бензогенератора 3 КВТ. Схема инверторного бензогенератора. Схема бензинового инверторного генератора на 220в. Схема инверторного бензогенератора на 220в.

1000 1 схема. Пум 500 гидравлическая схема. Гидросхема погрузчика пум 500. Гидравлика МКСМ 800 схема. Схема электрооборудования МКСМ 800 С двигателем хатц.

1000 1 схема. Бензогенератор чемпион gg3300 схема электрическая. Бензогенератор чемпион gg950dc схема электрическая. Gg950 Генератор бензиновый схема. Бензогенератор Хутер 1000 схема.

1000 1 схема. Ardo tl105s схема электрическая принципиальная. Стиральная машина Ардо схема электрическая принципиальная. Электрическая схема стиральной машины Ардо. Ardo t80x схема электрическая принципиальная.

1000 1 схема. Регулируемый импульсный блок питания схема. Импульсный блок питания 2000 ватт схема. Импульсный источник питания для УМЗЧ схема. Схемы мощных импульсных блоков питания 1000 ватт.

1000 1 схема. УНЧ 1000 ватт схема. Схема усилителя звука 1000 ватт. Схемы эстрадных усилителей звука высокой мощности. Схема усилителя 1000вт.

1000 1 схема. ГЦТ ВВЭР 1000. Главный циркуляционный контур ВВЭР. Схема первого контура ВВЭР-1000. Циркуляционные петли в ВВЭР.

1000 1 схема. Мини-погрузчик Ant 1000 электрическая схема. Ant 750 схема электрическая. Ант 1000 мини погрузчик электрическая схема. Ant 1000 схема гидравлики.

1000 1 схема

1000 1 схема. Схема сварочного инвертора 3845. Схема БП сварочного инвертора. Сварочный инвертор на fgh40n60 схема. Схема импульсного сварочного инвертора.

  • Вперед Карта чишминского района со спутника с деревнями и дорогами
  • Назад Фотопечать на сахарной бумаге

Новые страницы

1000 1 Схема

Английский язык 8 класс ваулина стр 123 упр 5

Что такое кредитное плечо на форекс

Csb gp12170

День города донецка

Два цветовая схема

Эскиз тату губы с языком

Формалин реакция серебряного зеркала

Где по математике 7 класс алгебра

Граффити на мостах

Индикаторы обкатки шин nokian

Исковое заявление о признании доли незначительной и выплате компенсации образец

Кто надевает что кто одевает

Лодка на радиоуправлении чертежи

Массаж на выезд по москве

Match the words in the columns deep moderate climatic independent large vast mountain natural

Не включается печка на ваз 2115

Нива 21213 задний мост

Отчет о рыбалке в рыбхозе клин владимировка

Ответы по математике за 3 класс учебник

Принципиальные схемы вега

Пропала подсветка приборов ваз 2110

Рассмотрение заявления заинтересованного лица

Ремонт холодильников на дому в климовске

Розетка фаркопа схема подключения

Синоптическая карта с фронтальным анализом на сегодня

Стр 96 математика 3 класс 2 часть

Тендерное сопровождение это

Уаз патриот новомосковск

Вид спорта по сложности

cdn.zecar.ru